Всичко свързано с тоците ми е слабост, опитайте се да ме затрудните.
hidrazin - майстор
съб яну 18, 2025 10:50 pmGeorgi_77 написа:
...обади ми се специалист от сервиз за бойлери и каза че няма нужда от зануляване, понеже бойлера е нов и сега новите бойлери стандартно са си занулени така че каза ми само фазата и нулата да свържа и това е...
Тоя "специалист от сервиз" пак ли го намери в тъпия фейс заедно с тъпите му потребители?
Защото лъжеш - първия ти пост за тъпия бойлер е от 18:44 днес - как да го свържа към захранването и как да го заземя
НЯМА кой "специалист от сервиз" да ти отговори след 19 часа.
Та имаш ТРИ варианта:
1-ви - да гръмнеш оня ТЪП "специалист" от тъпия фейс.
2-ри - да се гръмнеш сам.
3-ти - да намериш читав човек който е с висчкия си и разбира.
Успех!
:partyman:
ivanovbg - майстор
Какво мнение още искаш? Ползвай си гаранцията.
gogo7777 - майстор
Тоя ключ като го щракнеш гасне ли му лампата?
Абе ще го намерим разковничето :wink:
съб яну 18, 2025 11:38 pmgogo7777 написа:
Тоя ключ като го щракнеш гасне ли му лампата?
Абе ще го намерим разковничето :wink:
Като го щракна гасне, проблема е че не гасне след като изключи релето
hidrazin - майстор
съб яну 18, 2025 11:52 pmGeorgi_77 написа:
Като го щракна гасне, проблема е че не гасне след като изключи релето
На теб още колко пъти трябва да ти се обяснява?
:partyman:
gogo7777 - майстор
Казах ли ви, че ще намерим разковничето :lol:
mika - специалист
съб яну 18, 2025 9:54 pmGeorgi_77 написа:
...казаха че може да е заради разменени фаза и нула, но след размяната им пак си свети ключа
съб яну 18, 2025 10:50 pmGeorgi_77 написа:
...обади ми се специалист от сервиз за бойлери и каза че няма нужда от зануляване, понеже бойлера е нов и сега новите бойлери стандартно са си занулени така че каза ми само фазата и нулата да свържа...
Разменяте фази и нули а бойлера бил "стандартно занулен"?
Потърсете специалист защото може да убиете някого!
hidrazin - майстор
нед яну 19, 2025 12:36 ammika написа:
Разменяте фази и нули а бойлера бил "стандартно занулен"?
Мисля че тоя въпрос беше "глас в пустинята".
Той въобще не знае за какво става въпрос.
Ама аз и тая нощ ще спя спокоен - евентуално нещастие няма да е по моя вина.
:partyman:
DMN - майстор
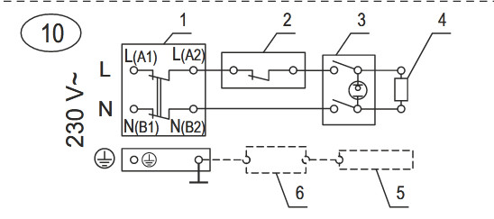
съб яну 18, 2025 10:50 pmGeorgi_77 написа:
бойлера е ЕЛДОМ WV08039A ако има значение


По тази схема би трябвало да е свързан тогава:
Прикачен файл:
2025-01-19_051611.jpg
2025-01-19_051611.jpg (25.94 KиБ) Видяна 867 пъти
Прикачен файл:
2025-01-19_051643.jpg
2025-01-19_051643.jpg (57.3 KиБ) Видяна 867 пъти


Т.е. ако всичко е правилно свързано, ключът не трябва да свети когато терморегулаторът е изключил.
ESPACE - майстор
нед яну 19, 2025 5:19 amDMN написа:
Т.е. ако всичко е правилно свързано, ключът не трябва да свети когато терморегулаторът е изключил.
Той човека смело обръща фаза-нула, защото "специалиста каза че няма нужда от зануляване, понеже бойлера е нов и сега новите бойлери стандартно са си занулени" само че не му е казал по кой стандарт, а вие за един ключ сте се хванали. :)

Тема "Индикаторът на бойлера свети непрекъснато" | Включи се в дискусията:


Сподели форума:

Бъди информиран. Следвай "Направи сам" във Facebook:

Намери изпълнител и вдъхновения за дома. Следвай MaistorPlus във Facebook: