• 1
  • 2
Всичко свързано с тоците ми е слабост, опитайте се да ме затрудните.
thebugger - специалист
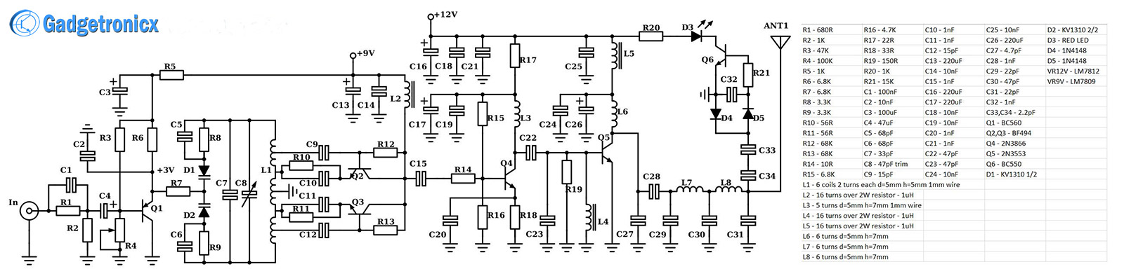
Здравейте, някой може ли да даде идея как да подходя при изготвяне на платка по тази схема. Самата схема не е много голяма и ако се напрегна малко ще измисля как да стане, обаче проблема е че трябва да има ,,ground plane'' или голяма повърхност за масата, която обхваща цялата платка. Сега, въобще не мога да работя със тези програми за създаване на графичен оригинал, предпочитам на ръка да си ги правя нещата, но цялата тая работа с голямата повърхност за масата ми пречи много. Всичко е наблъскано много заради факта че честотата е висока и не трябва да стърчат крачета на елементите много, но трябва да има и достатъчно разстояние да ги обгражда масата, но да не е и твърде близо да не се създават паразитни капацитети. Всичките тия изисквания ме объркват изключително много и не мога нищо да сътворя, а елементите почти съм ги събрал и съм готов да почна да я правя схемата. Та моля, някой ако се е занимавал със високочестотни експерименти, да удари едно рамо ;)
hidrazin - майстор
thebugger написа:
... по тази схема....
Ахааа... супер схема! Ама и ако се виждаше ... :-D
:partyman:
thebugger - специалист
Не се ли е прикачила. Ето я

Прикачен файл

FM-transmitter.jpg
FM STEREO - специалист
Па ли се занимаваш с fm предаватели :-D
horgasz - специалист
thebugger написа:
Здравейте, някой може ли да даде идея как да подходя при изготвяне на платка по тази схема. Самата схема не е много голяма и ако се напрегна малко ще измисля как да стане, обаче проблема е че трябва да има ,,ground plane'' или голяма повърхност за масата, която обхваща цялата платка. Сега, въобще не мога да работя със тези програми за създаване на графичен оригинал, предпочитам на ръка да си ги правя нещата, но цялата тая работа с голямата повърхност за масата ми пречи много. Всичко е наблъскано много заради факта че честотата е висока и не трябва да стърчат крачета на елементите много, но трябва да има и достатъчно разстояние да ги обгражда масата, но да не е и твърде близо да не се създават паразитни капацитети. Всичките тия изисквания ме объркват изключително много и не мога нищо да сътворя, а елементите почти съм ги събрал и съм готов да почна да я правя схемата. Та моля, някой ако се е занимавал със високочестотни експерименти, да удари едно рамо ;)
Eagle въобще не сложна програма за работа и има богата библиотека с елементи. Направи си 2-слойна платка и ще ти е по-лесно. Сега, ако честотата е много висока (все пак колко е това "много"), освен разположението на елементите, си има специални изисквания за маериала на платката, дебелината на проводящия слой и т.н.
П.П.
Намерих схемата. Това се натройва доста трудно, особено ако нямаш подходящите уреди (осцилоскоп например) дори и да направиш платката. Пък и предавател с такива параметри не знам доколко е законен в България.
thebugger - специалист
Тази схема аз съм я публикувал там хаха, направих разни модификации по оригинала просто. Аз мислех да изрязвам малки квадратчета от друга платка и да ги лепа върху някоя не-ецната. Така ще е по лесно, но не знам дали няма да се създадат паразитни капацитети към масата по тоя начин. А иначе откъм настройката гледах да я създам така че да трябва минимална интервенция след като я налепя, затова има само 1 променлив кондензатор, за настройка на носещата, всичко друго теоритично съм го определил да е както трябва, без донастройка.

Да проектирам схеми не ми е проблем, но това ще ми е може би първият голям проект с радиочестота и има някои неща, за които не съм сигурен в монтажа.

П.С. FM STEREO аз не съм спирал да се занимавам с тези FM предаватели, но досега са били все някакви играчки с по едно транзисторче, сега искам да го направя най близко до професионално, без PLL, колкото мога :D
Последна промяна от thebugger на пон окт 03, 2016 4:15 pm, променено общо 1 път.
nikolovvd - майстор
От години работя с една фирма, която ми прави платките. Пращам им само файловете и след седмица платките пристигат. Предлагат и всякакви материали за ецване на платки.
FM STEREO - специалист
thebugger написа:
П.С. FM STEREO аз не съм спирал да се занимавам с тези FM предаватели, но досега са били все някакви играчки с по едно транзисторче, сега искам да го направя най близко до професионално, без PLL, колкото мога :D
То хубаво,ама в професионалните предаватели генераторното стъпало,буферното,та дори и умножителя на честотата се прави вече с чипове, интегрални схеми тоест всичко е вече дигитално, другото което е че трябва задължително да има кварцово стабилизиране на честотата на осцилатора и LC филтри за елиминирането на паразитните хармоници. Определено въпросната схема е с мощност която без лиценз подлежи на санкции,но ти това го знаеш.
thebugger - специалист
Нали аз я проектирах, знам че е 2W, но да оставим легалността настрана. Не искам да поръчвам платки от фирми, защото платката ми излиза винаги по 40-50лв при пресмятането, а мене и елементите са ми по евтини, че даже си взех и 10 мощни транзистори за всеки случай. Мисля да пробвам да налепя малки квадратче където трябва и да пробвам така. Принципно тази оригиналната схема, която попринцип е много по лошо проектирана, без никакви буфери и с много съмнителен качествен фактор на трептящия кръг я дават да работи със 75Khz дрейф първия половин час и после да закотвя на честотата. Засега като първи такъв проект е добре просто да тръгне, по натам ще правя и други модификации, може още повече да увелича качествения фактор, да сложа по хубави транзистори и т.н.
FM STEREO - специалист
ЧМ модулацията можеш да я направиш след осцилаторното стъпало така ще повишиш стабилността на честотата му. Модулиране в осцилатора се прави само в най простите еднотранзисторни предаватели,но това винаги води до по голяма нестабилност на честотата му! Екранирай хубаво платката защото с тази схема неминуемо ще бълваш хармоници.
  • 1
  • 2

Тема "Съвет за изготвяне на печатна платка" | Включи се в дискусията:


Сподели форума:

Бъди информиран. Следвай "Направи сам" във Facebook:

Намери изпълнител и вдъхновения за дома. Следвай MaistorPlus във Facebook: