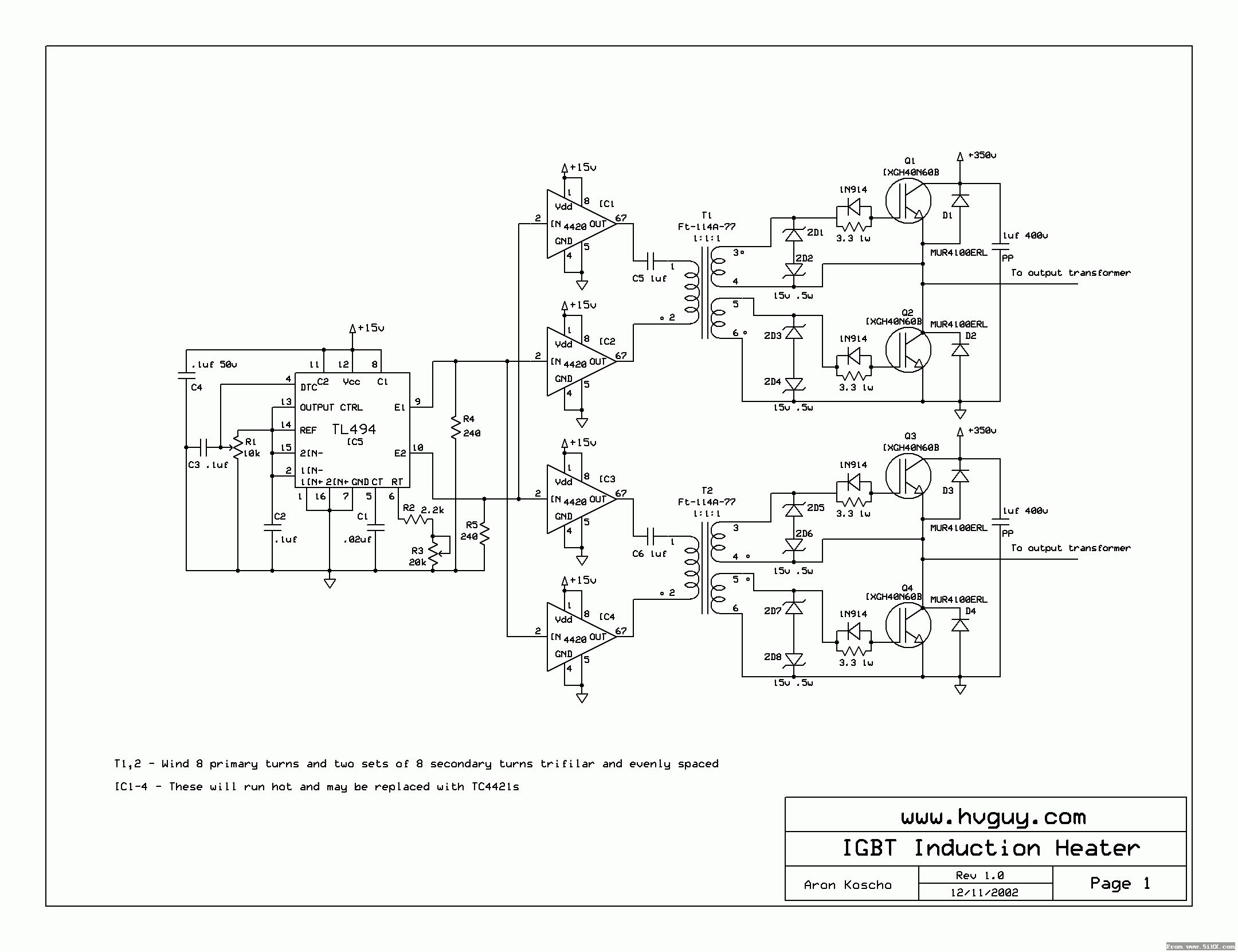
и това

Picture 059.jpg (35.77 KиБ) Видяна 3806 пъти
на тази снимка е врътнат потенциометъра за тока /КЗ/ . Пробвах ,и .. дали сработва обратната връзка ,за ограничаване на тока/сигнала  подаван от шунта/ ,като симулирах и подавах през резистор ,различни по стойност 
 миливолти -КЗ се мени прилично
								
															
																																	Прикачен файл:
			
		
					Picture 059.jpg (35.77 KиБ) Видяна 3806 пъти
										Последна промяна от andro440 на съб авг 10, 2013 12:24 am, променено общо 1 път.