Привет на всички!
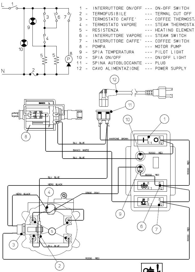
Казусът ми е свързан с "домашна" еспресо кафемашина модел "Klarstein Passionata Rossa 20" (10031703). Не че има значение особено, защото тези бюджетки са почти еднакви вътре. Първите симптоми на проблем бяха преди няколко седмици когато след като се направи едно кафе и машината изключи (има функция да се спре сама след време, предполагам, че когато термостата достигне определена температура) при опит за направата на второ кафе не се включи. Трябваше да мине известно време, за да се включи отново. Нещо, което преди не се беше случвало. И така се случи няколко пъти, но въпреки паузата поне включваше. Така до вчера, сега нито светват двете индикиращи лампички отпред (червено за включена и съответно зелено при готовност за работа) нито загрява, НО странното за мен, тъй като не ми се е случвало до сега, е че като завъртиш ключа в позиция за пускане на вода (за кафе) помпата включва и вода си тече въпреки това...а на пара/ гореща вода, помпата започва само да включва и изключва, не се задържа постоянно, ясно, че пара не пуска, защото не загрява.
Това, което до момента пробвах е:
1. Замерих двата термостата върху бойлера с режима за непрекъснатост (пиуката) и си прави верига и на двата.
2. Замерих и термичния предпазител под изолацийката и той си прави верига...
3. Копчето за вкл./изкл. си е изправно.
Какви идеи/ акъл бихте дали?
Любител "техничар" съм и ми е удоволствие да си оправям сам нещата, когато мога и стига да ми е в капацитета на способности разбира се. Последният път идеите от Вас ми помогнаха да си спася едно "умно" дистанционно управление на телевизор. Та сега пак си имам занимавка. Повече глави, повече идеи.
Благодаря ви!
Казусът ми е свързан с "домашна" еспресо кафемашина модел "Klarstein Passionata Rossa 20" (10031703). Не че има значение особено, защото тези бюджетки са почти еднакви вътре. Първите симптоми на проблем бяха преди няколко седмици когато след като се направи едно кафе и машината изключи (има функция да се спре сама след време, предполагам, че когато термостата достигне определена температура) при опит за направата на второ кафе не се включи. Трябваше да мине известно време, за да се включи отново. Нещо, което преди не се беше случвало. И така се случи няколко пъти, но въпреки паузата поне включваше. Така до вчера, сега нито светват двете индикиращи лампички отпред (червено за включена и съответно зелено при готовност за работа) нито загрява, НО странното за мен, тъй като не ми се е случвало до сега, е че като завъртиш ключа в позиция за пускане на вода (за кафе) помпата включва и вода си тече въпреки това...а на пара/ гореща вода, помпата започва само да включва и изключва, не се задържа постоянно, ясно, че пара не пуска, защото не загрява.
Това, което до момента пробвах е:
1. Замерих двата термостата върху бойлера с режима за непрекъснатост (пиуката) и си прави верига и на двата.
2. Замерих и термичния предпазител под изолацийката и той си прави верига...
3. Копчето за вкл./изкл. си е изправно.
Какви идеи/ акъл бихте дали?
Любител "техничар" съм и ми е удоволствие да си оправям сам нещата, когато мога и стига да ми е в капацитета на способности разбира се. Последният път идеите от Вас ми помогнаха да си спася едно "умно" дистанционно управление на телевизор. Та сега пак си имам занимавка. Повече глави, повече идеи.
Благодаря ви!
