Драйвера ми е готов работи добре. Имам предвид кондензатора последователно с дросела нали разбра. Трафа като гу пуска първоначално с 50к херца и не свиска. 
Място за идеи и желания за проектиране и изработка на готови проекти.
raim433
- напреднал
1980 мнения в "Изработка на инверторен електрожен"
АБВ потребител
- специалист
- Мнения: 719
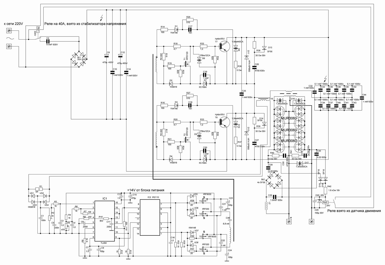
Намери 8 кондензатора по 100нф и 1000в- полипропиленови,неполярни. Ще трябва и един ферит същия като на трафа,Е-55. Навиваш един слой проводник 4мм2 в лакотръба.Това за дросела. Първо ще сложиш 6 кондензатора, 3х2, последователно- паралелно.
И чети внимателно!!!
На драйвера сложи 033х400в кондензатор-неполярен, тези 4,5мф и малкия 100нф, ги махни от там, както е дадено на онази схема.
АБВ потребител
- специалист
- Мнения: 719
Ти с двете сонди едновременно ли замерваш???
Е затова ти е нужен разделителен траф.Масата на сондата е хваната на корпуса на осцилоскопа, а корпуса ти е заземен в контакта. Може да опукаш и осцилоскопа.Първо си намери разделителен траф и тогава действай. Незнам човече за настройката как ще се справиш.
Ще трябва да следиш тока на входа , на изхода,напреженията също.Амперметри,волтметър, високоволтова сонда. Докато не си намериш такъв траф не пипай нищо ,че да не стане някоя беля.И тогава ще говорим за следващите неща.Това е от мен
Но по добре дай на някой да ти го направи ,който разбира, това не е игра. Тока не прощава грешки!!!
АБВ потребител
- специалист
- Мнения: 719
Колега, тези резонансни кръгове са малко дяволска работа. Веднъж настроени работят,но както каза Пансим , резонанса е нестабилно състояние и тока малко играе, но пълно щастие няма. Внимавай много като замерваш със сондата по високото напрежение!!! Само колектор-емитер, вътре недей да пипаш ,че гърми
. Последно като пробвах , високоволтова сонда я направи на три парчета, хубаво че не ми беше в ръката, и то на празен ход работеше, без товар. Оглеждай и внимавай ,че белите стават бързо.Успех!!! Ако не ти допадне работата на тази схема, ето ти една работеща без резонансен кръг. И не се заблуждавай ,че от малки ферити ще искараш голям ток. И аз така си мислех , ама не става. Големия ток си иска голяма сърцевина. То пак ще стане, но електрожена е слаб и грее яко. Как беше лафа ,козата си сака пръч,с друго не става.
АБВ потребител
- специалист
- Мнения: 719
АБВ потребител
- специалист
- Мнения: 719
Колега , спазвай правописа, че ще те награбят.
Аз не мога да разбера , от къде идва това свирукане на дъгата при резонансните схеми.Иначе електрожена държи здраво, над 300часа работа ,никакви дефекти,засега. Схемата си е моя разработка. Проста и ефективна.Като мен 
Тема "Изработка на инверторен електрожен" | Включи се в дискусията:
Сподели форума:
Бъди информиран. Следвай "Направи сам" във Facebook:
Намери изпълнител и вдъхновения за дома. Следвай MaistorPlus във Facebook:
Имаш нужда от подходящ професионалист за дома?
- Преустройство, ремонт и реновиране
- ↳ Вашите ремонти
- ↳ Кухня
- ↳ Баня
- ↳ Дневна
- ↳ Спалня
- ↳ Детска
- ↳ Градина
- ↳ Коридор
- ↳ Тераса и балкон
- Направи сам
- ↳ Направи сам
- ↳ Ремонтирай сам
- ↳ Къде е по-евтино?
- ↳ Дърводелство
- ↳ Ел. инструменти
- ↳ Металообработване
- ↳ Конкурс "Направи сам 2012"
- Строителство
- ↳ Всичко за вилата
- ↳ Къщи
- ↳ Саниране
- ↳ Хидроизолация
- ↳ Пасивни и нискоенергийни сгради
- Сухо строителство
- ↳ Окачени тавани
- ↳ Преградни стени и предстенни обшивки
- ↳ Сухи и повдигнати подове
- ↳ Декоративни елементи - колони, трегери, сводове и др.
- ↳ Всичко за гипскартона и гипсфазера
- Въпроси и Отговори
- ↳ Полезни съвети
- ↳ Автомобили
- ↳ Партньори
- ↳ Боядисване и Декориране
- ↳ Вентилация, климатици и термопомпи
- ↳ Водоснабдяване и канализация.
- ↳ Всичко за ремонта
- ↳ Електротехника
- ↳ Отопление
- ↳ Газификация
- ↳ Електроника и Схеми
- ↳ Газобетон
- ↳ От всичко по малко
- ↳ Компютри и периферия
- ↳ Уеб дизайн, PHP, MySQL, JavaScript, HTML..
- ↳ Мобилни устройства, GSM-и
- ↳ Нека се запознаем
- ↳ Recycle Bin
- Статии
- ↳ Практични решения
- ↳ Качване на снимки
- ↳ Какви статии искате?
- ↳ Готварство, туршии и зимнина
- ↳ Отмора и шеги
- ↳ От нищо нещо
- ↳ Не е за вярване
- ↳ Литература
- ↳ Връзки към Интересни сайтове
- Магазин
- ↳ Препоръки и Мнения за он-лайн магазина
- ↳ Крадeни инструменти !!!