Най - вълнуващия въпрос зимно време.
nexa - напреднал
Здравейте ,предстои ми ремонт на етаж от къща ,а едно от основните неща е топлоинсталацията.
Бих искал да събера мнения и най-вече съвети за монтажа на инсталацията .
Колко , какви и къде да бъдат монтирани радиаторите ?
Какви тръби и с какъв цолаж да бъдат те ?
Има ли нещо специфично което трябва да се спази при монтажа на колекторната кутия ?
И всичко което не би трябвало да пропусна ... Ще кача и опростена схема на етажа
За самата камина ме посъветваха да бъде с мощност 18 до 21 kW
външните стени са дебели 40см , но тази година няма да имам възможност да правя изолация отвън
ще има само около 20см вата на таваните засега.

Прикачен файл

draw1-1.jpg
Ми събирай! Мнения колкото ти душа иска.
Последна промяна от Трифон П.Трифонов на пон май 04, 2020 4:28 pm, променено общо 1 път.
speka_rs - майстор
Аз смятам да те по съветвам на да си купиш 10 кВт камина. На тези около 80 кв. м. не знам за какво са ти 18-20 кВт. За радиатори ще требе да се смята . И къде се намира къщата ?

п.с. Да попитам отопление на БГВ ще има ли ?
То тва, на око като го гледам, няма шейсе квадрата.
nexa - напреднал
излиза приблизително 78кв ,а като обем 240куб.м
в апартамент на приятели само с 3 стай и баня колкото килер/ на око не повече от 65кв / са им монтирали 16кВт камина с риза , и от там си направих сметка с моя висок таван и лисата на външна изолация ,че ще ми трябват около 20кВт
БГВ съм предвидил 80л към камината .
за тръби съм се насочил към PP-RCT ф25 ,може ли с такива да се реализира скрит монтаж ?
Димитър Димов - специалист
Посъветваха ли те за 18-21 квт. или сам си направи сметка за 20 квт. въз основа на камината на приятелят ти?Всеки случай е сам по себе си,така че не се ръководи от това че при комшията е така или иначе.
speka_rs - майстор
Колега, да те помоля да понарисуваш малко идеята ти със радиаторите и тръбите ей така съвсем схематично, да видим какво мислиш, ясно че камината няма да е 20 кВт. Поне като видим да дадем някой малко по добър съвет.
пон май 04, 2020 4:19 pmspeka_rs написа:
Аз смятам да те по съветвам на да си купиш 10 кВт камина. На тези около 80 кв. м. не знам за какво са ти 18-20 кВт. За радиатори ще требе да се смята . И къде се намира къщата ?

п.с. Да попитам отопление на БГВ ще има ли ?
Шпек, след като си сметнал камината, значи преди това си сметнал топлозагубите, та за радиаторите вече е ясно. На база каква информация и с какви коефиценти ги сметна топлинните потери?
Няма нужда да чертае, та да му даваме по добър съвет. Пътят на тръбите е просто решение на място.
Шпек, не се заяждам, да знайш!

Бе ни та знам ко ни си смятал, ма камината ши му подхожда, наистина.
nexa - напреднал
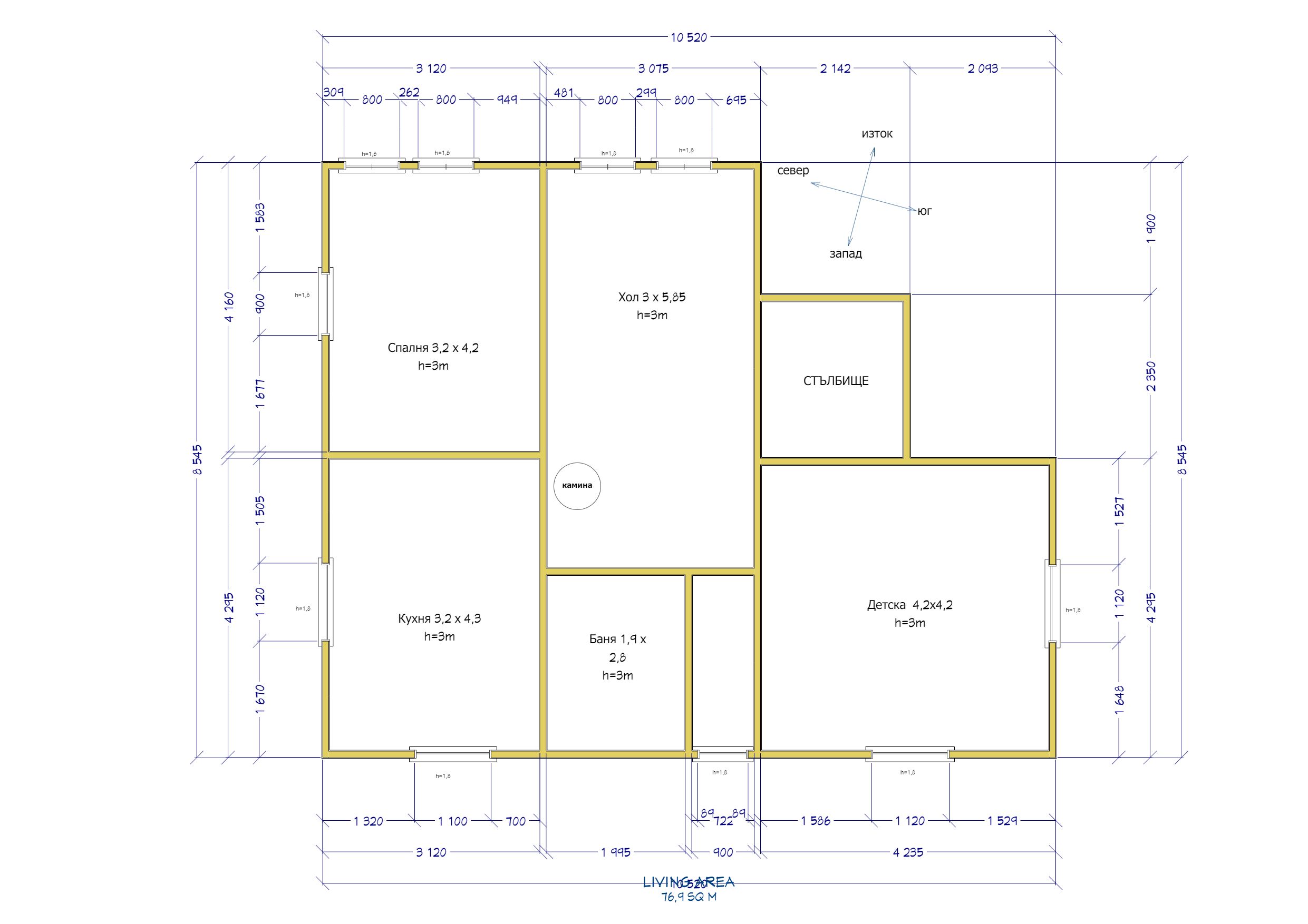
ето как си ги мисля радиаторите , а за топлозагуби ми казаха ,че за старо строителство грубo се взима 40-50W/m2
за нови сгради било средно 10-20W

Прикачен файл

housedsg214.jpg
пон май 04, 2020 11:16 pmnexa написа:
ето как си ги мисля радиаторите , а за топлозагуби ми казаха ,че за старо строителство грубo се взима 40-50W/m2
за нови сгради било средно 10-20W
Е помисли де! Да не говориш за кубици?
Щото...нали рече 78, да ги окръглим на 80, после ги умножавам по 50 дабълю, което ше рече 4000 вата.
Имаш високи тавани, та като зема предвид това, 240 кубика по 50 вата правят 12000 вата, което е 12 киловата, което пък напълно резонира с предложението на Шпека за камина. Двата киловата разлика да не та плашат!
Нали вземам горните стойности, които са ти казали?!
Защо в кухнята радиатора не е под прозореца?
Защо в детската са два? Ако е задължително да са два, защо не преместиш и вторият под другия прозорец?
Направи си го като хората, недей да се скъпиш за тръбите!

Тема "Съвети при инсталация на парно отопление с камина на пелети" | Включи се в дискусията:


Сподели форума:

Бъди информиран. Следвай "Направи сам" във Facebook:

Намери изпълнител и вдъхновения за дома. Следвай MaistorPlus във Facebook: