• 1
  • 43
  • 44
  • 45
  • 46
  • 47
  • 98
Място за идеи и желания за проектиране и изработка на готови проекти.
batrado - специалист
пон май 04, 2020 4:04 pmbatrado написа:
Според мен този контролер bigtreetech skr pro v1.1 се оказа прекалено голямо предизвикателство за самите разработчици. Има много неща, които даже не са и заложени в самата разработка. А примерно основни компоненти не работят работят, примерно SD картата USB Host-a. Аз по принцип, като хоби си разработвам разни проекти на базата STM32 процесори и знам за какво става дума. Като цяло бих препоръчал версиите с LPC: SKR 1.3 и евентуално 1.4 Turbo, като за SKR 1.4 нямам наблюдения. Сравнително евтини контролери с доста добра производителност. Но това са си мои заключения, и не искам да подвеждам никого :)

Имам следното питане: някой сблъсквал ли се е с проблем на загряващ стъпков двигател - конкретно Nema 17 от малките с 20 мм корпус?

Short-Body-Nema-17-Stepper-Motor-20mm-13Ncm-1A-Nema17-Step-Motor-4-lead-17HS08-1004S.jpg



Успях най-накрая да докарам работещ принтер, който е с директно подаващо устройство (direct drive extruder), но при 800 mA ток на 12V измервам близо 65 градуса върху корпуса на двигателя. Намалих тока на 400 mA и сега след около 45мин. печат измервам 48 градуса.
Дали една система базирана на охлаждане на чипсетите, радиатор + вентилатор, като на компютрите би свършила работа? Или ще трябва нещо малко по-сериозно, като използване на пелтие елемент, водно охлаждане и т.н.
Това с намаляването на тока в двигателя се оказа доста сериозен проблем спрямо retracion-a. Ефекта е, че просто ротора не може да завърти и да върне филамента, като настройката която ползвах беше 0.4 мм, като разстояние (retraction distance).
Ще трябва да се мисли за някакво решение за охлаждане, като варианта за пелтие елемeнт + радиатор + вентилатор според мен ще е най-удачен по отношение на топплинно-енергийната ефективност.
STEPER - специалист
batrado,
На твоето питане - " някой сблъсквал ли се е с проблем на загряващ стъпков двигател - конкретно Nema 17 от малките с 20 мм корпус? "
ще отговоря така: Всеки се е сблъсквал с този проблем - загряване на стъпков двигател
В процеса на работа всеки стъпков мотор се загрява но да е в рамките на допустимите си граници.
Не разбирам защо толкова си се захванал с този мотор.
Забрави за този мотор. Не може и няма да работи в този отговорен възел.Не е подходящ за тази цел.
Въпреки,че това са токови мотори и се управляват по ток,те имат и други параметри като индуктивност
напрежение и т.н. на които също трябва да се обръща внимание когато се правят такива експерименти.
Максимално допустимата температура при работа е 80 градуса.При тази температура той съхранява всички свой
свойства и работи нормално съгласно ТУ. Превишаването на тази граница при продължителна работа може да доведе до неприятни последици
за самия двигател- нарушаване на изолацията на проводниците,износване на лагерите вследствие загуба на смазка
и не на последно място размагнитване на ротора на двигателя а за принтера проблеми при печат.
Разбираемо е че,вследствие на своето омично съпротивление намотките се нагряват като това нагряване
е пропорционално на квадрата на протичащия ток /известно е от дебелите книги/. Така неговата най-голяма стойност е в
резултат от най-голямата допустима температура а тя за този мотор е 80 градуса. От друга страна ти искаш той да осигурява достатъчна
механична сила /да имаш добър ретракт/ за което тока трябва да е равен на максималния - 1А.
За да постигнеш тази сила /18.4 oz=521,6312 грама/ трябва да му подадеш 1 ампер ток и напрежение
не 12 волта а 32*sqrt /индуктивност на намотката в mH/. Ако така при работа температурата не превишава дадените
граници не бива да се притесняваш. Но ако тя е висока може да намалиш напрежението или тока но се намалява и
въртящият момент който и без това не е голям - 500 грама.
Аз бях поръчал два такива двигателя за direct drive extruder-а на моя принтер Voron.Получи се добра компактна конструкция като на снимката
но само толкова.
Още след първите тестове се оказа,че това не е мотора за този възел.Въпреки,че е куплиран със зъбна предавака в BMG екструдера на Bondtech
неговата сила не беше достатъчна дори за автоматично зареждане и изваждане на филамента от екструдера да не говорим за ретракт
при печат.Подмяната му с 3401 мотор доведе до идеалната работа на този възел без да се нарушават заложените параметри и много съм
доволен.
Поздрави

Прикачен файл

IMG_301.jpg
IMG_301.jpg (74.23 KиБ) Видяна 2861 пъти
batrado - специалист
Привет STEPER,
наистина изчерпателен отговор, за което ти благодаря :)
В момента нямам много голям избор и ще оставя 20мм двигател в схемата на екструдера. Като цяло и аз бях доста скептичен към използването на такъв двигател в direct drive системата, предвид параметрите на самия стъпков мотор. При първите няколко тестови печата ретракт почти нямаше и изобщо не съм обърнал внимание на температурата на мотора.
Това което промених и тествах е добавянето на вентилатор към корпуса на давигателя. Температурата при малко повече от час печат беше 43 градуса в сравнение с около 65 градуса без охлаждане.
Прикачен файл:
2020-05-06.png


Това, което ще направя докато чакам доставката на 34мм двигател ще е подмяна на захранващото напрежение на системата на 24V, като за леглото ще оставя 12V. И вече колкото му е писано на двигателя толкова и ще изкара. За момента, при печат с ABS филамент, нямам забележки и даже съм учуден, че тестовата схема на принтера се справя доста добре.
STEPER - специалист
[quote
Това, което ще направя докато чакам доставката на 34мм двигател ще е подмяна на захранващото напрежение на системата на 24V, като за леглото ще оставя 12V. .....
[/quote]


Привет batrado,
Като чета поста ти нещо не ми се връзват /не разбирам/нещата. :?
В какво се изразява ползата с преминаването от 12 на 24 волта захранване? :?:
Много проблеми могат да възникнат за да се подчини цялата периферия на 24 волта,
която в момента е на 5 и 12 волта.
Защо се оставя леглото на 12 волта при положение,че обикновено някои потребители го включват на 24 волта чрез подходящо SSR реле за да ускорят загряването? :?:
Интересно е също въобще има ли смисъл двигателите да преминат към 24 волта?
Ако се поразмислим малко сега и направим някои сметки ще видим,че активното съпротивление на намотките /в ома/ на двигателите не зависи от напрежението което се подава на драйвера.При двигател с максимален ток 1А и при 12 волта ще получим 12 вата.
Но не можем да си мислим,че при 24 волта ще получим 24 вата.
Мощността ще си бъде пак 12 вата защото тока се ограничава от драйвера /двигателите се управляват по ток и тока се задава от драйвера/ а съпротивлението
на двигателя неизменно ще понижи напрежението на изхода и като резултат ще имаме пак 12 вата, а разликата ще се превърне в топлина която ще подгрее драйвера и околния въздух.
Да не забравяме,че и при деление на стъпки понякога са възможни ситуации когато тока тече през двете намотки на мотора и разсейваната мощност се удвоява което пък се изразява в отдаване на повече топлина и прегряване на мотора.
Аз още на времето се отказах от такова 24 волтово захранване като ползвам 12 волтови,400 ватови импулсни захранвания.Те имат възможност за регулиране на изходящото напрежение
до 14 волта като определено това е напълно достатъчно за да се ускори процеса на загряване на леглото,а пък на хотенда температурата му върви по-бързо от секундите на часовника. :-D
Поздрави
svdmk - специалист
пон май 04, 2020 4:04 pmbatrado написа:
Според мен този контролер bigtreetech skr pro v1.1 се оказа прекалено голямо предизвикателство за самите разработчици. Има много неща, които даже не са и заложени в самата разработка. А примерно основни компоненти не работят работят, примерно SD картата USB Host-a. Аз по принцип, като хоби си разработвам разни проекти на базата STM32 процесори и знам за какво става дума. Като цяло бих препоръчал версиите с LPC: SKR 1.3 и евентуално 1.4 Turbo, като за SKR 1.4 нямам наблюдения. Сравнително евтини контролери с доста добра производителност. Но това са си мои заключения, и не искам да подвеждам никого :)
Относно bigtreetech контролерите, имам SKR E3 DIP с STM32 процесор и нямам никакви проблеми. Накичил съм я по X и Y с TMC2208 uart и A4988 по Z и E, всичко си се компилира и си работи без забележки. MARLIN за STM микроконтролерите е без забележки(по мое мнение), дори и при странни конфигурации като моите. Аз примерно съм конфигурирал индуктивния датчик по Z на пинове които са предвидени за сервото на BLTouch, и ползвам сериен порт предназначен за TFT екран, за да командвам принтера по WIFI чрез ESP8266 модул с ESP3D уеб интерфейс. И това за смешната цена, контролера е 12 - 13 евро без драйверите, ако добавим и обикновени драйвери някъде към 18 евро излиза сметката, по-малко дори и от RAMPS.
STEPER - специалист
командвам принтера по WIFI чрез ESP8266 модул с ESP3D уеб интерфейс.
Svdmk
Интерсувам се от тази възможност - управление на принтера по WIFI
Би ли споделил подробности по реализацията
Предварително Благодаря
Поздрави
svdmk - специалист
ESP8266 е ужасно евтин микроконтролер с вградено WIFI и е съвместим с ардуино програмна среда. Има различни "development board"-ове с esp8266, аз педпочитам nodemcu v3 щото си има всичко е само 2 до 3 евро. Един много добър човечец е написал фърмуер за esp8266 наречен ESP3D, като го свързва по сериен интерфейс с контрелера на принтера. Същевременно чрез wifi може да се конектнеш към въпросният девайс (или да го конфигурираш да се свързва към домашния ти рутер, както аз съм направил), след това чрез уеб браузър се достъпва уеб сървър (визуално наподобяващ пронтърфейс) през който командваш принтера.
Ето това е линк към въпросното "чудо" https://github.com/luc-github/ESP3D , много добре е документирано няма какво да се сбърка.
Напълно опен соурс е, компилира се с адруино или платформио (по желание на клиента дет се вика). Свързва се серийният порт на esp8266 със свободен сериен порт на контролера на принтера, който естествено трябва да е конфигуриран в Configuration.h на марлин фърмуера, което естествено значи и компилиране на марлин.
STEPER - специалист
svdmk,
Благодаря за подробната информация.
Аз отдавна се занимавам с този боард - nodemcu v3 - по простата причина,че на него има вграден USB интерфейс
Не беше проблем да го конфигурирам да се свързва с рутера за да получа отдалечен достъп до управлението на принтера.
Но аз не бих го препоръчал на никого този начин на управление без визуален контрол било то директно или с камера,тъй като
принтера оставен без надзор крие големи опасности.
Освен това на мен не ми допада много и да печата по USB или по WIFI. И в двата случая трансфера на данни по тези протоколи не е
много сигурен и често се получава прекъсване на печата което да не кажа голяма дума е много неприятно особено при
дълъг печат или когато си на 90% от него :sad: и което е фатално както за модела така и за нас - загуба на време,разход на материали.
За всекиго е ясно,че най сигурния начин за печат е когато фърмуера чете директно от SD картата.
Много често и активно ползвам 3д принтера и вече ми омръзнало при създаване на G-кода на компютъра,да вадя SD картата от
принтера да я слагам в PC-то,да записвам кода и после отново да я поставям в принтера. Освен това от цялата тази въртележка се
наложи на два от принтерите да сменявам гнездото за SD картата тъй като те започнаха да не дава контакт.
Ето защо като крайна цел за мен е да прехвърлям данни от компютъра по WIFI към принтера и записването им на SD картата.
Някой ще каже,че съществуват FlashAir SD карти с вграден WIF Iинетрфейс.ДА. Но за тях китайците искат майка си и баща си,
но няма да откажа ако някой иска да ми подари такава :-D :lol: :)
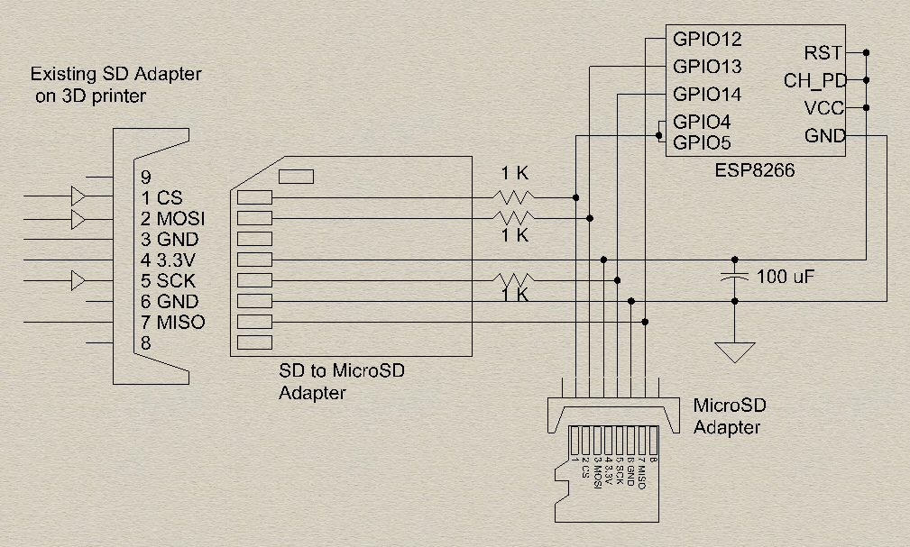
За основа на този проект съм ползвал тази схема а информацията е от тук - https://github.com/ardyesp/ESPWebDAV
За сега не мога да се похваля с някакви положителни резултати но не мисля,че това така ще продължи дълго.
Възможно е някой да се е занимавал с нещо подобно и ако то е да, и има желание нека да сподели тук.
Това ще бъде от полза и удобство за всеки kойто печати и иска да печати само от SD картата.
В Klipper този въпрос е решен много елегантно. Той не ползва физическа SD карта а създава виртуална такава като
в нея записва файловете и всичко това се осъществява по WiFi.
Поздрави

Прикачен файл

Printer Hookup 2.jpg
resistbody - майстор
Октопринт, не е ли по-добра идея? Има и възможност за камера... е да десет пъти по-скъпо е но все пак...
STEPER - специалист
пон май 11, 2020 9:33 pmresistbody написа:
Октопринт, не е ли по-добра идея? Има и възможност за камера... е да десет пъти по-скъпо е но все пак...
resistbody,
Тук не става въпрос колко е скъпо а за по-голямото удобство и оперативност което предлага това.
Аз имам два принтера Voron които работят с Октопринт на базата на Klipper който е интегриран заеднo с OS Raspbian
и инсталиран на Raspberry Pi 3+. Тъй като те са с подвижен портал и имат по 7 двигателя а един Ramps подържа 5 двигателя
се налага използването на два борда Arduino 2560 в комплект с RAMPS 1.4. Октопринт е инсталиран и върви като сървър на PC-то като
управлението се осъществява по WiFi. Въпреки,че WiFi без допълнителни средства не може да покрие голями
растояния Октопринт ти позволява да управляваш принтера дори по Интернет, с възможност и за директно наблюдение чрез камери и т.н.
Моята идея е само да прехвърлям получения код от слайсера и записвам на SD картата инсталирана на принтера и след като се
прехвърли цялата порция код на картата да започне да си го изпълнява
В новите версии на слайсерите вече съществуват опции за такива дейности. Например CURA-та ти предлага да запише кода във файл
на компютъра.Обаче ако усети,че има SD карта в PC-то ти предлага запис и на външен носител.Ако принтера е свързан с компютъра по USB
предлага и опция за печат и т.н.Остава потребителя да реши какво да прави.
Поздрави
  • 1
  • 43
  • 44
  • 45
  • 46
  • 47
  • 98

Тема "3D принтер" | Включи се в дискусията:


Сподели форума:

Бъди информиран. Следвай "Направи сам" във Facebook:

Намери изпълнител и вдъхновения за дома. Следвай MaistorPlus във Facebook: