Всичко свързано с тоците ми е слабост, опитайте се да ме затрудните.
gogo7777 - майстор
ср авг 12, 2020 8:00 pmpeppone1 написа:
..........Ти ако искаш си прави зарята у дома, но напиши отдолу с огромни червени букви за читателите, да не опитват твоите експерименти вкъщи. До тук се обсъждаше зарядно за акумулатор без ограничител на тока и най-вече научи се какво напрежение кога и как се мери.
Ок
Може да си правите зарядни за акумулатори с напрежение 30 волта, без никакви драми.

Напрежението го меря "на око", а тока според килата на трафа. Нямам уред RMS ама не ми и трябва за такова просто нещо. :drinkers:
П. Петков - специалист
"Дядо Анто със кросното. Четата засили."
Като самоук фаянсаджия, шпакловчик, кофражист, арматурист, изкопчия, бетонджия, водопроводчик, чисач на фекална яма и всичко друго, и аз да добавя нещичко по темата ("Скромно, по ленински!"):

Прикачен файл:
charger.jpg

https://dox.abv.bg/download?id=b61693c078

P.S.
Отклонение:
Няма как Бистра Тодорова да продава бобинажен бакър за четири лева за килограм!
viewtopic.php?f=11&t=64748
От време навреме ѝ пиша мнемоничните програмки за двете малки, словашки бобинажни машини, та имам скромна представа как се изчисляват трафовете, как се навиват и настройват машините за трафчетата и какви са горе–долу цените на материалите. Но, при първа възможност, ще я питам. (Има и една голяма машина, също компютърна, за по–големи трансформатори.)

P.P.S.
Добре че беше някога казармата, та сега няма проблем с миризмата на ямата.
https://dox.abv.bg/download?id=a8a523748d
kozl - майстор
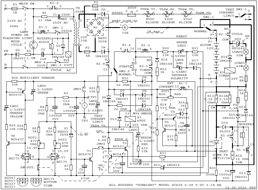
А защо бъзера, С2, D1, D2 и глимлампата са във верига към L и РЕ?
П. Петков - специалист
вт сеп 15, 2020 7:52 amkozl написа:
А защо бъзера, С2, D1, D2 и глимлампата са във верига към L и РЕ?
В пасквила на страници 14 и 15 (точка осем) е описано, но с две думи:
Така се гарантира нулев потенциал на катода на D2, независимо от начина на включване на щепсела "Шуко".
Разбира се, при прекъсване на PE–то от страната на източника или свързващия кабел, корпусът на устройството се офазява, но то е толкова неенергетично, колкото би се офазил човек, бръкнал с фазомер във фазата на контакта. Освен това, стандарт EN 60 204–1 точка 8.2.4, стр. 43, която е за:
"Забрана за използване на комутационни устройства в защитната верига за изравняване на потенциали" има изключение, което гласи:
"Разрешено е да се включват такива устройства, които не прекъсват защитната верига за изравняване на потенциали и имат електрически характеристики, които не допускат при никакви обстоятелства опасно повишаване на напрежението върху коя да е част на веригата и които не влошават защитните характеристики на веригата."
В случая включването във веригата е само за индикация, а резисторът R2 e 1,5 MOhm.
Има една подробност в този случай, а именно че малките по размер високоомни, слойни резистори, когато са подложени на високи напрежения, слоевете им деградират и прекъсват, поради голямото повърхностно, напрежително натоварване (голям напрежителен градиент), поради което е добре да се свържат няколко броя последователно или да се ползват такива с по–голяма мощност (по–голям размер), с което градиентът намалява.Това е ѝ причината буферните съпротивления на фазомерите да са обемни таблетки, а не слойни резистори.
Това не е направено в схемата, поради липса на място за изчертаване, но всеки по–грамотен електичар може сам да го съобрази.
Вместо с по–голяма мощност, за R2 е по–сигурно да се свържат последователно поне два резистора по 750kOhm–а.

Малко, но от сърце! :)
Последна промяна от П. Петков на ср сеп 16, 2020 3:39 pm, променено общо 3 пъти.
kozl - майстор
От сърце е и е много повече от малко. =D>
Да много е описано в пасквила, ама аз прочетох по-краткия най-доле, щот да ми е весело :-D
Иначе тоя с мноото страници требе да го четем неколко пати докато втъкнем нещо :-D
Па и нели съм писател, а не читател :?
:lachtot: смех да има
П. Петков - специалист
Вярно, че описанието стана малко длъжко, но в него (почти) няма излишно изречение и е написано в стил Еужен Айсберг: "Да се зареди акумулаторът ли?...Че то е много просто!"

Тема "Зарядно за акумулатор" | Включи се в дискусията:


Сподели форума:

Бъди информиран. Следвай "Направи сам" във Facebook:

Намери изпълнител и вдъхновения за дома. Следвай MaistorPlus във Facebook: