ср сеп 01, 2021 7:04 pmZMeyGorianin написа:Здравейте,някой може ли да ми даде акъл как да подкарам моето вътрешно тяло .Когато го свържа към захранването и светва червената лампа, и не иска да се включи вентилатора.Ето и модела на климатика Midea MCA 18HRНа Панасоника ще е по-лесно вярвам.Дойде време да се заема с управлението на вътрешното тяло. Днес го разхвърлих и направих снимки.
Прекъсваме общия на вентилатора през реле, което се управлява от помпата.
Малко снимки на мотора и платката с релетата ще трябват.
Да припомня, че идеята е вентилатора да се пуска и спира заедно с включването и спирането на помпата на котела.
В момента така работи само едно от три вътрешни тела. Единствено то тръгва след като термостата включи помпата. Захранването му е свързано с термостата, който управлява помпата.
Другите искат отново включване от дистанционното.
DSCN1318.JPG
DSCN1315.JPG
DSCN1317.JPG
Най - вълнуващия въпрос зимно време.
809 мнения в "Климатик свързан към парното"
- Мнения: 6
Здравейте,някой може ли да ми даде акъл как да подкарам моето вътрешно тяло .Когато го свържа към захранването и светва червената лампа, и не иска да се включи вентилатора.Ето и модела на климатика Midea MCA 18HR
- Мнения: 1005
пон ное 01, 2021 4:40 pmvask000 написа: Здравейте,някой може ли да ми даде акъл как да подкарам моето вътрешно тяло .Когато го свържа към захранването и светва червената лампа, и не иска да се включи вентилатора.Ето и модела на климатика Midea MCA 18HRИзлиза ми касетъчен модел, така ли е?
На режим "вентилатор" ли го пробва?
Какво пише на червената лампа?
- Мнения: 6
Да касета е климатика,но решихме проблема.Поплавака за конденза не беше свързан и от там дава грешка и сега ще видим как ще работи ,и дали ще топли.Дано и да включва и изключва при достигане на зададена температура.
Детето
- специалист
- Мнения: 326
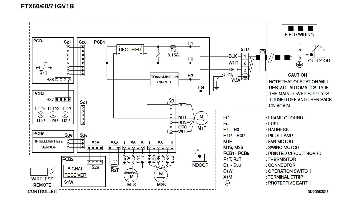
Здравейте, имам климатик който се предаде на няколко пъти и реших да го вържа към локалното парно. Отрязах тръбите към вътрешното тяло и ги закачих към ЛП. В момента пускам на вентилатор и единствената опция която имам е да регулирам вентилатора. На този етап и това ме устройва, но искам да разкарам външното тяло и се чудя ако го откача дали въобще ще тръгва вътрешното, дори само на вентилатор.
Сега разбира се ако има и начин да го включвам на режим отопление да речем и да задавам температура ще бъде още по добре, но не съм на ясно с тази техника какво и как може.
Модела на вътрешното тяло е DAIKIN FTX50GV1B
Сега разбира се ако има и начин да го включвам на режим отопление да речем и да задавам температура ще бъде още по добре, но не съм на ясно с тази техника какво и как може.
Модела на вътрешното тяло е DAIKIN FTX50GV1B
- Мнения: 1005
Без да откачиш кабелите, не знам дали някой ще може да каже.
Има голяма вероятност да не търси външното.
По спомен този модел мисля се продаваше като конвенционален, но се държеше като инвертор.
Съмнява ме да стане контрола по температура.
Но без проба, не знам какво ще стане.
Има голяма вероятност да не търси външното.
По спомен този модел мисля се продаваше като конвенционален, но се държеше като инвертор.
Съмнява ме да стане контрола по температура.
Но без проба, не знам какво ще стане.
Детето
- специалист
- Мнения: 326
пет яну 06, 2023 10:01 pmabcdefghijklmnopqrstuvwxz написа: Без да откачиш кабелите, не знам дали някой ще може да каже.Ок, ще опитам. Защото от няколко дни съм го оставил да работи и в гаража е 26градуса. Ако не ще го вържа към някакъв термостат който да спира нещо.
Има голяма вероятност да не търси външното.
По спомен този модел мисля се продаваше като конвенционален, но се държеше като инвертор.
Съмнява ме да стане контрола по температура.
Но без проба, не знам какво ще стане.
Тема "Климатик свързан към парното" | Включи се в дискусията:
Сподели форума:
Бъди информиран. Следвай "Направи сам" във Facebook:
Намери изпълнител и вдъхновения за дома. Следвай MaistorPlus във Facebook:
Имаш нужда от подходящ професионалист за дома?
- Преустройство, ремонт и реновиране
- ↳ Вашите ремонти
- ↳ Кухня
- ↳ Баня
- ↳ Дневна
- ↳ Спалня
- ↳ Детска
- ↳ Градина
- ↳ Коридор
- ↳ Тераса и балкон
- Направи сам
- ↳ Направи сам
- ↳ Ремонтирай сам
- ↳ Къде е по-евтино?
- ↳ Дърводелство
- ↳ Ел. инструменти
- ↳ Металообработване
- ↳ Конкурс "Направи сам 2012"
- Строителство
- ↳ Всичко за вилата
- ↳ Къщи
- ↳ Саниране
- ↳ Хидроизолация
- ↳ Пасивни и нискоенергийни сгради
- Сухо строителство
- ↳ Окачени тавани
- ↳ Преградни стени и предстенни обшивки
- ↳ Сухи и повдигнати подове
- ↳ Декоративни елементи - колони, трегери, сводове и др.
- ↳ Всичко за гипскартона и гипсфазера
- Въпроси и Отговори
- ↳ Полезни съвети
- ↳ Автомобили
- ↳ Партньори
- ↳ Боядисване и Декориране
- ↳ Вентилация, климатици и термопомпи
- ↳ Водоснабдяване и канализация.
- ↳ Всичко за ремонта
- ↳ Електротехника
- ↳ Отопление
- ↳ Газификация
- ↳ Електроника и Схеми
- ↳ Газобетон
- ↳ От всичко по малко
- ↳ Компютри и периферия
- ↳ Уеб дизайн, PHP, MySQL, JavaScript, HTML..
- ↳ Мобилни устройства, GSM-и
- ↳ Нека се запознаем
- ↳ Recycle Bin
- Статии
- ↳ Практични решения
- ↳ Качване на снимки
- ↳ Какви статии искате?
- ↳ Готварство, туршии и зимнина
- ↳ Отмора и шеги
- ↳ От нищо нещо
- ↳ Не е за вярване
- ↳ Литература
- ↳ Връзки към Интересни сайтове
- Магазин
- ↳ Препоръки и Мнения за он-лайн магазина
- ↳ Крадeни инструменти !!!