Място за идеи и желания за проектиране и изработка на готови проекти.
sstefanov - майстор
Хайде малко да пораздвижим темата с видео от хора, които си имат понятие от материята:
MamaMy - майстор
Има ли смисъл да правим платки след като някой беше пуснал линк към Алиекспрес с готови платки за инвертори на смешни цени. Само елементите да тръгнеш да купуваш и ще излезе в пъти по-скъпо. :?
raim433 - напреднал
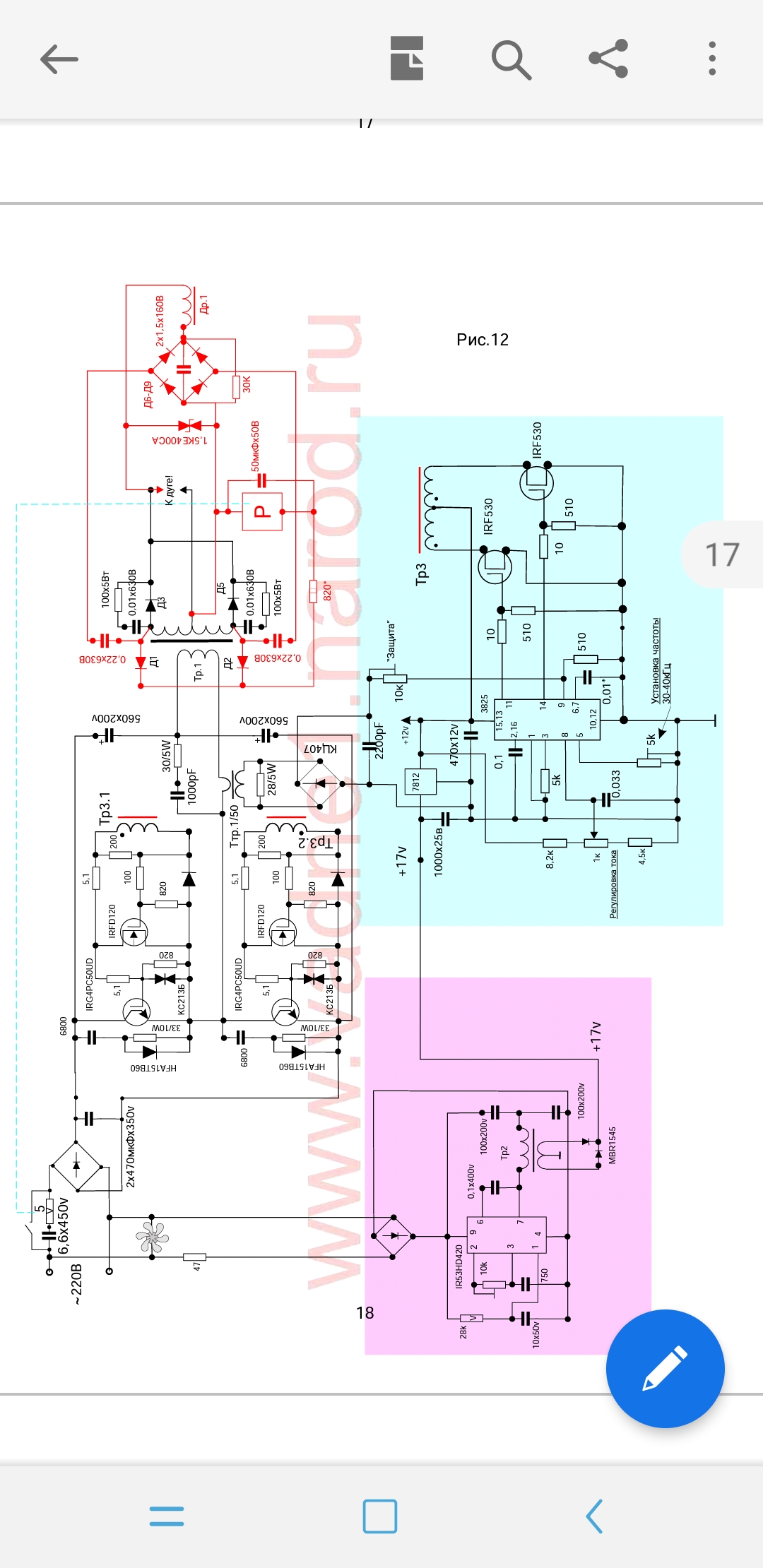
Здравейте. Можели малко помощ колеги. За полумост траф Е65 първична 10намотки 2.5мм плосък проводник а вторична 3x3 10мм/многожилен. С Т.Т Обратна връзка за защитат. И проблема е следния, всичко си тръгва нормално на празен ход 45в обаче тока много малък 20А при заваряне.
Честота 50кХц.
Последна промяна от raim433 на пет юни 10, 2022 3:27 pm, променено общо 1 път.
raim433 - напреднал
Прикачен файл:
Screenshot_20220523-100649_Adobe Acrobat.jpg

Това е схемата която ползвам
АБВ потребител - специалист
пет юни 10, 2022 3:01 pmraim433 написа:
Screenshot_20220523-100649_Adobe Acrobat.jpg
Това е схемата която ползвам
Колега, променяй стойноста на шунтиращия резистор с 5 ома , като започнеш от малко по голяма стойност ,към по малка, и измервай първичния ток при заварка. Ако не влияе на тока , не е от защитата. С това ниско напрежение дъгата постоянно ще ти прекъсва,дори и тока да е по голям. Има и друго. С намалянето на вторичното напрежение се ограничава и мощноста в първичната страна, тоест трансформатора сам си ограничава заваръчния ток вече. Като тока на късо пак е висок. Защо не нави трансформатора както е даден, даже трябва да го направиш първична 8 , вторична 2х3, тогава ще ти работи добре. Друго може да пробваш, да свалиш честотата, докато трафа почне да шуми на празен ход и после леко вдигаш докато спре. И пак следиш първичния ток, при заварка. Ако не влияе на него и това, не е правилно навит трафа, това е причината. :)
АБВ потребител - специалист
Ти сигурно си го направил вече, и пердашиш някакви конструкции , а ние чакаме да видим стана ли нещо. :)
gogo7777 - майстор
Виждам, че скучаеш.......я дай някаква идея как да накарам Кракра-та да запее в по-бърз ритъм. :)
АБВ потребител - специалист
вт юли 05, 2022 8:05 pmgogo7777 написа:
Виждам, че скучаеш.......я дай някаква идея как да накарам Кракра-та да запее в по-бърз ритъм. :)
Какво имаш предвид под бърз ритъм?? Напрежението ли искаш да вдигнеш?? :) С вдигането на напрежението на празен ход ,ще се увеличи и мощноста от първичната страна на трафа, демек ще лапа малко повече ток, но пък стабилноста на дъгата и паленето на електрода ще се подобрят.Донавиваш вторичната ,ако има място до 62-65 волта на празен ход. :) Да скучая няма как, днес свърших един навес 10х4 метра. :) Като вдигнеш напрежението,може да сложиш изправител и дросел. Друго какво да направиш на този траф. :wink:
Една проста сметка показва, че ако навиеш още 10 навивки на вторичната намотка, ще имаш на последната степен 65 волта, а на другите степени 61 волта напрежение на празен ход. Това обаче ще вдигне и мощноста на трафа, поне с един киловат, и ще нагрява малко повече проводника . Ще трябва и вентилатор.
gogo7777 - майстор
вт юли 05, 2022 9:17 pmАБВ потребител написа:

Какво имаш предвид под бърз ритъм??......
Ами тока да минава по-често през нула. :)
АБВ потребител - специалист
ср юли 06, 2022 9:55 amgogo7777 написа:
вт юли 05, 2022 9:17 pmАБВ потребител написа:

Какво имаш предвид под бърз ритъм??......
Ами тока да минава по-често през нула. :)
Ами става, но е голяма занимавка, и трябва да си струва. :yawinkle:
На 1 килохерц ли беше?? Но ако искаш и тока да се регулира, няма да е хич просто. :) Материала за сърцевината е проблем, другото ще го натъкмим.

Тема "Изработка на инверторен електрожен" | Включи се в дискусията:


Сподели форума:

Бъди информиран. Следвай "Направи сам" във Facebook:

Намери изпълнител и вдъхновения за дома. Следвай MaistorPlus във Facebook: