Здравейте колеги,преди 2 години си направих пелетна горелка с помощта на хора от форума.За което съм много благодарен.котела е стар самоделен правен от баща ми,преди това са горени донбаски въглища.През изминалия отоплителен сезон се отопляхме на пелети.Забелязах,че в най студените дни температурата на котела достигаше 52 градуса.В по топло време (около0 градуса) трябваше да пали горелката 2 пъти на ден.И бях решил да сложа нагреватели за по топло време.Но се зачетох в раздела отопление и реших да си направя термопомпа самоделка.Която да отопля до към 0 градуса,а при отрицателните температури ще паля котела.въпроса ми е кой е бюджетен вариант за комбинация ТО и климатик.Доколкото разбрах ТО-Kaori К105-30 пластини и инвертор Gree 24-ка.Или да взема марков инвертор втора ръка?![Изображение]()
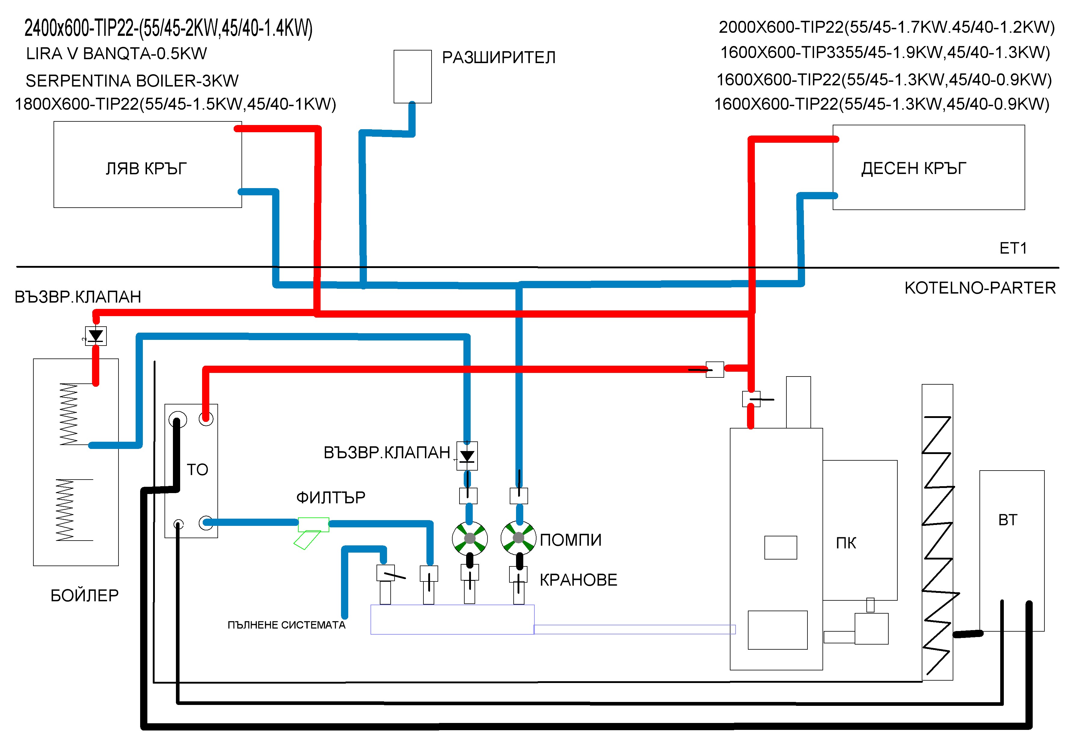
Нарисувах набързо схемата.Ако трябва да преправя нещо от нея помагайте ;)
Нарисувах набързо схемата.Ако трябва да преправя нещо от нея помагайте ;)
