• 1
  • 12
  • 13
  • 14
  • 15
  • 16
  • 17
От мобилни телефони до цифрови камери
Fredfred7171 - специалист
съб мар 30, 2024 10:29 amgogo7777 написа:
Така няма ли да стане......

20240330_102604.jpg
И аз това питах, дали няма да стане с Lm317, защото имам едно такова чипче..но ми отговориха че тока на стабилизация е по-висок или нещо такова, тоест ще е грубо за часовник, който дърпа много малко ток и на импулси..
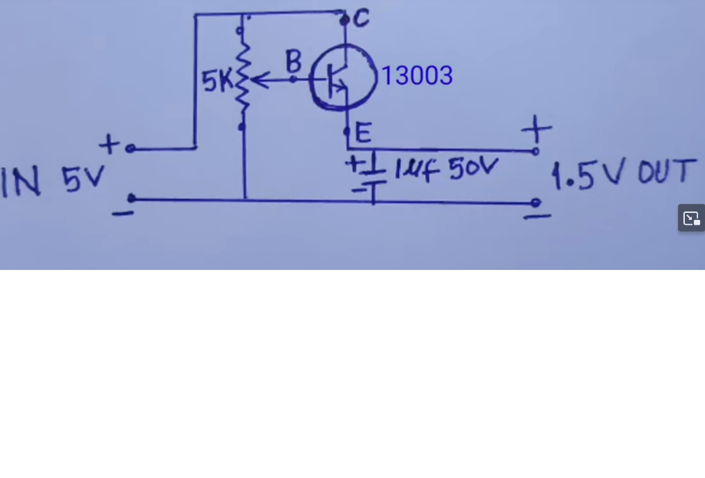
Тук преди това petromania казва с транзистор и тук ще приложа една схема дето постнах, но не и се обърна внимание, незная дали е подходяща и тя, но...

Прикачен файл

Схема с транзистор.png
Fredfred7171 - специалист
съб мар 30, 2024 6:46 amESPACE написа:
съб мар 30, 2024 6:16 ampetromaniq66 написа:
Спенс,стига с тез вашите делители делящо закона на ОМ. То си има ред коя жица първо да фнеш.
Аз не съм им почитател(справка третото мнение в темата), ама виждам че питащия сериозно го влекат, а е в тупик.
Обясни това за реда на жиците, че ми стана интересно да науча нещо ново от капацитет в областта.
Аз понеже съм начинаеш, затова избрах с делител не че ме влекат, стори ми се по-просто като за мен, не че с транзистора немога да го свържа.., в един пост преди това питах за една такава схема и тук сега накрая я постнах отново щото не и се обърна много внимание, тук всички тръгнаха да ме плюят колко съм невеж, еди кво си, нека съм невеж..но мен ми е интересно да науча нещо...питах тука в тази схема транзистора за какво е по напрежение ли усилва или по ток и така.. Е схема обща база-усилва по напрежение..но иначе какво ще помогне спрямо делителя е друг въпрос..това е по-модерния начин сигурно, тук пак има делител, но той регулира напрежението през базата и колектора и съответно се получава такова предполагам на изхода, но нали има усилване на напрежение по тази схема, тогава на делителя не трябва ли да е зададено по- малко за да се получи на изхода 1.5v?
hidrazin - майстор
нед мар 17, 2024 12:46 pmFredfred7171 написа:
Ето тук са показани варианти, и с това да приключа темата..че верно стана за дипломна работа..
https://www.eleccircuit.com/usb-battery ... -by-lm317/
Ми хайде де? Какво чакаш? Темата е приключила още някъде тук.
Ако не можеш сам - намери си някой който да ти запои ТРИ елемента на кръст.
И да се приключва че скоро такъв цирк не бях виждал...
:partyman:
Fredfred7171 - специалист
съб мар 30, 2024 12:56 pmhidrazin написа:
нед мар 17, 2024 12:46 pmFredfred7171 написа:
Ето тук са показани варианти, и с това да приключа темата..че верно стана за дипломна работа..
https://www.eleccircuit.com/usb-battery ... -by-lm317/
Ми хайде де? Какво чакаш? Темата е приключила още някъде тук.
Ако не можеш сам - намери си някой който да ти запои ТРИ елемента на кръст.
И да се приключва че скоро такъв цирк не бях виждал...
:partyman:
Може да стане и сапунен сериал..турски
Fredfred7171 - специалист
съб мар 30, 2024 6:07 amESPACE написа:
пон мар 25, 2024 11:20 pmFredfred7171 написа:
пон мар 18, 2024 11:07 pmiliya_i написа:
Искам да кажа: направи си делител с 2 резистора (3300 ома и 1500 ома) и не се занимавай със стабилизатори. захранвани от стабилизирано захранване. Загубите, дето толкова те плашат, са същите както при стабилизатора и не надвишават 2 стотинки на месец.
Здравей Илия, направих така делител, извадих 1,6v но не тръгва тока е 1-2mA, някъде толкова би трябвало да му стига и на часовника, но нещо май минава само през делителя, не съм наясно, но иначе с трансформатор като извадя 2 волта с грец и кондензатор тръгва..??
Намали стойностите на съпротивленията в този делител. Пробвай там с нещо като 1000/ 470ома и 470/220ома.
Ама аз мога и със съотношение 350/150 ще има 10mA така..да му е по силен тока да си похапва, майтап си правя, той пак ще си дърпа 1-2 mА, но може да се забърза, знам ли, но по интересно е с транзистор ..Благодаря за коментара и предложението!!
Последна промяна от Fredfred7171 на съб мар 30, 2024 1:33 pm, променено общо 1 път.
hidrazin - майстор
съб мар 30, 2024 1:19 pmFredfred7171 написа:
Може да стане и сапунен сериал..турски
Ти отдавна го направи.
:partyman:
ivanovbg - майстор
съб мар 30, 2024 12:32 pmFredfred7171 написа:
съб мар 30, 2024 10:29 amgogo7777 написа:
Така няма ли да стане......

20240330_102604.jpg
И аз това питах, дали няма да стане с Lm317, защото имам едно такова чипче..но ми отговориха че тока на стабилизация е по-висок или нещо такова, тоест ще е грубо за часовник, който дърпа много малко ток и на импулси..
Тук преди това petromania казва с транзистор и тук ще приложа една схема дето постнах, но не и се обърна внимание, незная дали е подходяща и тя, но...
Подходяща е. Нагласи потенциометъра на 2,1в и приключвай темата.
Колкото до другите ти тъпи въпроси, запомни: Не е нужно да знаеш всички биологични процеси в растенията за да отгледаш цвете в саксия! Просто сглобяваш: саксията, земята и разсада и само поливаш!.
Fredfred7171 - специалист
съб мар 30, 2024 1:37 pmivanovbg написа:
съб мар 30, 2024 12:32 pmFredfred7171 написа:
съб мар 30, 2024 10:29 amgogo7777 написа:
Така няма ли да стане......

20240330_102604.jpg
И аз това питах, дали няма да стане с Lm317, защото имам едно такова чипче..но ми отговориха че тока на стабилизация е по-висок или нещо такова, тоест ще е грубо за часовник, който дърпа много малко ток и на импулси..
Тук преди това petromania казва с транзистор и тук ще приложа една схема дето постнах, но не и се обърна внимание, незная дали е подходяща и тя, но...
Подходяща е. Нагласи потенциометъра на 2,1в и приключвай темата.
Колкото до другите ти тъпи въпроси, запомни: Не е нужно да знаеш всички биологични процеси в растенията за да отгледаш цвете в саксия! Просто сглобяваш: саксията, земята и разсада и само поливаш!.
Много ви пречи темата..май и кво ви пречи..аз по- долу попитах за схемата с транзистора..това за Lm317 може би става, но да бързам да запоявам че Хидразин много зор ми дава..да се науча да запоявам че май това е основното..
Fredfred7171 - специалист
съб мар 30, 2024 1:45 pmFredfred7171 написа:
съб мар 30, 2024 1:37 pmivanovbg написа:
съб мар 30, 2024 12:32 pmFredfred7171 написа:


И аз това питах, дали няма да стане с Lm317, защото имам едно такова чипче..но ми отговориха че тока на стабилизация е по-висок или нещо такова, тоест ще е грубо за часовник, който дърпа много малко ток и на импулси..
Тук преди това petromania казва с транзистор и тук ще приложа една схема дето постнах, но не и се обърна внимание, незная дали е подходяща и тя, но...
Подходяща е. Нагласи потенциометъра на 2,1в и приключвай темата.
Колкото до другите ти тъпи въпроси, запомни: Не е нужно да знаеш всички биологични процеси в растенията за да отгледаш цвете в саксия! Просто сглобяваш: саксията, земята и разсада и само поливаш!.
Много ви пречи темата..май и кво ви пречи..аз по- долу попитах за схемата с транзистора..това за Lm317 може би става, но да бързам да запоявам че Хидразин много зор ми дава..да се науча да запоявам че май това е основното..
Тука виждам цитат за Lm317 по схемата която е дал колегата там няма дколкото виждам потенциометър, освен ако не казваш за схемата с транзистора, но цитираш за Lm317, но както и да е няма да пиша повече, ще си пробвам там да видя каквото стане и с двата варианта когато имам време пък ще напиша отзиви..и благодаря за "Отношението"
batkoce - специалист
Тъй като вече темата стана сапунен сериал, да дам и аз някои варианти.
Не съм прочел всички мнения и е възможно някой да е предложил подобни решения. Това, което давам, са идеи в суров вид, измислени набързо.

Стойностите на резистори и кондензатори могат да се променят в широки граници. За начало:

R1=1 килоом
R2=1 до 100 ома
С1=С2=1000 микрофарада
Диодите са произволни, силициеви. Може вместо с три диода, да пробваме и само с два...
Схемата с транзистора считам за неподходяща.

Прикачен файл

Часовник.JPG
Часовник.JPG (55.25 KиБ) Видяна 2034 пъти
  • 1
  • 12
  • 13
  • 14
  • 15
  • 16
  • 17

Тема "Здравейте, искам да направя от адаптер за телефон, захранване за стенен часовник!!" | Включи се в дискусията:


Сподели форума:

Бъди информиран. Следвай "Направи сам" във Facebook:

Намери изпълнител и вдъхновения за дома. Следвай MaistorPlus във Facebook: