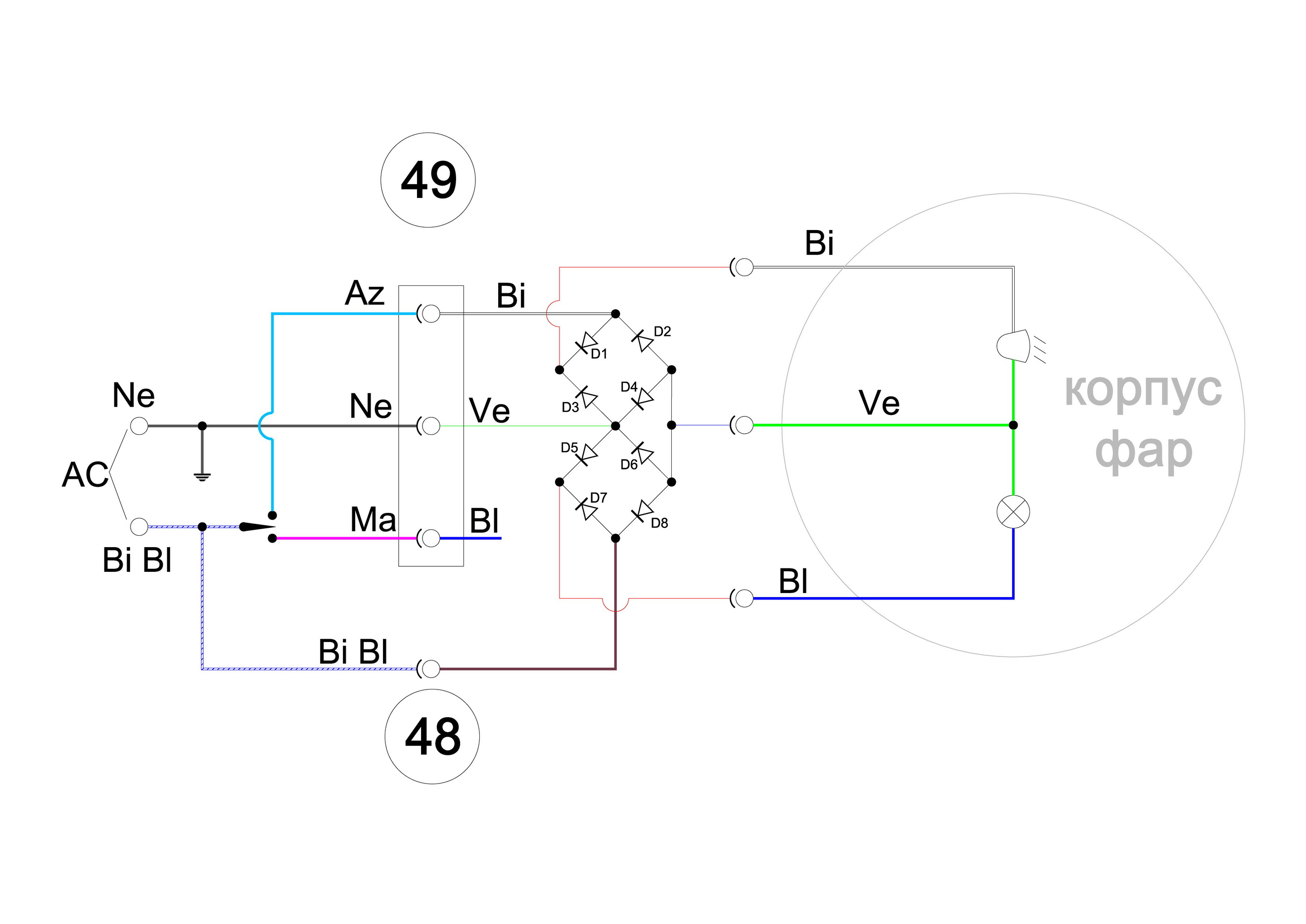
Аз даже май сложих по-големи от колкото ми трябваха или поне така си мисля.
Реално слагам 1x 25V 2200uF и 1x 25V 1000uF. Слагам два, защото докато четох различни статии попаднах на информация, че два кондензатора изправят повече кривата на напрежението спрямо единия. С един 25V 1000uF, имах леееки трептения на основната светлина, а с тази комплектация всичко изглеждаше доста стабилно, без трептения.
Амааа завършвам сагата, кондензаторите да са ми проблема
Реално слагам 1x 25V 2200uF и 1x 25V 1000uF. Слагам два, защото докато четох различни статии попаднах на информация, че два кондензатора изправят повече кривата на напрежението спрямо единия. С един 25V 1000uF, имах леееки трептения на основната светлина, а с тази комплектация всичко изглеждаше доста стабилно, без трептения.
Амааа завършвам сагата, кондензаторите да са ми проблема