От мобилни телефони до цифрови камери
DMN - майстор
MamaMy написа:
Съмнява ме китаеца да има всичко. Той трябва да има...
Ей затова предпочитам обслужваемите акумулатори. Щото може да зареждаш и с най-простото зарядно.
Там може да отвиеш капачките и да премериш нивото и плътността на електролита на всяка клетка, което за мен е един от основните критерии за поддръжката и състоянието на акумулатора. С тия необслужваемите уж има "око", ама на едната клетка...Нито вода може да долееш, нито нещо да видиш.
MamaMy - майстор
Снимах подробно платката на управлението. Другата платка ще я снимам като го отворя пак за да сложа дисплея.
MamaMy - майстор
Прикачен файл:
IMG_20241227_160214.jpg
hidrazin - майстор
Няма нужда от повече снимки.
Надявах се процесорчето да е с външен кварц и два керамични кондензатора но не е.
В случая използват вътрешен генератор. Иначе кварца трябваше да е на крака 22 и 23.
(няколко пъти съм спасявал със смяна на кварц и/или двата кондензатора дето са по няколко pF )

HT46R066B

Та варианта с кварца/генератора отпада.
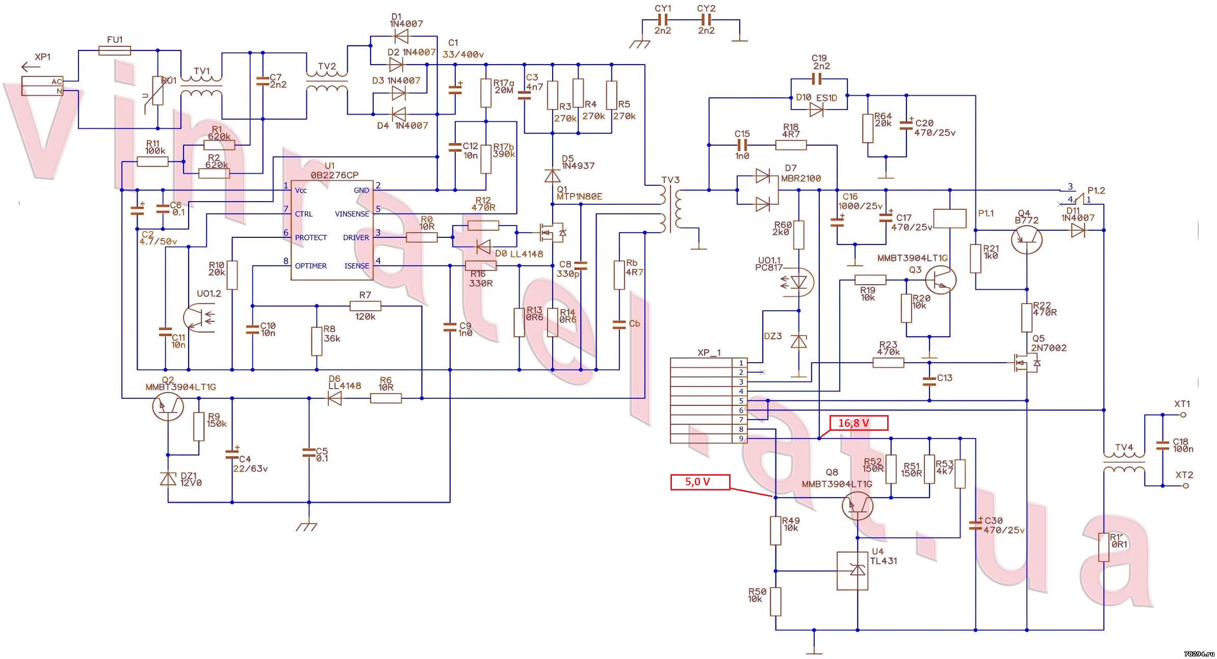
Щом пишеш Q8 е с пробит корпус - това ти е захранването с 5V за платката на дисплея реализирано с тоя транзистор и TL431
Вижда се ясно в долната част на схемата. На колектора на Q8 през два резистора по 150 ома влиза цялото захранване.
Естествено на колектора трябва да има 5V който през пин 8 на лентовия кабел да захранва процесора.
По принцип още така както е откачена платката може да провериш дали процесора е здрав.
На пин 8 подаваш от някакво захранване +5 V а на пинове 5 и 7 минус 5V - и на двата.
Ако всичко е наред, то би трябвало дисплея да живне и да показва поне НЕЩО.
Нататък е ясно - възстановяване на онези 5 волта. Как? Ти си решаваш... :)

Прикачен файл:
991.jpg
Прикачен файл:
992.jpg

Разбира се като захраниш платката и ако нищо не се случи, може да провериш дали ходи захранване на процесора.
Според описанието трябва да на 20-ти крак на процесора.
Успех и дано имаш късмет!
:partyman:
P.S. При тая проба би трябвало да не ти трябват онези 16,8V
Те би трябвало да са само за захранване на операционния усилвател LM324 и за измерване на напрежението...
MamaMy - майстор
Дори да тръгне тази платка, аз ще си го оставя както е в момента. Ученото зарядно явно е тъпо щом не помни до къде е стигнало при отпадане на захранването и при положение, че АБ не е разкачвана. Щом трябва всеки път да го стартирам ръчно не ми върши работа. Една проста хлебопекарна помни до час и половина къде е стигнала и като дойде тока кротко си продължава. Ясно ви е кое е по-умно. Ако дойде ден да скучая мога да си поиграя от спортна злоба. Ако някой го иска, подарявам му го.
нед дек 29, 2024 8:30 pmMamaMy написа:
..... Една проста хлебопекарна помни до час и половина къде е стигнала и като дойде тока кротко си продължава. Ясно ви е кое е по-умно...
Десет минути помни хлебопекарна. От повече няма нужда- хляба не чака.
Е, пак е по умна от лидловото. Имам стария модел.
hidrazin - майстор
нед дек 29, 2024 8:30 pmMamaMy написа:
Дори да тръгне тази платка, аз ще си го оставя както е в момента.
Е Убаво де. Ти си решаваш...
Ма поне на платката с дисплея пусни едно 5V - за спортна злоба и да не ми е напразно ровенето/писането...
Пък и ме чопли... :-D
:partyman:
P.S. Айде ще ти опростя и една бутилка водка. :rock:
MamaMy - майстор
нед дек 29, 2024 9:54 pmhidrazin написа:
Ма поне на платката с дисплея пусни едно 5V - за спортна злоба и да не ми е напразно ровенето/писането...
Пък и ме чопли... :-D
:partyman:
P.S. Айде ще ти опростя и една бутилка водка. :rock:
Ще ти пратя платката заедно с водката. Аз тази водка какво да я правя? Покрай мен никой не пие водка, а за разтривка е слаба (имитиращ продукт) :razz:
hidrazin - майстор
нед дек 29, 2024 10:11 pmMamaMy написа:
Ще ти пратя платката заедно с водката.
Хич и не ми трябват. Още една платка при други в кашони/чували.
За водката - вече казах. Когато мина. Да отлежава.
:partyman:

Тема "Автомобилно зарядно от Лидъл - схема?" | Включи се в дискусията:


Сподели форума:

Бъди информиран. Следвай "Направи сам" във Facebook:

Намери изпълнител и вдъхновения за дома. Следвай MaistorPlus във Facebook: