• 1
  • 2
Всичко свързано с тоците ми е слабост, опитайте се да ме затрудните.
Bobinyor85 - помощник
Здравейте! Предстои ми преработване на 2 табла за управление на електромотори. Таблата са за 8-10 мотора, но ще се сменя всичко,бутони, окабеляване,контактори,защити и ще се добавят АП'та за всеки мотор поотделно,защото освен главния няма нито един друг предпазител. Някой занимавал ли се е с такава работа че да ме ориентира долу горе какви пари мога да му искам. На работа правим такива табла,обаче това е частна работа и не мога преценя какво да му взема на човека за труд :? Цена само за труд,без материали. Няма електроника в тях,освен честотни управления по 1 на табло. Благодаря предварително,Приятен ден!!!
batkoce - специалист
Не е лесно да се отговори на такъв въпрос. Аз постоянно правя такива неща и пак нямам някаква общовалидна методика за определяне на цена. Клиентите са различни и условията са различни. Освен това, във въпроса се съдържа малко информация. "Осем-десет мотора" може да означава всичко...
Bobinyor85 - помощник
нед мар 29, 2026 6:15 pmbatkoce написа:
Не е лесно да се отговори на такъв въпрос. Аз постоянно правя такива неща и пак нямам някаква общовалидна методика за определяне на цена. Клиентите са различни и условията са различни. Освен това, във въпроса се съдържа малко информация. "Осем-десет мотора" може да означава всичко...
В смисъл :? На всеки мотор ще се сменя Бутон пуск-стоп,контактори,моторна защита, окабеляване цялостно(оперативно,силово)+ допълнителен монтаж на АП'та за всеки мотор поотделно!
MamaMy - майстор
2,50€ на сменен или добавен елемент. За опроводяване 0,5€ на метър.

Изсмуках си ги от пръстите, но мисля, че са справедливи.
Едни електричари застреляха приятел с цена за домашна инсталация още преди 10 години. За сравнително елементарна инсталация на едно преустроено мазе с негови материали му поискаха 6лв на точка. За точка броят всеки ключ, контакт, лампен излаз, предпазител и кутия.
batkoce - специалист
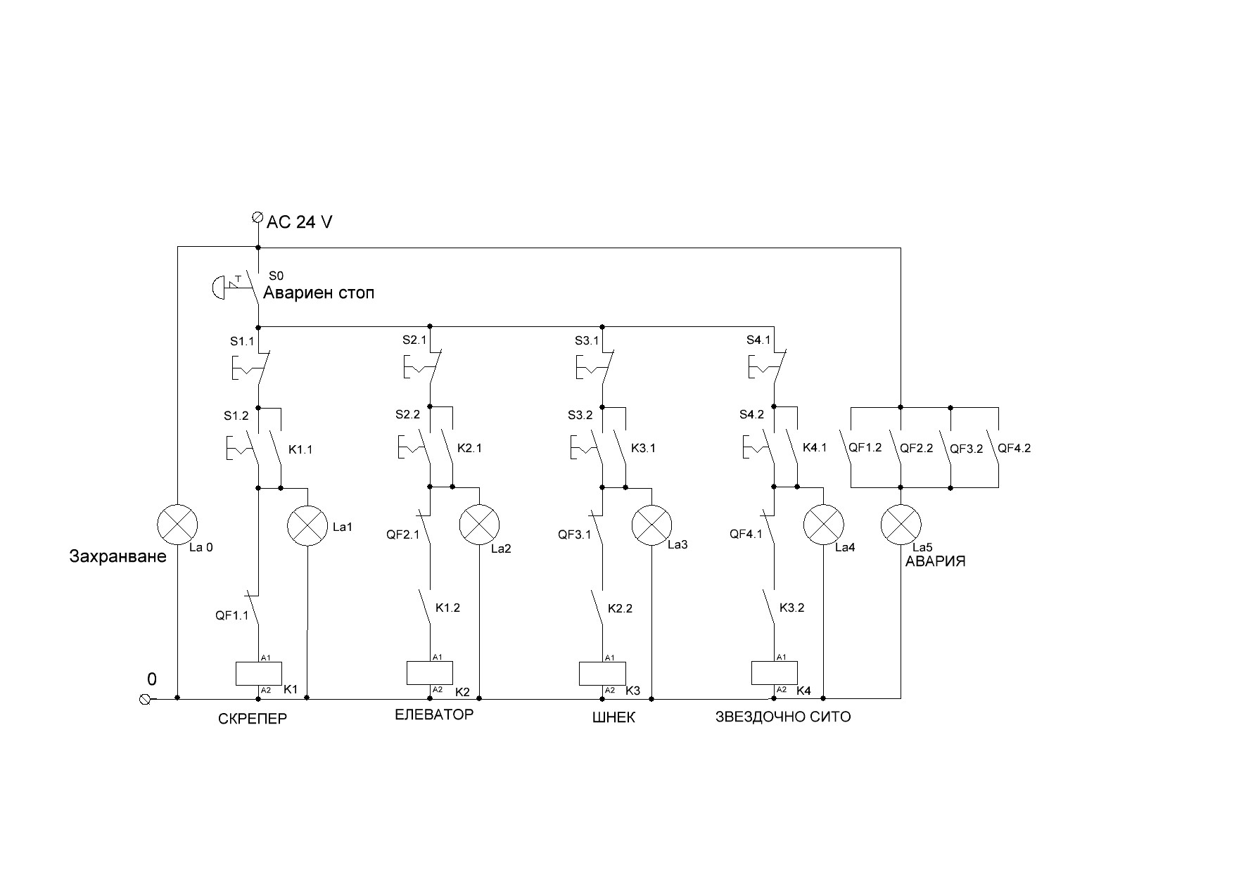
Последното табло, което монтирахме миналата седмица:
=демонтаж на старите неща от таблото
=монтаж на:
-четири моторни защити
-четири контактора
-четири групи бутони пуск-стоп с лампи на пусковите бутони
-авариен бутон
-пакетен ключ
-две сигнални лампи
-четири редови клеми и нулева шина
-три монофазни предпазители
-трансформатор
=опроводяване
=монтаж на място и опроводяване на два от двигателите
=изготвяне на схема и надписи
=друга дребна услуга, извън тази задача

За всичко това поисках на конкретния клиент 240 евро. На друг клиент цената нямаше да е същата...

Прикачен файл

IMG_0068.jpg

Прикачен файл

IMG_0067.jpg

Прикачен файл

проект1.JPG
проект1.JPG (116.58 KиБ) Видяна 757 пъти

Прикачен файл

проект.JPG
проект.JPG (89.36 KиБ) Видяна 757 пъти
Bobinyor85 - помощник
пон мар 30, 2026 10:45 ambatkoce написа:
Последното табло, което монтирахме миналата седмица:
=демонтаж на старите неща от таблото
=монтаж на:
-четири моторни защити
-четири контактора
-четири групи бутони пуск-стоп с лампи на пусковите бутони
-авариен бутон
-пакетен ключ
-две сигнални лампи
-четири редови клеми и нулева шина
-три монофазни предпазители
-трансформатор
=опроводяване
=монтаж на място и опроводяване на два от двигателите
=изготвяне на схема и надписи
=друга дребна услуга, извън тази задача

За всичко това поисках на конкретния клиент 240 евро. На друг клиент цената нямаше да е същата...
Благодаря за бързия отговор! И аз някъде към 300€ мислех да му взема :)
mika - специалист
пон мар 30, 2026 9:54 amMamaMy написа:
За точка броят всеки ключ, контакт, лампен излаз, предпазител и кутия.
Никога не съм разбирал що за разценка е тази "точка" и за какво точно се плаща.
MamaMy - майстор
Тази цена е някаква усреднена защото включва и копането на канали и отвори за всички кутии и табло, опъване на кабели, монтаж кутии, контакти и др. Разстоянията са различни. Най-близкия до таблото ключ е на един метър, но има и кабели минаващи по коридора и обикалящи две помещения. Вярно, че са малки, но си е труд. Никой няма да го свърши безплатно. Принципа явно е колкото по-сложна е инсталацията, толкова по-висока става цената.
Baлepu - специалист
От клиент се взима ... кой колкото може. За приятел цената е една. Тук приятел също е съвсем условно. За беден - втора, за богат - трета. "На частно" (лично, между другото ...) може за едни пари. Но през фирма - няма как да е за същите пари. А има и случаи за безплатно. Например - поддръжка съм. Тия дни (между другото) ще преправям 16 табла да включват групи консуматори (основно осветление) със седмичен таймер плюс с опция за ръчно. Не можах да убедя ръководството, че "не е редно" да го правя току-така. Небрежно ми подсказаха, че алтернативата е ... да си ходя. А общо взето съм доволен от работата си. Ще трябва да го преживея. :cool:
hidrazin - майстор
По принцип не мислех да пиша защото темата въобще не е за форума... Даже е нежелателна.
Но пък какво от това? Та моите "наблюедния"...

През годините съм пробвал какви ли не методи на сметки - на точка, на линеен метър, на бАшон, на табло (апартаментно в зависимост от позициите), на "луничка" или какво ли не.
Даже седнах с колегите и смятахме ... оказа се елементарно.

За масови инсталации се оказа че е достатъчно да ... си определиш "НАДНИК".
Смятано за къща, апартамент и даже за ел. при фотоволтаици.
Примерно ако си "сметнеш" надник от 100 ЛевРо излиза същото ако го разбиеш на точки, линеен метър, кутии...
Защо? Ами защото монтажник Х за един работен ден може да свърши само работа Y която струва Z ЛевРа.

Демек към днешно време и "надник" 100 ЛевРа нещата се връзват като МИНИМУМ.
Стига да няма извратени изисквания/ситуации/усложнения/затруднения...
Та те така...
:partyman:
  • 1
  • 2

Тема "Табло за управление" | Включи се в дискусията:


Сподели форума:

Бъди информиран. Следвай "Направи сам" във Facebook:

Намери изпълнител и вдъхновения за дома. Следвай MaistorPlus във Facebook: