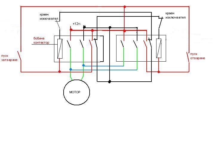
ето примерна схема,оперативната верига е също на 12 волта

версия бета.JPG (31.14 KиБ) Видяна 3994 пъти
това е за ръчно управление
Прикачен файл:
версия бета.JPG (31.14 KиБ) Видяна 3994 пъти
