От мобилни телефони до цифрови камери
unax - помощник
Здравейте имам да правя семестриален проект по аналогова схемотехника по задание. Искам да направя изчисленията и ако ми остане време да се опитам да я реализирам и на практика, но има неща който не са ми ясни. Ще се радвам на малко помощ от ваша страна при добро желание
hidrazin - майстор
Дай да видим първо какво ти е ясно. :shock:
Като закъсаш някъде ще помагаме.И има едни такива неща дето им се вика учебници, наръчници и подобни.
Хич не е лошо да вземеш да видиш какво има вътре.
:partyman:
a_anastassov - специалист
unax написа:
Здравейте имам да правя семестриален проект по аналогова схемотехника по задание. Искам да направя изчисленията
Колега,
Какво ще изчислявате ? Какво е заданието ? НЕ сте дали никакви параметри. НЕ сме ясновидци.
unax - помощник
Усилвател на мощност с ИС

изходни данни:
Po = 5.4 W ; Ug = 1,5 mV и вход от радио; Rl = 2 X 4 OM ;
fb = 50Hz; fh = 18 kHz; Mb = Mh = -2 dB; Ucc = 12 V;
тонкоректор и регулатор на усилването.


предварителни изчисления:

Eg(mic) = Ug(mic) = 1,5 mV; Rg(mic) = 400 OM

Eg(radio) = Ug(radio) = 0,3 V; Rg(radio) = 3 kOM

Ug(radio)/Ug(mic) = 0,3V/1,5 mV = 200 пъти - трябва да се усили микрофонни я сигнал. т.е трябва да има 2 микрофонни усилвателя.

Po = Pl/n това може ли да е равно на Pl = Po/n = 5,4/0.7 = 7,71

Pi = Eg^2/4Rg = (1,5.10^-3)^2/4.400 = 1,41.10^-9 (това е за микрофона)
Pi = Eg^2/4Rg = (0,3)^2/4.3000 = 7,5.10^-6(това е за радио)

Ap(mic) = 10lg Po/Pi = 5,4/1,4.10^-9 = 90 dB
Ap(radio) = 5,4/7,5.10^-6 = 50 dB

Ap np(mic) = 90 - 30 + 10 = 70 dB (2 бр. микрофонни пред усилвтели)
Ap np (radio) = 50 - 30 + 10 = 30 dB (това не съм много сигурен че трябва да се смята)

n(mic) = 70/30 = 2 (2 бр. микрофонни пред усилвтели)
n(radio) = 30/30 = 1

Rl = Ucc^2/ 8.Po = 12^2/8 . 5,4 = 3,33 OM
Rl = R1.R2/R1+R2 = 2 OM (това е най-близкото до получената стойност 3,33)

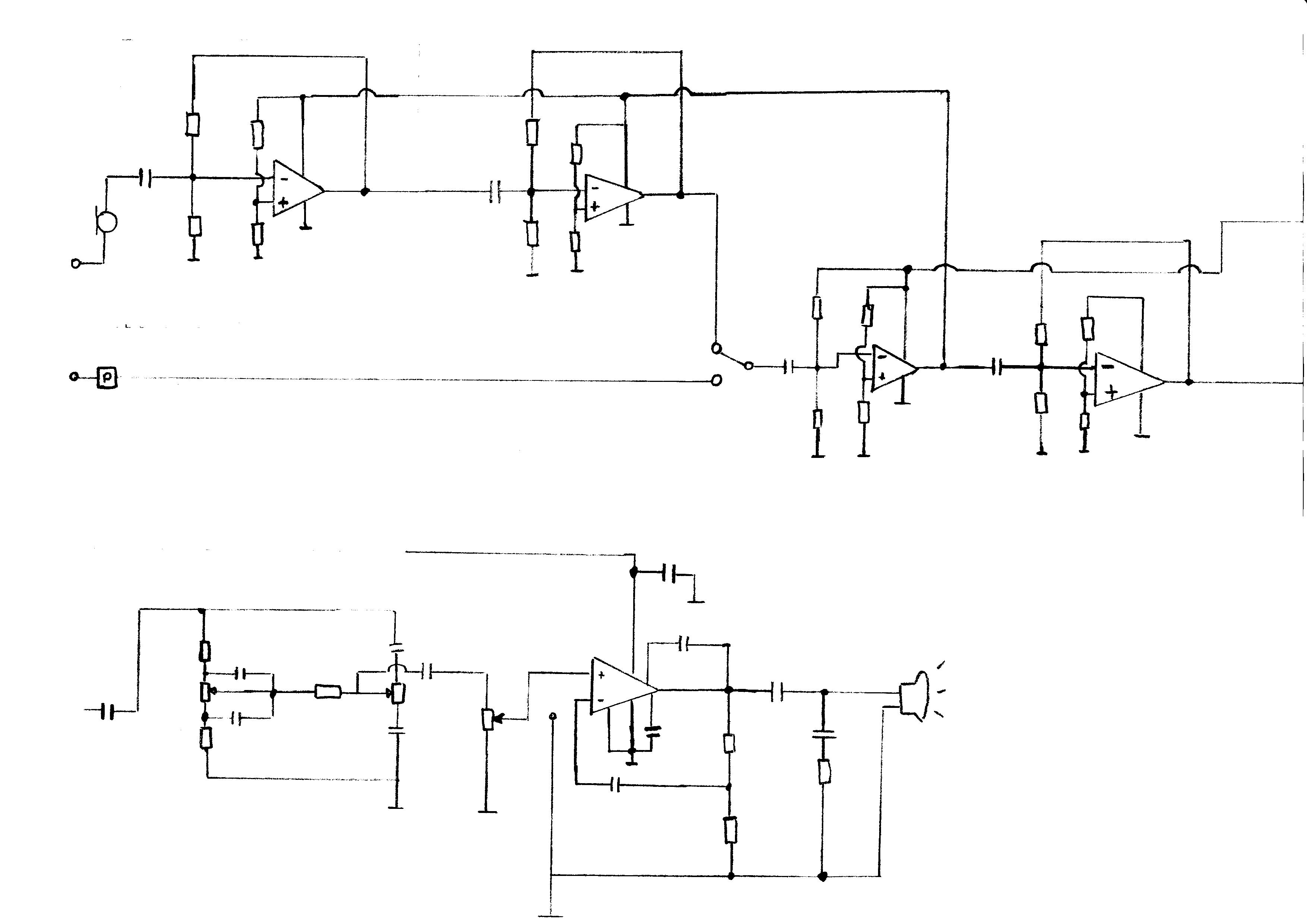
До тук вярно ли е? Ако не къде ми е грешката? и начертаната схема вярна ли е и тя ?
избрал съм ИС ТДА 1910

Прикачен файл

Save0020.JPG

Тема "Усилвател на мощност с интегрална схема" | Включи се в дискусията:


Сподели форума:

Бъди информиран. Следвай "Направи сам" във Facebook:

Намери изпълнител и вдъхновения за дома. Следвай MaistorPlus във Facebook: