Всичко свързано с тоците ми е слабост, опитайте се да ме затрудните.
sstefanov - майстор
Ако е на импулси, токът през диодите трябва да е по-голям. така че ефективната стойност да е 100 mA. Т.е. ако коефициентът на запълване е 0,1, резисторите за всяка група диоди трябва да се смятат за 1А.
Този транзистор на схемата е слаб. Препоръчвам да използваш мощен MOS транзистор с минимално съпротивление на канала.

Всички тези неща са за да станат диодите малко по-ефективни.
Най-простата и лесна схема е групи по например 6 диода и резистор 30 ома, включени към 12 волтовото захранване. Нищо повече не им трябва, за да светят.
monti_2003 - помощник
ами как смятате, за време на работа 20ms и толкова да почива, дали ще грее, дали му трябва по голяма почивка..?
На мен идеята ми беше точно 100mA но ме е страх да на изгорят. Свързването на диодите пак ли трябва да са по 4, както в схемата или може 6 с различно съпротивление и какво да е то за да получават 100mA. Дайте съвет какъв транзистор да използвам за свързването на всички светодиоди. За тези готовите съм ги виждал на клип в youtube, но светят в точка на разстояние, не са хубави, а за другите са малко непосилни за мен в този момент.
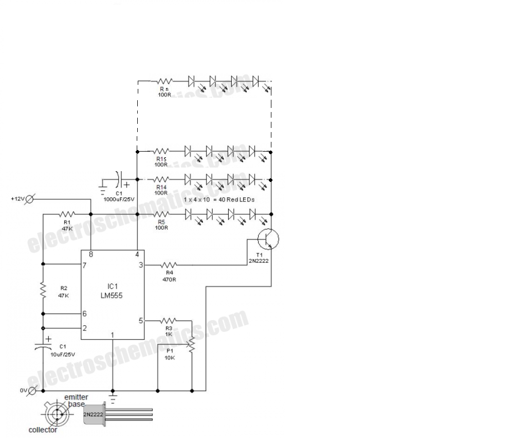
Схемата на свързване на останалите светодиоди така ли ще изглежда:

Това са характеристиките на първата схема с Jumper 1-6, но няма конкретно за 25Hz...

Прикачен файл

settings.gif
settings.gif (5.8 KиБ) Видяна 5194 пъти

Прикачен файл

flashing-led-lights-550x528_.PNG
Последна промяна от monti_2003 на пет яну 25, 2013 12:39 pm, променено общо 1 път.
monti_2003 - помощник
Най-простата и лесна схема е групи по например 6 диода и резистор 30 ома, включени към 12 волтовото захранване. Нищо повече не им трябва, за да светят.
в крайна сметка може и така да направя, така е по-просто...така смятах да направя, докато не срещнах моят познат за който писах по-горе. Не съм сигурен с това увеличение на ефективността колко повече ще е, 1,2,3..5 пъти или пък минимално...за това реших да пиша...
Благодаря за помоща която оказвате :)
sstefanov - майстор
След като в данните им дават 100mA, значи няма да изгорят. Може да са по 6 диода, даже и по 7. Само им сметни резистора.
Ако драйвера е импулсен, прочети пак предишното ми мнение.
Обикновено такива драйвери се правят с малък коефициент на запълване и големи токове, защото така диодите светят по-ефективно.

Като гледам данните, обаче тук ефективността на диода няма да се повиши!
monti_2003 - помощник
Значи по схемата 6+1 ще са...мног благодаря за отговорите...а белите светодиоди, като във повечето фенери при тях дали би се вдигнала ефективността? Говоря за зи на линка по-долу или от белите напълно обикновени:
http://prodavalnik.com/byal-svetodiod-1w-3-6v-i12284413
ivanovbg - майстор
Добре си решил, да не слагаш много електроника. Реално светлината не се увеличава. Мощността на единичния импулс е повече, но като цяло ефекта е слаб. Виж ако ти трябва да покрие разстояние един лъч е друго или ако е синхронизирано с камерата...Но като постоянна осветеност...

Колкото за белите светодиоди - за да работят добре трябва да са запоени на алуминиева платка и после залепени на радиатор. Принципно има готови лунички - за 220 и за 12 волта. Аз такива си сложих на вилата и съм доволен. В края на краищата 4 диода са ти 6 лева, а готово изделие - 10. Не си заслужава мъката да го изработваш - заводското си е заводско и светят много добре.
http://168.bg/index.php?route=product/c ... zAod4TUAAg
monti_2003 - помощник
за белите питах, защото един приятел има светодиоди 1W и ги дава на цена 1лв. Вече се отчаях, докато залепя тези 120 светодиода ми мина мерака за това...
Исках да питам с 30 ома съпротивление какъв ток минава през тях? Аз като смятах е около 6мА, така ли е или бъркам???
monti_2003 - помощник
Здравейте, днес пробвах прожектора и ефекта е нулев. Като го насоча към камерите се вижда осветяване/заслепяване, но като го насоча по посока на камерите няма ефект или по скоро много слаб. На 0.5м като осветя предмет се осветява леко...помагайте да го оправя да има ефект.
п.с. диодите съм ги вързал последователно х 6бр с резистор 30 ома, 12в захранване, до 1А.
hidrazin - майстор
Ами вземи и го премери колко е тока с тия 30 ома. Какъв модел е камерата?
:partyman:
lov - майстор
Ето ти една идейка за подреждане. Ако искаш и някаква оптика можеш да им боднеш. В случая това го започнах точно за една камера но към тях ще има добавен датчик за движение тъй като е само на акумулаторно захранване.
И понеже казваш че се не вижда по горе писах ама май няма кой да чете. Виж си камерата на каква дължина на IR спектъра е чувствителна. Филтъра на матрицата е много строг, В случая съм ползвал диодчета на 940nm. На 850nm имам няколко готови каквито са на повечето камери ама на тази която ще ползвам не стават. Ефекта е точно както ти обясняваш. Виждаш само едни червени точки като ги обърнеш към камерата.
В импулсен режим ще имаш ефект само ако са синхронизирани с камерата. Но на практика няма да е кой знае колко. Дори не си заслужава заигравката.

Прикачен файл

P2280164.JPG

Прикачен файл

P2280163.JPG

Тема "Инфрачервено осветление" | Включи се в дискусията:


Сподели форума:

Бъди информиран. Следвай "Направи сам" във Facebook:

Намери изпълнител и вдъхновения за дома. Следвай MaistorPlus във Facebook: