Здравейте, колеги !

BNUW1wzCIAIOUG7.jpg large.jpeg (64.17 KиБ) Видяна 2497 пъти
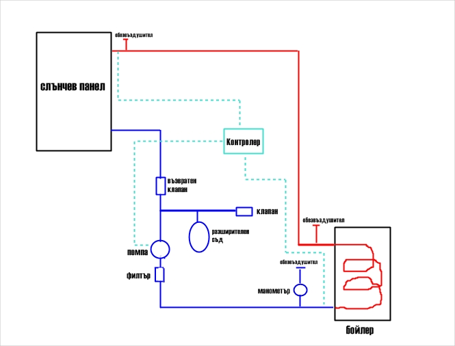
Искам да си сглобя слънчева система по тази схема споделете вашето мнение дали съм на правилен път.
Прикачен файл:
BNUW1wzCIAIOUG7.jpg large.jpeg (64.17 KиБ) Видяна 2497 пъти