• 1
  • 57
  • 58
  • 59
  • 60
  • 61
  • 198
Място за идеи и желания за проектиране и изработка на готови проекти.
nikolaytatarov - специалист
kle500 написа:
След няколко дневна борба / през следобедния сън на бебето, което гледам :) / , потрошени пръсти и една макара
постигнах следния резултат. Проводник с диаметър ф2,4 мм вкаран в стъклолакотръба ф2,5 мм. Навивките се събраха плътно, може би ще импрегнирам само трансформатора...
Фоеверките по-късно....
ПП Три кондензатора 470мФ/400В за изправителя достатъчни ли са, че нямам място в кутията да вместя и четвъртия :?
Това ми прилича като на 2х Е70,наи хваления вариант за трансформатор,чакам с нетърпение отзиви.
andro440 - майстор
kle500 написа:
След няколко дневна борба / през следобедния сън на бебето, което гледам :) / , потрошени пръсти и една макара
постигнах следния резултат. Проводник с диаметър ф2,4 мм вкаран в стъклолакотръба ф2,5 мм. Навивките се събраха плътно, може би ще импрегнирам само трансформатора...
Фоеверките по-късно....
ПП Три кондензатора 470мФ/400В за изправителя достатъчни ли са, че нямам място в кутията да вместя и четвъртия :?
добре изглежда ,но защо не навиваш трафа с литцендрат ? и така както се вижда на снимката ,вторичната ще е изцяло , в/у първичната ,нали ?
kle500 - специалист
nikolaytatarov написа:
kle500 написа:
След няколко дневна борба / през следобедния сън на бебето, което гледам :) / , потрошени пръсти и една макара
постигнах следния резултат. Проводник с диаметър ф2,4 мм вкаран в стъклолакотръба ф2,5 мм. Навивките се събраха плътно, може би ще импрегнирам само трансформатора...
Фоеверките по-късно....
ПП Три кондензатора 470мФ/400В за изправителя достатъчни ли са, че нямам място в кутията да вместя и четвъртия :?
Това ми прилича като на 2х Е70,наи хваления вариант за трансформатор,чакам с нетърпение отзиви.
Да, трафа е за 2хЕ70.
Въпреки, че един спец от руските форуми отдава повече значение на сърцевината на дросела.
"Аппараты с дросселем на РМ 62 и частотной настройкой работают одинаково хорошо на любых сетях, обеспечивая высокую стабильность дуги во всём диапазоне перестройки рабочего тока. Наилучший результат был получен на трансах 2Е65 (14-14.5/3+3) и 1Е70 (14.5/3+3).
С уважением dimon239."
Обаче този ферит струва.... :shock:
http://store.comet.bg/CatalogueFarnell/Product/2278921/
Прилагам таблицата с неговите данни. Аз правя маркираната в жълто.

Прикачен файл

моточные данные dimon239, коментарии.rar
(6.7 KиБ) Свален 175877 пъти
nikolaytatarov - специалист
Е тия се оляха с цената тук го копувам на 18 Е,по добре да си сложиш пак е 70
emilnikov - напреднал
Здравейте , и аз като всички вас си бутам главата с направа на инверторни електрожени. Направих един по схемата на Бармалей , тръгна с малко главоболия. Захванал съм една схема с 6 IGBT транзистора . Намерих ферити E100 3C90 и мисля трафа да го правя с тях. Кажете мнение за мойта идея

Прикачен файл

1-188-2.png
emilnikov - напреднал
Пробвах тази схема за безконтактно палене и тръгна добре с малки промени. След високоволтовата намотка съм заменил умножителя от китайската схема. Имах малко проблеми с трафа , на по-голям ферит ще е по-добре защото между всеки слой на високоволтовата намотка трябва изолация. Иначе пали от раз. Платките си ги правя вкъщи на ситопечат - едностранни. Ако някой има интерес мога да помогна за направата , трябва ми само негатив - 0898796902 Емил

Прикачен файл

TIG_Ignitor.JPG
TIG_Ignitor.JPG (54.91 KиБ) Видяна 6249 пъти

Прикачен файл

254940dfd9a55(3).GIF
254940dfd9a55(3).GIF (63.74 KиБ) Видяна 6249 пъти
kle500 - специалист
Тези дни имаше груба шлосерска дейност :scared: .
Резултата е това. Размерите на радиатора - 140х100х35 мм.
За диодите подобен по площ радиатор да предвидя или може по-малък?

Прикачен файл

радиатор-1.JPG

Прикачен файл

радиатор.JPG
andro440 - майстор
За диодите подобен по площ радиатор да предвидя или може по-малък?[/quote]

За диодите виж нещо по голямо ,имайки в предвид /с този траф и Амперите ,които гониш /.при мен ,диодите загряваха най много при експеримента -транзисторите почти не се стоплиха . това е моето мнение ,но както ти си прецениш ..зависи и как ще обдухваш радиатора на диодите..
pansim - майстор
Площа на радиатора зависи най-вече от времето за работа което желаете да се получи при максимален ток
Ако целта е 120А и време за работа /непрекъснато/ около 10мин. то подобен радиатор ще е достатъчен ако се обдухва добре от вентилатора.
При 200А ще изключва доста бързо, ама...кога се използуват 200А???????
Предполагам не се прави промишлен инвертор който да работи непрекъснато на две смени :)
emilnikov - напреднал
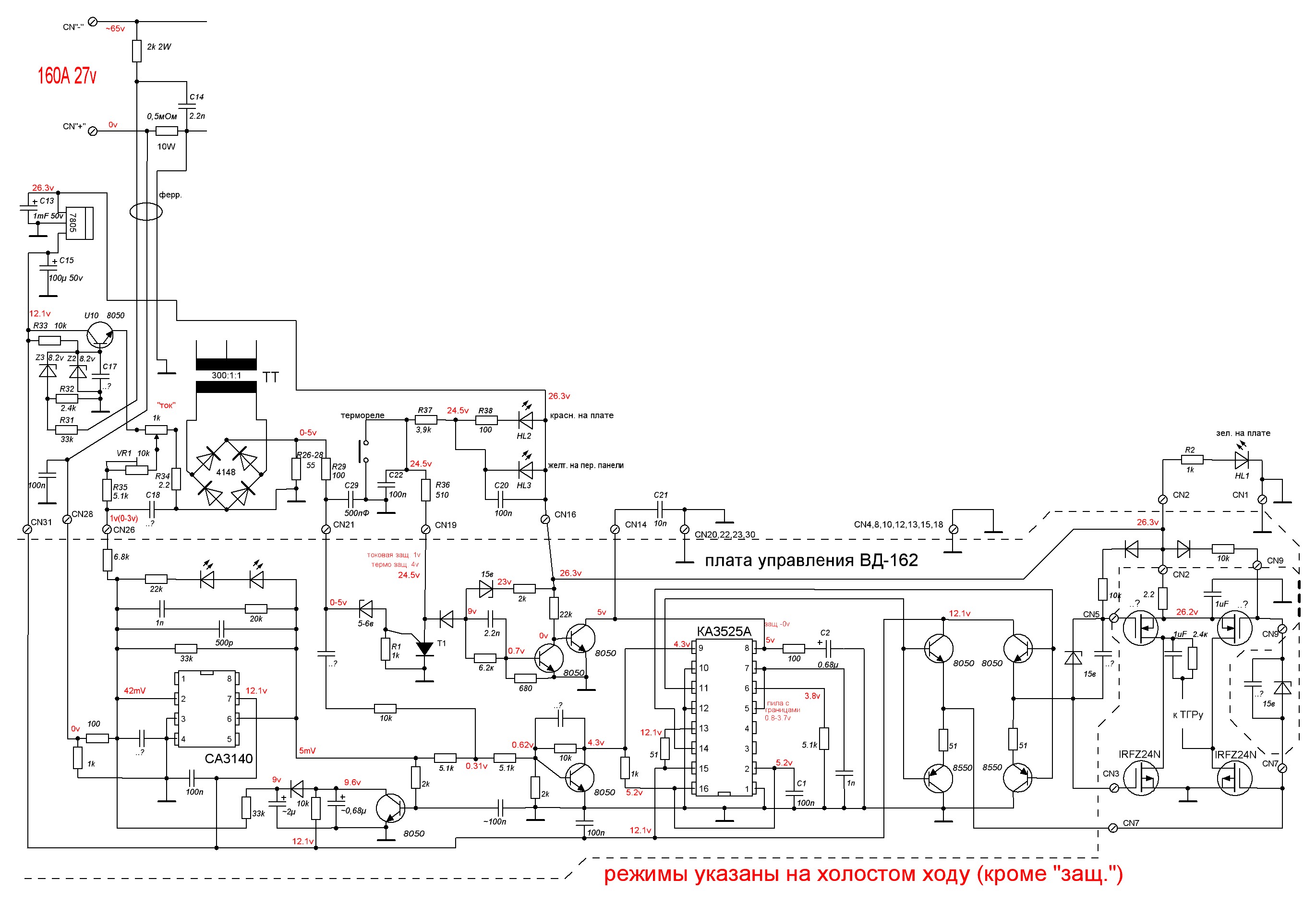
Ако някой се интересува от схема много близка на инвертора WSM 200

Прикачен файл

7c64409c13a9 (1).jpg

Прикачен файл

648c095f2c45.jpg

Прикачен файл

edon_01.png
edon_01.png (12.13 KиБ) Видяна 6136 пъти

Прикачен файл

P12005-.jpg
  • 1
  • 57
  • 58
  • 59
  • 60
  • 61
  • 198

Тема "Изработка на инверторен електрожен" | Включи се в дискусията:


Сподели форума:

Бъди информиран. Следвай "Направи сам" във Facebook:

Намери изпълнител и вдъхновения за дома. Следвай MaistorPlus във Facebook: