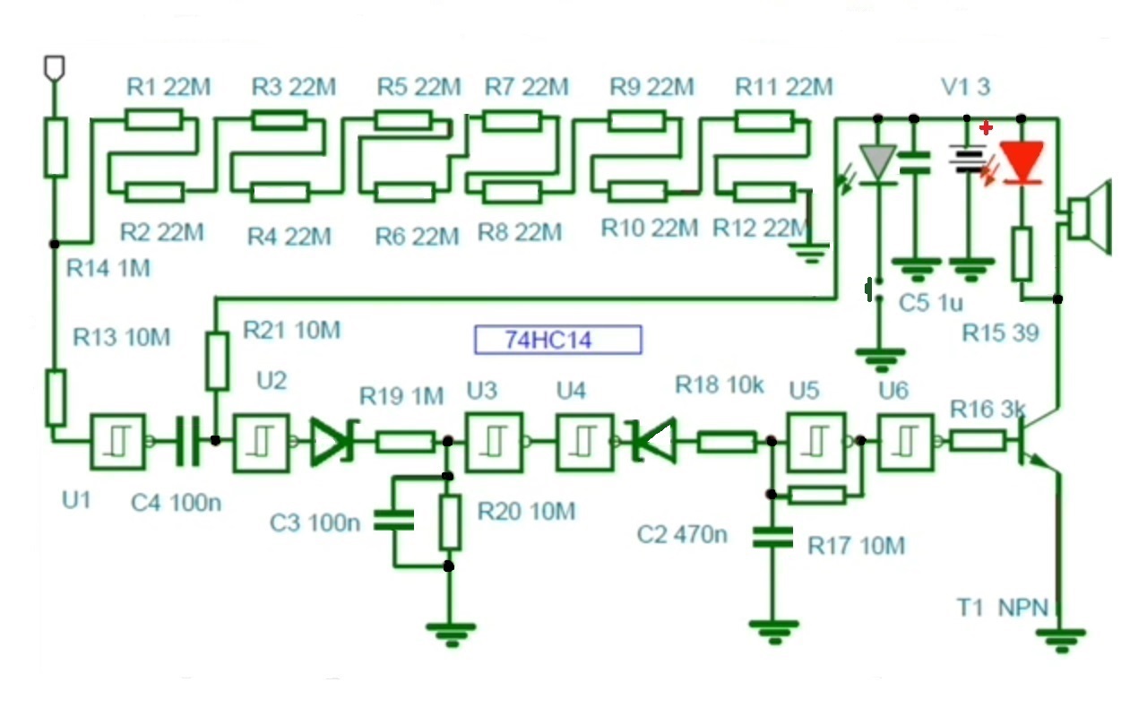
Здравейте колеги . Бих искал да направя тази схемичка , но с напрежение 3 волта . Ако може някои да ми каже какви резистори ми трябват или как да ги изчисля , много ще съм му благодарен. 



thinkpad написа:Как мислиш работят безконтактните фазоуказатели? Аз лично на такъв вяра не бих имал голяма.ами според тази схема е нещо като усилвателче . За надежноста незнам може би ще се активира и от статично електричество
shadow__01 написа:Дори и да го направиш това много ще те лъже. Възможно е дори да ти свето и до TV антената или индукцията на устройство с трансформатор.Мерси много за бързият отговор
Иначе на въпроса ти:
220R става на 75 ома
100K става на 33333 ома (около 33.3K)
1M става на 333333 ома (около 333.3K)
Сметнато е по закона на Ом и може да има допусната грешка от невнимание.
roflmal написа: А не искам да е на 9 волта понеже батерииките доста поскъпнаха и ползвам само презареждащи сеКак събираш точно 3V от презареждащи се батерии? 2*1.2V става 2.4V а 3*1.2 e 3.6V Това променя и стойностите на резисторите.
shadow__01 написа:Ами те не са точно 1.2 като ги заредя са 1.3-1.4 и то там 2.8-3 волта не мисля че ще има голяма разликаroflmal написа: А не искам да е на 9 волта понеже батерииките доста поскъпнаха и ползвам само презареждащи сеКак събираш точно 3V от презареждащи се батерии? 2*1.2V става 2.4V а 3*1.2 e 3.6V Това променя и стойностите на резисторите.
roflmal написа: Ами те не са точно 1.2 като ги заредя са 1.3-1.4 и то там 2.8-3 волта не мисля че ще има голяма разлика1.2 е номиналното им напрежение. Когато изстинат или поработят малко си стоят на 1.2V докато не се разредят значително. В случая имаш разлика от половин волт и е възможно да не успее да отпуши някой транзистор през изчисления за друго напрежение резистор.
shadow__01 написа:Ех аз ще опитам все пак, ако не стане ще намаля малко резисторите там 30-40 Комаroflmal написа: Ами те не са точно 1.2 като ги заредя са 1.3-1.4 и то там 2.8-3 волта не мисля че ще има голяма разлика1.2 е номиналното им напрежение. Когато изстинат или поработят малко си стоят на 1.2V докато не се разредят значително. В случая имаш разлика от половин волт и е възможно да не успее да отпуши някой транзистор през изчисления за друго напрежение резистор.
Щом си решил да опиташ успех.
Сподели форума:
Бъди информиран. Следвай "Направи сам" във Facebook:
Намери изпълнител и вдъхновения за дома. Следвай MaistorPlus във Facebook: