Ако искате да поправите или сте поправили нещо тука е мястото.
anabolicbeast - специалист
Лятото се занимавах с реставрирането на едно такова, което стоеше на село и му липсваха половината кабели(изядени от плъхове) и за капак беше залято със старо олио и добре опушено от форажомелките. Та на контролера имаше стикерчета на всяка букса, кое къде се включва. Доста проблеми имах със спирачките, понеже феродото беше много износено а ми искаха 20 лева за да ми го сменят и се принудих сам да се справя с проблема, като му залепих парче от ремък с високотемпературно епоксидно лепило за скобата, която притиска барабанчето. Добре се получи, спира добре и е износоустойчиво! За свързването не мога да помогна, защото съм забравил, а моето беше преправяно и преди... Успех! :prost:

Прикачен файл

DSC07894.JPG Почти краен резултат!

Прикачен файл

Без име.jpg По време на почистване и "реставрация"
shotik - майстор
Добре изглежда и твоя скутер.
Видял съм и аз ,че има стикери за кое кой куплунг е.Даже мисля ,че ги бях оцветил ,за по лесно намиране на определените двойки.
На моя скутер нямаше букса за зареждане и сложих една от тези за компютър,с три извода,но зарядното ми е обикновено и няма контрол,тъй че аз се грижа за това ,колко да се зареди.
anabolicbeast - специалист
shotik написа:
Добре изглежда и твоя скутер.
Видял съм и аз ,че има стикери за кое кой куплунг е.Даже мисля ,че ги бях оцветил ,за по лесно намиране на определените двойки.
На моя скутер нямаше букса за зареждане и сложих една от тези за компютър,с три извода,но зарядното ми е обикновено и няма контрол,тъй че аз се грижа за това ,колко да се зареди.
Въпреки стикерите аз залепих допълнителни с прозрачно тиксо, което ги предпазва (лентичка тиксо, в центъра на която е положен съответния кабел, а в края й листчето, покрито отдолу и отгоре с тиксото). Колкото до зарядното аз си имах оригинално, с което по книжка трябваше да зереждам 10 часа, а то зареждаше за 3,5-4ч. и акумулаторите държаха по 30мин. непрестанно каране. Максималната скорост 30 км/ч. (засичана е на равно със Симсон, който се движеше успоредно до мен)
shotik - майстор
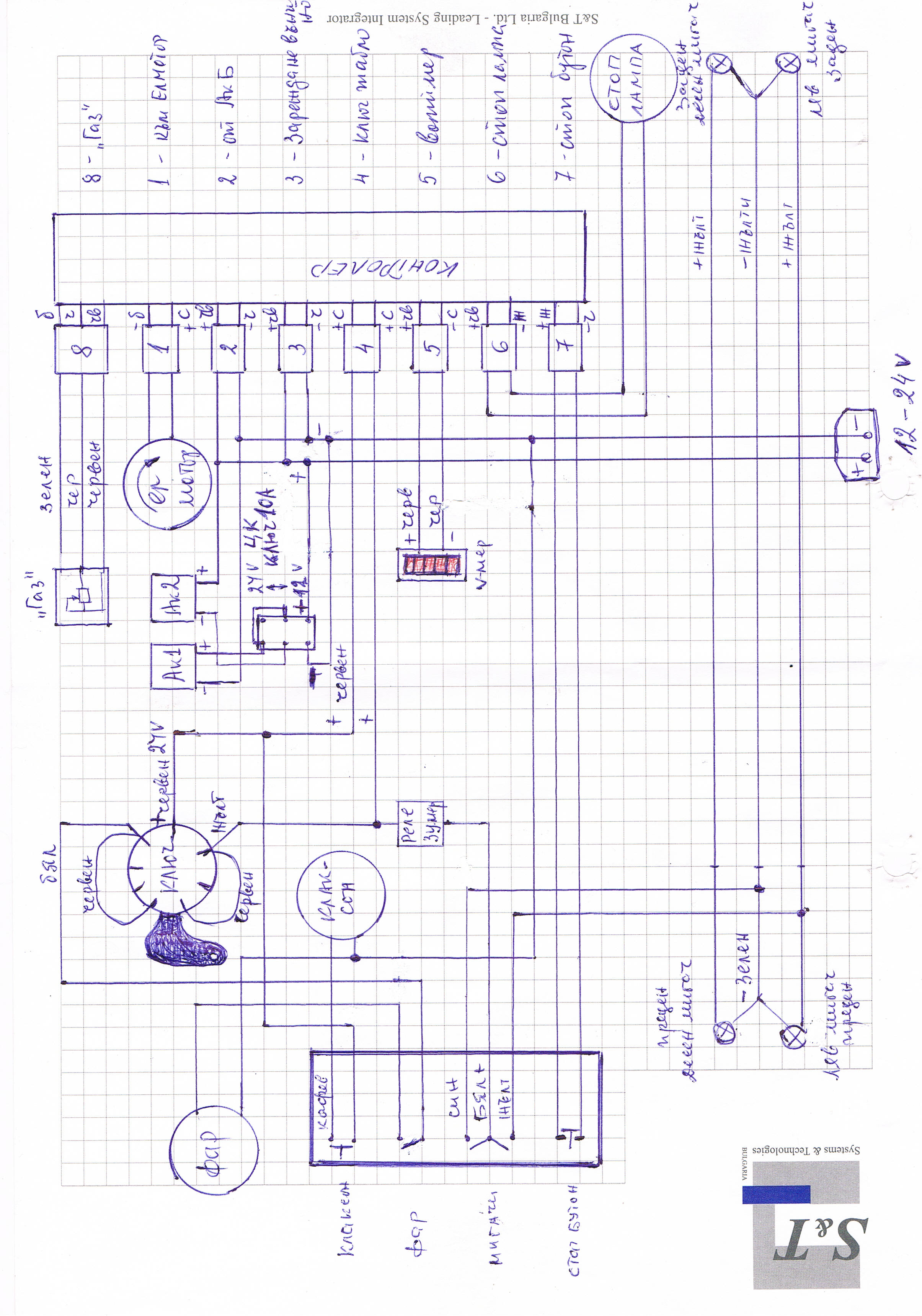
На единия контролер ,който е на скутера ,няма никакво означение на модел,друг резервен с друг мотор има лепенка ,но част от нея липсва и ги няма надписите и е със следните означения :

1. Червен и черен дебели кабели за към батерията /battery/.
2. Бял и син дебели кабели за към мотор /motor/.
3. Черен червен -зареждане /charge/.
4. Син и червен към контактен ключ /lock/.
5. Жълт и черен към стоп /stop/.
6Черен и червен към стоп-сигнал /brake signal/.
7. Черен,червен и жълт към ръчка за "газ"/speed/.

Има още два тънки кабела ,които са отрязани и изолирани ,в момента не знам за къде са,но на 8 см от контролера ,оригинално са запоени и изолирани с термосвиваем шлаух.
Ето и саморъчно правени схеми,на които не всички цветове на кабели са еднакви с този за който гледах и писах ,а са за контролера, който е на скутера:
Прикачен файл:
CCF08022014_00000.jpg
В горната схема има ЦК ключ ,с който превключвах веригите на акумулаторите,за да мога да ги зареждам със зарядно устройство на 12 волта,което е правено допълнително.
Прикачен файл:
CCF08022014_00001.jpg
Прикачен файл:
CCF08022014_00002.jpg
anabolicbeast - специалист
Има още два тънки кабела ,които са отрязани и изолирани ,в момента не знам за къде са,но на 8 см от контролера ,оригинално са запоени и изолирани с термосвиваем шлаух.
По-вероятно е да са за мигачи или фар..
shotik - майстор
Възможно е ,защото на скутера има и едно реле за мигачи ,което има и зумер и свири ,когато лампа на мигач свети.В момента това реле ми е повредено и няма мигачи.
Най - добре ще е ако се намери оригинална схема,но поне за сега аз не съм намирал,защото не знам как да напиша и за кой модел скутер .

Който разбира английски и може да помогне ,ще сме му благодарни !

На вашите скутери имали някакво означение за модел ?
anabolicbeast - специалист
shotik написа:
Възможно е ,защото на скутера има и едно реле за мигачи ,което има и зумер и свири ,когато лампа на мигач свети.В момента това реле ми е повредено и няма мигачи.
Най - добре ще е ако се намери оригинална схема,но поне за сега аз не съм намирал,защото не знам как да напиша и за кой модел скутер .

Който разбира английски и може да помогне ,ще сме му благодарни !

На вашите скутери имали някакво означение за модел ?
Помня, че и аз като търсих схеми не намерих, но това ако помогне нещо..
Явно съм грешил за зареждането! 4-5 часа пише, а не 10! :drinkers:

Прикачен файл

20130807_144452.jpg
shotik - майстор
Разгледайте тук ,има близки до схемите на нашите скутери.
https://www.google.bg/search?q=Scooters ... B900%3B696
stiv1961 - майстор
Ей тук има още една схема на контролера
http://www.electricscooterparts.com/hoo ... T302S9.htm
Утре ще разглеждам, че май зацапах свещите :partyman: , до някъде нещата ми се изясниха. Дано единия контролер е здрав. Утре ще има опити и снимки :)
stiv1961 - майстор
[quote="shotik"]На единия контролер ,който е на скутера ,няма никакво означение на модел,друг резервен с друг мотор има лепенка ,но част от нея липсва и ги няма надписите и е със следните означения :

1. Червен и черен дебели кабели за към батерията /battery/.
2. Бял и син дебели кабели за към мотор /motor/.
3. Черен червен -зареждане /charge/.
4. Син и червен към контактен ключ /lock/.
5. Жълт и черен към стоп /stop/.
6. Черен и червен към стоп-сигнал /brake signal/.
7. Черен,червен и жълт към ръчка за "газ"/speed/.

Ей тук не мога да се справя :? Вързах всичко, но като подам напрежение мотора тръгва веднага, не може да се регулира газта. Изглежда и двата контролера са заминали :?

Прикачен файл

090220142366.jpg

Тема "Eлектрически скутер" | Включи се в дискусията:


Сподели форума:

Бъди информиран. Следвай "Направи сам" във Facebook:

Намери изпълнител и вдъхновения за дома. Следвай MaistorPlus във Facebook: