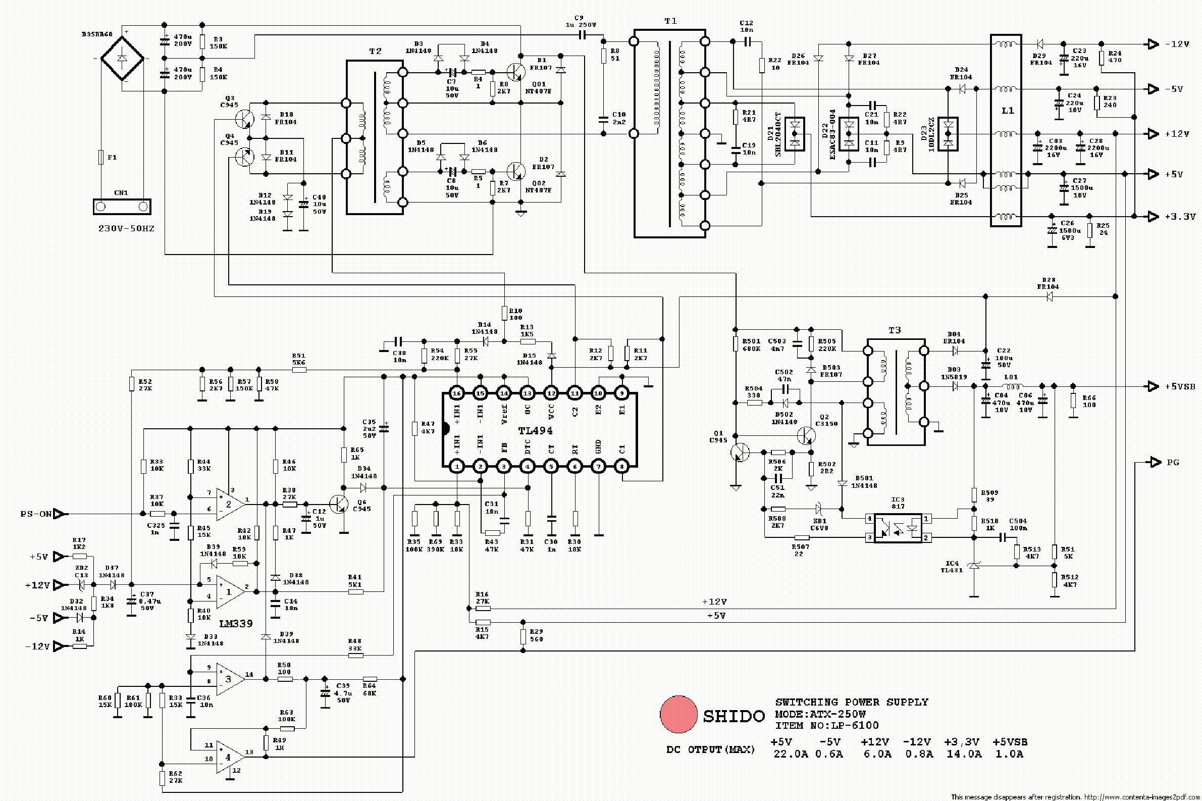
Здравейте приятели разполагам с едно атх захранване и бих искал да го преработя за лабораторно от 0-24в.
Схемата е следната може ли да ми помогнете и кажете какво да променя.Има разлика само в някои от стоиностите на резисторите ие за 350 вата.
Благодаря предварително. Извинявам се за голямия размер на снимката.
shido_atx-250_pc_power_supply_sch.pdf_1sssss.png (108.17 KиБ) Видяна 2277 пъти
Схемата е следната може ли да ми помогнете и кажете какво да променя.Има разлика само в някои от стоиностите на резисторите ие за 350 вата.
Благодаря предварително. Извинявам се за голямия размер на снимката.
Прикачен файл:
shido_atx-250_pc_power_supply_sch.pdf_1sssss.png (108.17 KиБ) Видяна 2277 пъти
