Изменена схема:

accumul8.JPG (97.46 KиБ) Видяна 2929 пъти
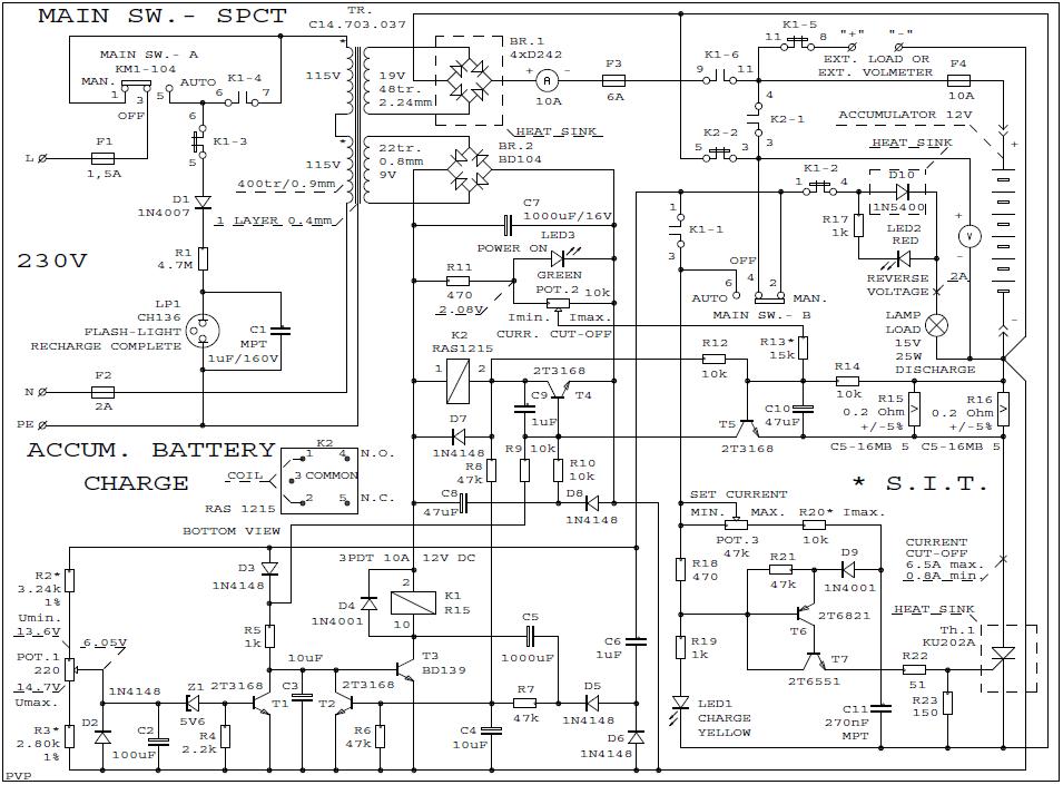
При вече готово изделие, напрежението от 9V AC може да бъде осигурено чрез малък, допълнителен, понижаващ трансформар (ANG или подобен).
Прикачен файл:
accumul8.JPG (97.46 KиБ) Видяна 2929 пъти