От мобилни телефони до цифрови камери
shadow__01 - майстор
Здравейте, днес случайно изрових една стара платка и ми стана интересно каква е. Порових се в нета и видях, че диодите са http://www.platan.ru/cgi-bin/qwery.pl/id=24695 а тиристора е http://vikiwat.com/product/17549/tirist ... -10-a.html
Според мен е някакъв вид фазов регулатор, но не съм сигурен.
Прикачен файл:
IMAG2699.jpg
Прикачен файл:
IMAG2700.jpg
Прикачен файл:
IMAG2702.jpg
pipilica - майстор
Ми изкарай схемата де, не е много трудно. Така е стара платка.
shadow__01 - майстор
Идеята на темата беше ако някой е виждал такава платка и знае да напише.
Последна промяна от shadow__01 на съб фев 21, 2015 2:39 pm, променено общо 1 път.
fbr - майстор
На такова прилича. С един тиристор и едно управление управляват променливо напрежение. Бяха на мода, когато симисторите не бяха толкова масово разпространени.
maddoktor - специалист
Айде и аз да се впусна .
Притежавам голям фабричен регулатор - който използва 2 тиристора - вързани паралелно .
Понеже ми беше много трудно да намеря тези с които е бил ( единият тиристор беше сдал багажа ) - КТ708 - намерих от серията Т122 .
Управлението се състои от 2-прави ,2-обратни маломощни транзистора - няколко диода и 2 кондензатора .
Общо казано управлението ще дойде левче и е на платка колкото показалец :)

Идеята е че можете да контролирата изходното напрежение от 0 до почти максимум ( понеже минава през регулатора ) И е за лампи - но перфектно може да регулира и дрелка - любителска 500 вата на БОШ ( тя няма регулатор ) , прахосмукачки и вентилатора на духалка .

На много ниски обороти - дрелката върти плавно без ръмжене и прескачане .
Но ако намалите оборотите и пробивате - тя няма сила и спира -> можете да хванете патронника без проблеми .


НО ако ви трябва регулатор точно за дрелка - имам проектиран и пробван . Ако на ниски обороти пробивам - схемата се самоконтролира и увеличава оборотите ( не се усеща намаляне на мощ ) а при прекратяване на натиска - схемата се усеща и поддържа оборотите .
Тука няма да можете да спрете патронника .
Платката също е на малка площ - около кибритена кутийка . Всичко е поместено в пластмасова кутия за 2 автоматични бушона - за ел. табло .

Ако някой желае схемите - да сподели
П. Петков - специалист
-
Прикачен файл:
reg.JPG
reg.JPG (67.1 KиБ) Видяна 2598 пъти
П. Петков - специалист
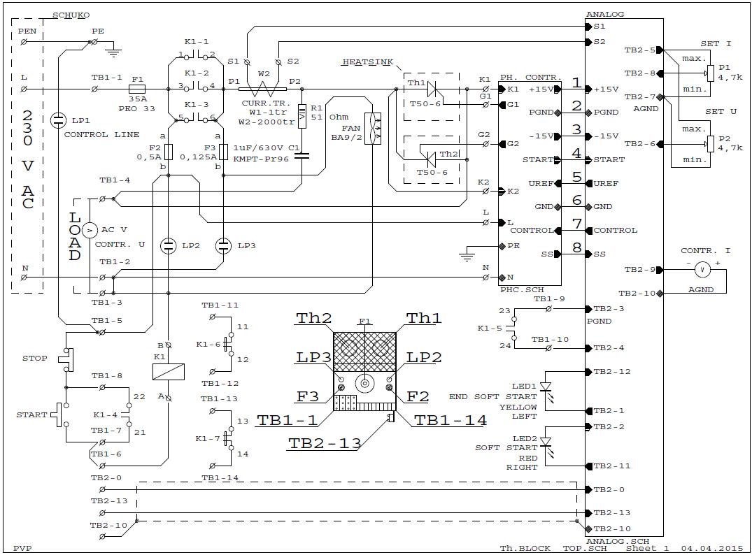
Малко по-сложна схема:
Прикачен файл:
top.JPG
Прикачен файл:
phc.JPG
Прикачен файл:
analog.JPG
Прикачен файл:
Picture 323.jpg
Picture 323.jpg (75.79 KиБ) Видяна 2407 пъти
Прикачен файл:
Picture 322.jpg
Picture 322.jpg (77.92 KиБ) Видяна 2407 пъти
Тиристорният блок има интересни функции.
Има контролен ток (регулируем), който позволява да се следи наличието на товар. При отсъствието на товар мекият старт е блокиран и не тръгва.
Има токоограничение (обратна връзка по ток) и обратна връзка по напрежение (DC, когато се ползва за управляем изправител). В случая джъмперът е прекъснат и има само управление по фазов ъгъл и токоограничение.
Блокът се ползва за мек старт на стар флекс, на който е направен кюртаж и е махнато релето, изключващо токоограничителното съпротивление при старт (релето и най-вече съпротивлението не позволяват регулиране оборотите на флекса).
Общо взето приложението е в стил "Эсли близко воробей, мы готовим пушку. Эсли муха-муху бей! Взять ее на мушку!" :) http://puzkarapuz.ru/content/1407
По-хубавата част от схемата съм я преписал нагло, безочливо и безсрамно от германска схема на подобен блок, предназначен за управление на мощни халогенни лампи (5kW и 12kW).
Преписването не трябва да е укоримо, защото, ако не бяхме преписвали, то и досега нямаше да имаме "История славянобългарска". :-D
Оригиналната схема е:
(Четете в следващия брой)
P.S.
На снимките се вижда, че блокът е повдигнат на втулки спрямо основата, защото отдолу (на блока) има малък аксиален вентилатор (нагнетателен спрямо радиаторите на тиристорите). Домързя ме да пробивам основата, въпреки че тя е на гумени крака и това щеше да е най-доброто решение.
Последна промяна от П. Петков на съб апр 04, 2015 4:46 pm, променено общо 3 пъти.
П. Петков - специалист
-
Прикачен файл:
top.JPG
top.JPG (93.63 KиБ) Видяна 2405 пъти
Прикачен файл:
phc.JPG
Тази схема е направена с много акъл (Германска им работа!). Има само два двойни ОУ -1458. Останалото е виртуозна схемотехника на "асемблерно" (транзисторно) ниво. За осмислянето й трябва много време (и много цъкане с език в стил - "Брей-й-й ..., как са се досетили!?!"). :?
Особено впечатляващ е генераторът на пилата, който има автоматична, инерционна схема за контрол на наклона (няма регулиращ тример на генератора на ток!!!).
Канализирането на въздушния поток и изолацията на радиаторите също са много добре решени:
Прикачен файл:
Picture.jpg
Picture.jpg (80.7 KиБ) Видяна 2390 пъти
Шпилките на катодите и гейтовете, конструктивно носят целия блок!
Прикачен файл:
Picture 326.jpg
Picture 326.jpg (56.36 KиБ) Видяна 2390 пъти
В резюме: Шапка им свалям!
А схемата и конструкцията са правени преди 40 години (личи се по телефонния номер на фирмата)!

Тема "Това фазов регулатор ли е?" | Включи се в дискусията:


Сподели форума:

Бъди информиран. Следвай "Направи сам" във Facebook:

Намери изпълнител и вдъхновения за дома. Следвай MaistorPlus във Facebook: