Здравейте
Ситуацията е следната:
Купих панелката със стар домофон ЕД-401, който искам да махна заради лош вид и кофти звук.
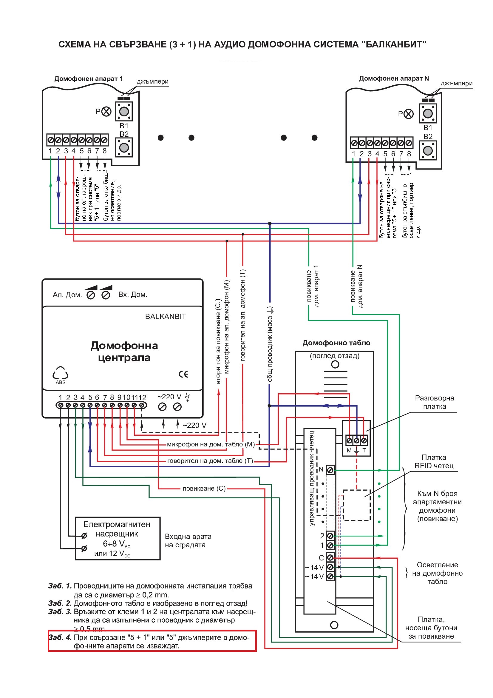
Попадна ми домофон на БалканБит модел WL-06DFbC, който искам да сложа на неговото място.
В апартамента влизат 2 снопа кабели:
1. кафяв+ светлосин+черен
2. син+черен
От първия сноп - кафявия кабел и светлосиния кабел са свързани с бутона за отваряне на входната врата
От втория сноп не е свързан.
Схемата на стария апарат я възстанових тъй като беше се разпаднала вече
))
Схемата на новия не мога да я намеря, но пускам снимка на платката.
Гледам че има мостове на новия за "3+1" и за "5+1" - дали трябва да се пипа там ?
Проблем е че не мога да намеря схемата на новия апарат.
Помагайте !!!!

Ситуацията е следната:
Купих панелката със стар домофон ЕД-401, който искам да махна заради лош вид и кофти звук.
Попадна ми домофон на БалканБит модел WL-06DFbC, който искам да сложа на неговото място.
В апартамента влизат 2 снопа кабели:
1. кафяв+ светлосин+черен
2. син+черен
От първия сноп - кафявия кабел и светлосиния кабел са свързани с бутона за отваряне на входната врата
От втория сноп не е свързан.
Схемата на стария апарат я възстанових тъй като беше се разпаднала вече
Схемата на новия не мога да я намеря, но пускам снимка на платката.
Гледам че има мостове на новия за "3+1" и за "5+1" - дали трябва да се пипа там ?
Проблем е че не мога да намеря схемата на новия апарат.
Помагайте !!!!
