Всичко за дърводелството
bulhomes2
- майстор
2436 мнения в "Фреза и оберфреза."
lov
- майстор
- Мнения: 6263
Гайки при китайците бол. Мъка са ми цангите че си направих само милиметрови 5, 6 и 8 милиметра. И само една 1/2''. Мога да преправя тази 5 мм но предпочитам да я запазя. Един път ми се наложи да дялам алуминий с палцова фреза и стана много добре. А и като нямаше от къде да гледам ги направих без да излизат през гайката и да има канал за зегерка. Та сега ми запецват и някой път зор изваждам фрезера нищо че от долу има пружина.
А ей такива гайки колкото искаш. При мен по спомени резбата беше по 1,5 та тези вероятно ще ми станат. Отделно много ми се струва че и ъгъла на цангите е същия. Бе въртят ми се някакви шантави мисли в главата че ако трябва ще разстържа държача пък ако трябва ще го сменя целия с такъв щот ми писна от тези дърводелски изгъзеци. Реално гайка комплект с цанга ще ми стъпи на една трета от цената на тази които искат за оригинална дърварска.
Ако от големите машини на Спаркито съвпадат няма да се занимавам с глупости. Ще си допълня комплекта. Но ако ли не оривам всичките и си преправям машината.Ако не стане със престъргване купувам държач и го сменям.
Ей ги и размерите на гайките.
HTB1vX9_MXXXXXbeXpXXq6xXFXXX5.jpg (112.08 KиБ) Видяна 2431 пъти
Тези ми попаднаха първи но вероятно ще се намерят и със стъпка по 1.
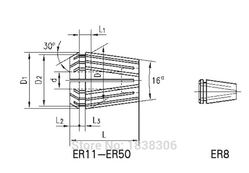
А ето и ъглите на конуса на цангите.
HTB11f_ZKpXXXXaIXFXXq6xXFXXXO.jpg (46.97 KиБ) Видяна 2431 пъти
И най важното тези цанги са с голям толеранс на захващането при идеално запазване на съосието. Тоест на една и съща цанга мога да хвана 6 мм фрезер но също и 6,35 ( 1/4") И да не забравя една такава цанга струва около 2,50 лв. по сегашния курс.
И за да ме разберете какво обяснявам ето какво представлява държача.
мммм.jpg (83.3 KиБ) Видяна 2425 пъти Те това барабар с гайката струва около $8. И преценете дали си заслужава да се робува на измислени дърводелски стандарти за гайки цанги, че и фрезери. Защото много от тези за металообработка прекрасно могат да се справят както с дърво така и с пластмаси и алуминий.
А ей такива гайки колкото искаш. При мен по спомени резбата беше по 1,5 та тези вероятно ще ми станат. Отделно много ми се струва че и ъгъла на цангите е същия. Бе въртят ми се някакви шантави мисли в главата че ако трябва ще разстържа държача пък ако трябва ще го сменя целия с такъв щот ми писна от тези дърводелски изгъзеци. Реално гайка комплект с цанга ще ми стъпи на една трета от цената на тази които искат за оригинална дърварска.
Ако от големите машини на Спаркито съвпадат няма да се занимавам с глупости. Ще си допълня комплекта. Но ако ли не оривам всичките и си преправям машината.Ако не стане със престъргване купувам държач и го сменям.
Ей ги и размерите на гайките.
Прикачен файл:
HTB1vX9_MXXXXXbeXpXXq6xXFXXX5.jpg (112.08 KиБ) Видяна 2431 пъти
А ето и ъглите на конуса на цангите.
Прикачен файл:
HTB11f_ZKpXXXXaIXFXXq6xXFXXXO.jpg (46.97 KиБ) Видяна 2431 пъти
И за да ме разберете какво обяснявам ето какво представлява държача.
Прикачен файл:
мммм.jpg (83.3 KиБ) Видяна 2425 пъти
lov
- майстор
- Мнения: 6263
Честно казано не бях обърнал конкретно внимание че ER 16 е до 10мм. Просто нахвърлях идеята с какво може да се подмени. А и 3 мм горница са нищо при условие че разстоянието между водачите на фрезата е поне 60-70мм. Казвам го по памет защото нямам машина пред мен. Като се поосвободя ще е заема сериозно с въпроса и ще дам конкретен отговор кое и как. Но все пак очаквам някой да каже какви са размерите на цангите на голямата машина на Спарки.
themask
- специалист
- Мнения: 814
Бързам да се похваля с новата придобивка - благодарение на stridata се сдобих с перфектен плот за фрезата с изрязан отвор за повдигащия механизъм. Трябваше леко да уширя отвора с малката жълта хубавица, за да наместя плочата
но пък дълбочината се оказа по-точна от очакванията - само от едната страна има леко надстърчане (по-малко от мм).
Тук отдолу се вижда как механизмът влиза като в презерватив
Сега остава да добавим маса или да я вградим в бъдещия циркуляр.
но пък дълбочината се оказа по-точна от очакванията - само от едната страна има леко надстърчане (по-малко от мм).
Тук отдолу се вижда как механизмът влиза като в презерватив
Сега остава да добавим маса или да я вградим в бъдещия циркуляр.
nautilus33
- майстор
- Мнения: 2170
един въпрос- имам малка фреза на блек енд декер, която е без регулиране на оборотите(30000). В момента е с прав фрезер( не съм сигурен дали така се нарича, на английски е Straight router bit). Като се опитам да направя канал в едно парче ябълково дърво, фрезерът започва да гори материалът. Има ли начин това да се избегне, или няма как, просто си трябват ниски обороти.
nautilus33
- майстор
- Мнения: 2170
Благодаря. Значи няма да стане с ябълков материал. А кой материал мога успешно да обработвам при високи обороти?
Тема "Фреза и оберфреза." | Включи се в дискусията:
Сподели форума:
Бъди информиран. Следвай "Направи сам" във Facebook:
Намери изпълнител и вдъхновения за дома. Следвай MaistorPlus във Facebook:
Имаш нужда от подходящ професионалист за дома?
- Преустройство, ремонт и реновиране
- ↳ Вашите ремонти
- ↳ Кухня
- ↳ Баня
- ↳ Дневна
- ↳ Спалня
- ↳ Детска
- ↳ Градина
- ↳ Коридор
- ↳ Тераса и балкон
- Направи сам
- ↳ Направи сам
- ↳ Ремонтирай сам
- ↳ Къде е по-евтино?
- ↳ Дърводелство
- ↳ Ел. инструменти
- ↳ Металообработване
- ↳ Конкурс "Направи сам 2012"
- Строителство
- ↳ Всичко за вилата
- ↳ Къщи
- ↳ Саниране
- ↳ Хидроизолация
- ↳ Пасивни и нискоенергийни сгради
- Сухо строителство
- ↳ Окачени тавани
- ↳ Преградни стени и предстенни обшивки
- ↳ Сухи и повдигнати подове
- ↳ Декоративни елементи - колони, трегери, сводове и др.
- ↳ Всичко за гипскартона и гипсфазера
- Въпроси и Отговори
- ↳ Полезни съвети
- ↳ Автомобили
- ↳ Партньори
- ↳ Боядисване и Декориране
- ↳ Вентилация, климатици и термопомпи
- ↳ Водоснабдяване и канализация.
- ↳ Всичко за ремонта
- ↳ Електротехника
- ↳ Отопление
- ↳ Газификация
- ↳ Електроника и Схеми
- ↳ Газобетон
- ↳ От всичко по малко
- ↳ Компютри и периферия
- ↳ Уеб дизайн, PHP, MySQL, JavaScript, HTML..
- ↳ Мобилни устройства, GSM-и
- ↳ Нека се запознаем
- ↳ Recycle Bin
- Статии
- ↳ Практични решения
- ↳ Качване на снимки
- ↳ Какви статии искате?
- ↳ Готварство, туршии и зимнина
- ↳ Отмора и шеги
- ↳ От нищо нещо
- ↳ Не е за вярване
- ↳ Литература
- ↳ Връзки към Интересни сайтове
- Магазин
- ↳ Препоръки и Мнения за он-лайн магазина
- ↳ Крадeни инструменти !!!
