Всичко свързано с тоците ми е слабост, опитайте се да ме затрудните.
DMN - майстор
Kondor1 написа:
Да не стане само привидно наред всичко, а после да започнат аномалии - да не гаснат лампите и подобни. 60V ли трябва да очаквам по трасето или 220V?
Ама ти сега Kondor ли си или друга птица започваща с "ко" :-D . Ще правиш ли нещо или не? Давай по-смело. Слагай ключа с глимката и то ще си покаже, кое що. Ако има аномалии го махаш, връщаш стария и поне знаеш, че си опитал. Спазваш правилата за безопасност при работа с ток. Ако не си сигурен викай някой по-смел от теб или специалист електротехник - те са най-смели и знаещи, и няма нито един убит или пострадал от тока квалифициран електротехник в историята на човечеството....
kuger - майстор
Kondor1 написа:
...... 60V ли трябва да очаквам по трасето или 220V?
Това се разбира с необходимите уреди. Ако е грамотно изпълнена инсталацията, би трябвало да няма опасно напрежение. Макар че, гледам и релета с управление по фаза има, там вече е друга бира.
DMN написа:
......Ако не си сигурен викай някой по-смел от теб или специалист електротехник - те са най-смели и знаещи, и няма нито един убит или пострадал от тока квалифициран електротехник в историята на човечеството....
Ако беше жена, щях да ти кажа "Плюй си в пазвата". Квалифициран колега, с доста стаж изгоря като факла в килия 20kV. Чия беше грешката......? Мир на праха му!
Има един лаф "Тока приятели няма", ама ние българите нали разбираме от всичко....
Kondor1 - специалист
DMN написа:
Kondor1 написа:
Да не стане само привидно наред всичко, а после да започнат аномалии - да не гаснат лампите и подобни. 60V ли трябва да очаквам по трасето или 220V?
Ама ти сега Kondor ли си или друга птица започваща с "ко" :-D . Ще правиш ли нещо или не? Давай по-смело. Слагай ключа с глимката и то ще си покаже, кое що. Ако има аномалии го махаш, връщаш стария и поне знаеш, че си опитал. Спазваш правилата за безопасност при работа с ток. Ако не си сигурен викай някой по-смел от теб или специалист електротехник - те са най-смели и знаещи, и няма нито един убит или пострадал от тока квалифициран електротехник в историята на човечеството....
Надявам се разбираш, че става дума за N етажен блок (6 в случая) и ако има "аномалии" ще има разни негодуващи съседи. Достатъчно е да не гаснат лампите 1 час и да настане драма колко ток е навъртян (примерно по 1ст на апартамент). Като види някой, че съм разглобил ключа - иди обяснявай после дали е от полза светещо копче. В тоя ред на мисли предпочитам да съм наясно с възможните варианти преди да експериментирам. Поначало въпросът тръгна с предположение, че щом се продават стълбищни ключове с лампа, би трябвало да стават в масовия случай на инсталация. Но както изглежда стават в отделни случаи.
DMN - майстор
kuger написа:
Ако беше жена, щях да ти кажа "Плюй си в пазвата".
Виждал съм и мъже да си плюят в пазвата, а и такива дето се тюхкат когато черна котка им мине пътя или да чукат на дърво, това няма да ги предпази, нито дипломата или квалификацията е гаранция, че ще ги направи безсмъртни.
kuger написа:
Квалифициран колега, с доста стаж изгоря като факла в килия 20kV. Чия беше грешката......? Мир на праха му!
За това става дума...Къде беше грешката?

Kondor1 написа:
Надявам се разбираш, че става дума за N етажен блок (6 в случая)
Разбирам те много добре :) . Аз живея в блок с 10 етажа, общо 30 апартамента във входа(60 в целия блок), на етажа имаме 5 ключа - един на стълбището, един в коридора пред вратите, и във всеки апартамент по един, за целия вход са 51 ключа(един има на входа при входната врата).
Ако ще имаш проблеми със съседите от това, че си решил да направиш нещо за всички, по-добре се откажи или гледай да не те видят. За блоковете истината е една - дори и да си сигурен, че правиш добро, гледай да не те видят.
Сложи ключа първо на вашия етаж/апартамент(така няма да те видят всички от блока), ако няма проблем там, тогава го измести на първия етаж, и там не би трябвало да има проблем.
:partyman:
Последна промяна от DMN на нед ное 05, 2017 11:46 pm, променено общо 1 път.
kuger - майстор
За смъртта на колегата за мен са виновни трима. Този, де е писал наряда и не е описал процедурите както трябва. Дежурният ел.техник, че не е изпълнил процедурите, и не е мислил какво прави /не е проверил за отсъствие на напрежение/. Накрая, колегата, че се е доверил на тия двамата.
Kondor1 написа:
Надявам се разбираш, че става дума за N етажен блок (6 в случая)
Разбирам те много добре :) . Аз живея в блок с 10 етажа, общо 30 апартамента във входа(60 в целия блок), на етажа имаме 5 ключа - един на стълбището, един в коридора пред вратите, и във всеки апартамент по един, за целия вход са 51 ключа(един има на входа при входната врата).
Ако ще имаш проблеми със съседите от това, че си решил да направиш нещо за всички, по-добре са откажи или гледай да не те видят. За блоковете истината е една - дори и да си сигурен, че правиш добро, гледай да не те видят.
Сложи ключа първо на вашия етаж(така няма да те видят всички от блока), ако няма проблем там, тогава го измести на първия етаж, и там не би трябвало да има проблем.
:partyman:[/quote]!
При мен е същото, 7 етажа, ключове /бутонни/ в апартаментите, "умни" съседи, блокиращи с клечка бутони. Взе да ми пука какво правя, защото при изгоряла "нула", и плаваща фаза ме обвиниха мен, че имат изгорели уреди /нищо, че ги вдигах в два през нощта да си изключват уредите...
За стълбищното осветление си реших проблема - на всеки етаж датчик, без стълбищен автомат.
kozl - майстор
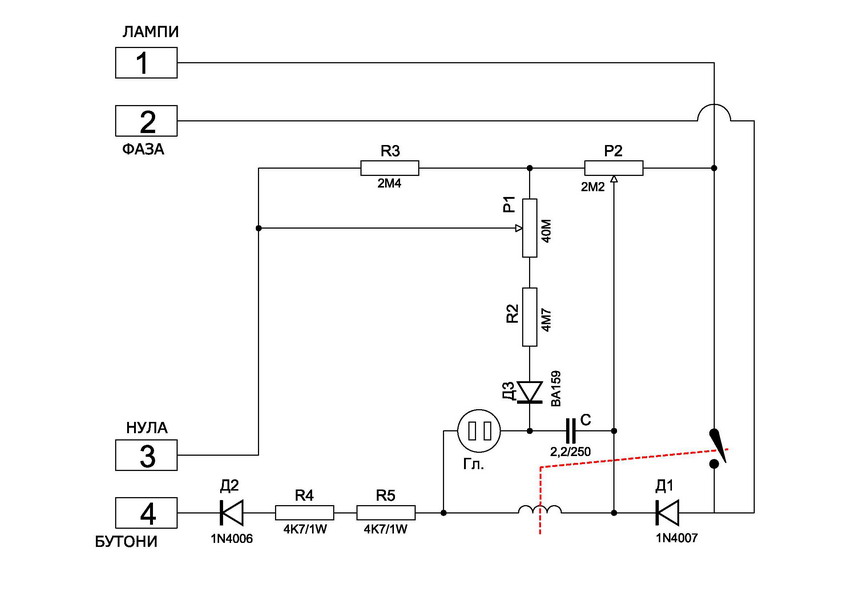
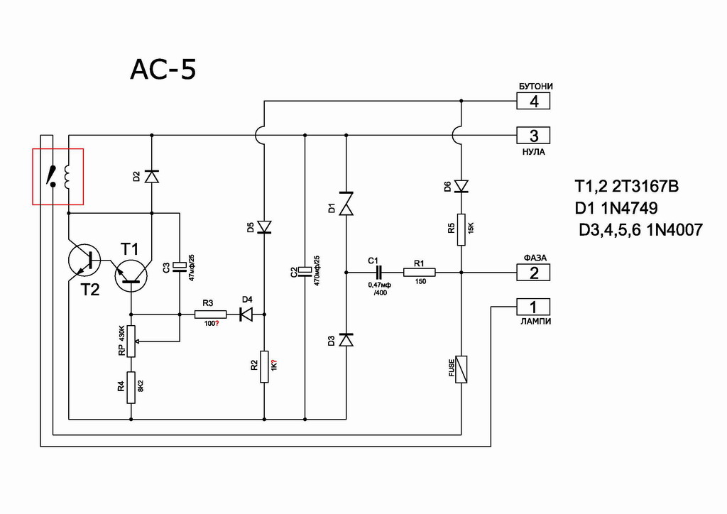
Kuger не ме подценявай. Мое да съм дюлгер, ма съм насъбрал 10-ина АСЕ-5.
То има цела тема за АСЕ-5
1. Те го фазовия автомат. Такъв немам - изхвърлих ги, че мноо обемни.
Изображение

2.Те нещо транзисторно от старата ера.
Прикачен файл:
ACE-5_old.jpg
3. АСЕ-5 без транзистори с глимка:
Изображение
Изображение
3. Такъв нямам:
Изображение
Обаче имам 2 такива карантии. Кутиите съм ползвал за други схеми.
Изображение
4. Този с два светодиода и 3 транзистора
ИзображениеИзображение
5 и 6. С един светодиод и 3 транзистора като по горната схема, а този без светодиод е с 2 транзистора по долната схема.
Изображение
Изображение
Изображение
kozl - майстор
И понеже стана дълъг пост и трудно се пише - продължение:
DMM снощи изкарах наличните автомати и набарах една глимка, свалена от български ключ. Към глимката имаше последователно сързан резистор 240К 0,125W.
Да но поради липса на още такива глимки направих опити с автоматите от горните снимки с прикачена глимка към нула и бутон като сменях съпротивлението към глимката със 100 К, с 50 К, с 20 К, и накрая без съпротивление само с глимка.
Само №3 се издъни още на с 240К му се промени времето от 90 сек на към 70 с. Колкото повече намялях съпротивлението на последователно прикачения към глимката резистор, толкова повече намяляше времето на таймера. При 100К започна да се шашка автомата, но все пак изключаше. При 50К вътрешната глимка свтваше без да изключи автомата. Без съпротивление към външната глимка, вътрешната почна да мига често без да изключва релето.
Другите автомати със и без светодиоди (2 или 3 транзисторни) издържаха работоспособност без осезателна промяна във времето на таймера дори без съпротивление към глимката.

Ся колко е опасен тока от фазата през диод и съпротивление към 20К щото тва ми се чини критичния път на тока от фазата - тва не знам. Все пак фазоуказателите подобно имат глимка и съпротивление към 470К-1000К и при тях тока ме не жили.
А да забравих да добавя за №2 - глимка не стаа, оти е с траф 24V и м-у нула и бутон има няма нещо <24V, което не мое да палне глимката.
FM STEREO - специалист
DMN написа:
Би ли се аргументирал?
Според мен е точно обратното - ако ще има проблем, то би трябвало да е от ключ със светодиод, тъй като на светодиода му трябва по-голям ток(плюс другите елементи около него, които също ще разсейват някаква мощност), отколкото на глим-лампата за да светне, а именно този по-голям ток според мен може да обърка автомата, ако не е предвиден да работи с въпросните ключове.
:partyman:
Да, до някъде е така, но обикновено към светодиода има съпротивление с голяма стойност и не би трябвало да има проблем, не съм правил такъв опит за монтаж на подобен бутон и нямам представа дали ще обърка автомата за това го посъветвах да пробва, има вероятност опита да е успешен.
kozl - майстор
Има писано у форума. За тва ли иде реч?
Светодиод глим лампа - тока е може би съизмерим, но пада на напрежение - различен.

Тема "Стълбищен ключ с лампичка" | Включи се в дискусията:


Сподели форума:

Бъди информиран. Следвай "Направи сам" във Facebook:

Намери изпълнител и вдъхновения за дома. Следвай MaistorPlus във Facebook: