• 1
  • 11
  • 12
  • 13
  • 14
  • 15
  • 19
Всичко свързано с тоците ми е слабост, опитайте се да ме затрудните.
emsy - специалист
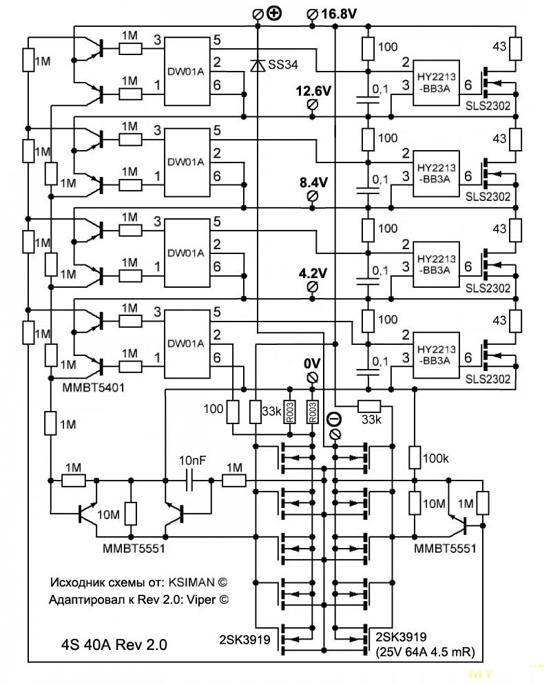
Намерих си и схемата даже :)
След доста ровене в нета ...

https://mysku.ru/blog/aliexpress/55176.html
3S 25A ,
4S 40A Li-ion 18650 BMS PCM Battery Protection Board BMS PCM With Balance For li-ion

Ето ако на някой му е полезна.
Прикачен файл:
4S li-ion Batery.jpg
sokolov.91 - майстор
пон яну 28, 2019 9:26 pmemsy написа:
Намерих си и схемата даже :)
След доста ровене в нета ...

https://mysku.ru/blog/aliexpress/55176.html
3S 25A ,
4S 40A Li-ion 18650 BMS PCM Battery Protection Board BMS PCM With Balance For li-ion

Ето ако на някой му е полезна.
4S li-ion Batery.jpg
Браво! Много полезно мнение!
lov - майстор
Всъщност блога е много по интересен защото е обяснено как работи платката и как се изравняват напреженията. Та питащия дано го е прочел внимателно щото аз спрях да пиша след като си промени мнението за консумацията във времето. Да не се окаже че платчицата си е наред. :)
emsy написа:
.....................
Ама интересно е че сега като меря утечката, се явява някаква не постоянна.
Т.е. първо е 0 после след няколко секунди се появява 150-160 мА,
стои известно време , после изчезва , и пак така....
..............
kozl - майстор
Да много полезна (поне за мен) схема и препратка, въпреки, че с лидълските батерии има разминаване.
Но с моите експерименти за сега ударих на камък :sad:
След като размених пакетите батериите не се зареждат.
Зарядното на 2Аh батерия (сините елементи нa снимката)
Изображение
при присъединяване на батерията, окомплектована вече със зелените елементи (1500mAh) запалва и червения и зеления диод и елементите не се зареждат. Тука трябва да поясня, че този зеления пакет го прикачих незареден при напрежение 3.6V на 4 елемента и 2.7 на петия.
Другата батерия при съеденяване на зарядното индикира заряд (светва червен светодиод) и няма и секунда индикатора превключва на състояние заредена батерия (светва зелен светодиод).
Или съм ги повредил при разпояване - запояване или това се дължи на температурните сензори, защото не м размених местата, понеже не ми се разлепваха :?
Температурните сензори при проверка с оммер показваха признаци на термистори. При загряване съпротивлението им намалява, но имаха разлика към килоом при енаква Т :?
Благодаря и на emsy за постнатата информация. Доста ценна за мен при положение, че до сега не съм се забавлявал с литиево йонни батерии с изключение на една неволя преди повече от 10 г. с gsm AEG, за който не можах да намеря батерия и му хакнах елемент от Нокия, при това успешно за парвото и единствено до сета литиево йонно претворение.
Това де ми иде на ума е да пробвам да заменя термо сензора със резистор за проба дали ще тръгне заряда.
Обаче ако в лявата платка се виждат 3 големи транзистора (вероятно мосфети), то в дясната платка елементите са по-малка като бройка и големи транзистори няма :?
Последна промяна от kozl на вт яну 29, 2019 1:12 pm, променено общо 1 път.
Virtex - майстор
18650 елементите не трябва да имат значение с какво ги сменяш - би трябвало да се следи ток/напрежение по време на заряд и тогава да се прецени кога изключва. Защитата по време трябва да е доста след това.

Термисторите си имат значение за самата платка и не вървят с елементите, освен като разположение може би. Ако ги размениш по-вероятно е да объркаш сметката на схемата ако термисторите са различни (което е малко вероятно, сигурно са 10к).

Това го казвам от проба да сменя елементите - от 2Ah ги направих 3Ah и нямаше драми, батерията си работи. Само че не съм ги запоявал, защото ще прегреят според мен, а с точкова заварка.
lov - майстор
1килоом разлика е огромна за термистори а и казваш че двете платки се различават. Слагай един тример и пробвай. А това че са различни самите платки и няма мощни мосфети не трябва да те притеснява. С проследяване може да се разбере какво са си спестили във функциите но в случая е без значение. Схемни решения бол и дори реномирани марки си спестяват примерно баланса. Следят примерно само средата на пакета. Каквито и да е литиеви батерии да сложиш пак трябва да работи.
kozl - майстор
На снимките (първа снимка 2 платки - лице; втора снимка - 2 платки гръб): В ляво е платка от батерията, която мога да ползвам на 3 уреда, а в дясно е батерия, която купих в комплект със зарядно и не става нито за винтовертите ми, нито за импакта и я нарочих за донор на елементи. Обаче коренна разлика в начина на зареждане :shock:
И доста осезаема разлика в платките.
Съпротивление на сензорите - при Т към 13 гр. в помещението (цяла нощ са темперирани) на единия отчетох 19,75 килоома, на другия 18,32 килоома.
Ето ги платките от по-предната страница:

Изображение

Изображение

И що ми се струва, че на дясната платка пакета с батерии е директно вързан към крайните пинове на буксата, а там на другата батерия се свързва винтоверта. Демек пакета няма защита по ток към уреда :? Или може би уреда не се свързва към тези пинове. С 4 пина - повече комбинации :? (требе да питам колекционер Чолев, мое да сведе инфо кои пинове са за уреда :roll: )
emsy - специалист
вт яну 29, 2019 1:27 amlov написа:
Да не се окаже че платчицата си е наред. :)
Искаш да кажеш че тези токове , които протичат през Неопределено време, са нормални?
Т.е. те се "пускат" от контролера за да се намали напрежението на батерията до колкото е зададено,
правилно ли съм разбрал?
Протичат само в най-горното съпротивление ( 43 Ом) , само то се загрява, другите две клетки са на '0'.
Как да разбера дали е изравнителен ток, колко време ще "играе" така?

Наистина Блога е доста интересен с обясненията, ама като ми е малко зле руският език,.....
Горе долу схващам за какво иде реч ;)
lov - майстор
....... написа:
---Балансировка работает постоянно и независимо от схемы защиты. Пока напряжение на любом из аккумуляторов превышает 4,20В, к нему подключается нагрузочное сопротивление 100 Ом до тех пор, пока он не разрядится до 4,20В.
Ми то има и машинен преводач и то превеждаш достатъчно добре.

""Балансирането работи непрекъснато и независимо от схемата за защита. Докато напрежението на някоя от акумулаторите надвишава 4.20V, към него се свързва товарно съпротивление от 100 ома, докато не се разреди /освободи/ до 4.20V.""

Само една пропусната и една сбъркана дума от целия превод и то пак се разбира по смисъл. Та ако след известно време процеса на разряд спре и батериите си стоят на максималното напрежение то платката си е в ред.
При утечка на някой от мосфетите батериите падат до край както при мен се получи и вече си е дефект.
emsy - специалист
вт яну 29, 2019 9:30 pmlov написа:
...
Май си на път да се окажеш прав =D>
Днес пак закачих платката, токовете на утечка са по-малки от преди - 30-40 мА и са за по-кратко време.
Явно като се "кротне" напрежението на батерията, съвсем ще спрат.
Макар че сега е 4.196 V , a на другите клетки е 4.21 , а пък няма утечки.
  • 1
  • 11
  • 12
  • 13
  • 14
  • 15
  • 19

Тема "Платка за зареждане на LI-ION пакет" | Включи се в дискусията:


Сподели форума:

Бъди информиран. Следвай "Направи сам" във Facebook:

Намери изпълнител и вдъхновения за дома. Следвай MaistorPlus във Facebook: