Място за идеи и желания за проектиране и изработка на готови проекти.
Pansim1 - специалист
ср фев 13, 2019 8:25 amАБВ потребител написа:
Забравих да кажа че има някой особености при метода за настройка с осцилоскоп при резонансната схема.Ако измервате с двете сонди едновременно ще окъсите първичната намотка.
Колумб пасти да яде :lol:
:-D
АБВ потребител - специалист
ср фев 13, 2019 6:02 pmPansim1 написа:
ср фев 13, 2019 8:25 amАБВ потребител написа:
Забравих да кажа че има някой особености при метода за настройка с осцилоскоп при резонансната схема.Ако измервате с двете сонди едновременно ще окъсите първичната намотка.
Колумб пасти да яде :lol:
:-D
Ти да не мислиш че е лесно, от водач на пътно-строителни машини да се стане електро-инженер :-D Сега ще ми скъса нервите,но хвана ли му цаката на този резонансник ще го скъсам.С товар в кофа вода нищо не стана и затова сега се търси друг начин.И в тези учебници колко глупости се пишат не е истина.Това че ключовете трябва да затварят при най високото напрежение на кондензатора не е вярно. С увеличаване на протичащия ток през кондензатора се увеличава и напрежението върху него.Демек транзисторите трябва да затварят при нулево напрежение, а НЕ при максимално както го пишат умните господа , пробвал съм го. :?
Последна промяна от АБВ потребител на пет фев 15, 2019 6:53 pm, променено общо 2 пъти.
АБВ потребител - специалист
Колега Пансим,май и аз ще клякам :-D Малка спънка. Имам молба за отговор на този въпрос. Според теб къде е проблема в този импулс на колектор-емитер при подадено 100в. на входа на празен ход??? При увеличаване на напрежението до 200в. е пак същото.На първата снимка К-Е, а на втората G-Е. Немога да разбера защо е такъв импулса ,и така може ли да е . По принцип не трябва да е така, но да питам, ако може разбира се. :) Честотата е 33кН
Прикачен файл:
импулси 2.jpg
Прикачен файл:
импулси.jpg
импулси.jpg (63.95 KиБ) Видяна 2069 пъти
И ето преден и заден фронт на гейта 2 мк/сек-деление-снимка3 и 4
Прикачен файл:
импулс 3.jpg
импулс 3.jpg (75.67 KиБ) Видяна 2056 пъти
Прикачен файл:
импулс 4.jpg
импулс 4.jpg (77.91 KиБ) Видяна 2056 пъти
Последна промяна от АБВ потребител на пет фев 15, 2019 4:02 pm, променено общо 1 път.
АБВ потребител - специалист
За да не са само приказки ето как изглежда една осцилограма,взета от руски сайт, напрежение на гейта и резонансния кондензатор. Незнам как е измерено ,не ми се рискува да опукам осцилоскопа. :)
Прикачен файл:
резонан настройка.JPG
alien - специалист
няма да е лошо да пуснеш и линк към схемата да знаем за къде се отнасят тия осцилограми, за такива като мен дето не смогват да следят безбройните хаотични постове
АБВ потребител - специалист
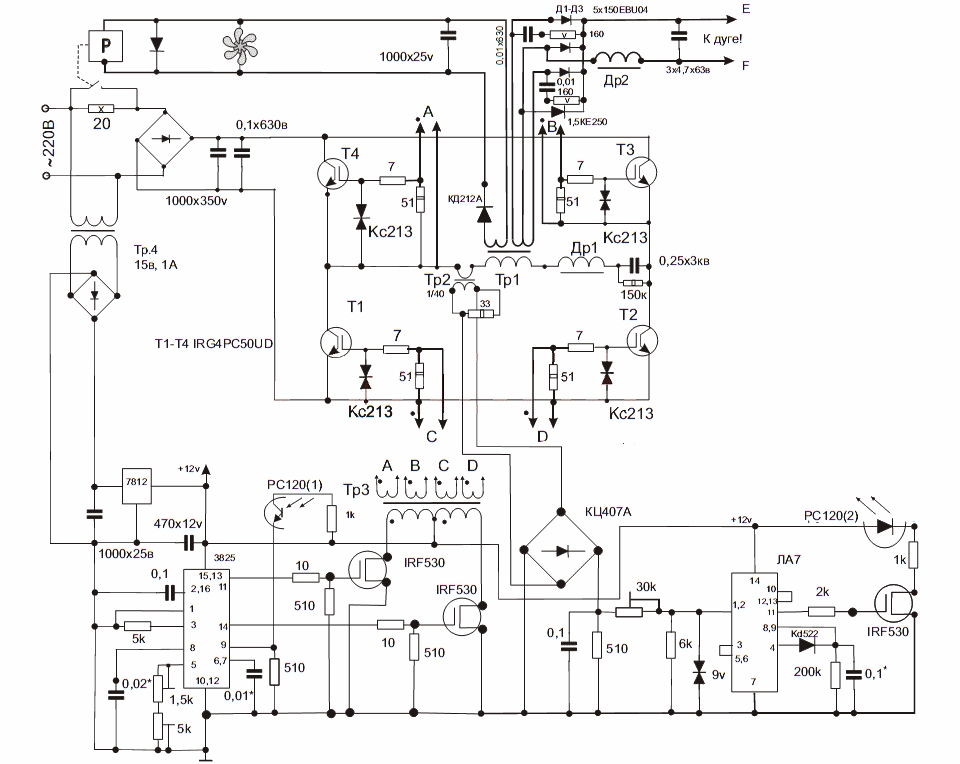
Благодаря Колега :) ето я схемата. Да допълня само, че и трансформатора доста грее на празен ход
Прикачен файл:
01 (2).jpg
alien - специалист
а резонанс настрои ли?
предполагам ще може да се мери във вторичната намотка с осцилоскопа, трябва да получиш близка до синусуида форма с максимална амплитуда
АБВ потребител - специалист
Да ,настроен е на резонанс при максимално запълване.Пускам му 150в напрежение , и дава ток на пр.ход 180мА , грее до 50-60градуса ферита на трафа. Тези наклонени фронтове на К-Е да не би да са от по- голяма индуктивност на първичната намотка??? Забелязал съм го този ефект при навиването на други трафове.Според теб?? Намалявам тока на 100мА и като поседи половин час пак нагрява.По слабо ,но грее. Тези дни може да пренавия трафа.
alien - специалист
ферита ли грее? читав ли е? едно време като нямаше от къде да се купуват феритни трафове съм ползвал какви ли не боклуци, някои ферити просто са си калпави, имат големи загуби в сърцевината и си греят
АБВ потребител - специалист
Свален е от китайски електрожен,преди това е работил няколко години.Незнам с каква проницаемост е материала, просто навивам до необходимата индуктивност :) Тородоид.

Тема "Изработка на инверторен електрожен" | Включи се в дискусията:


Сподели форума:

Бъди информиран. Следвай "Направи сам" във Facebook:

Намери изпълнител и вдъхновения за дома. Следвай MaistorPlus във Facebook: