• 1
  • 24
  • 25
  • 26
  • 27
  • 28
  • 32
Всичко свързано с въздушния поток, който дишаме.
LazarGanev - "Велик майстор"
Малеее, тези май са измислили някоя "умна" схема :shock: ! Как така конвекторите ще греят повече по време на отопляне на бойлера? Много ми е интересно как са ги подвързали, за да се получава така :? . Може би последователно след серпентината? Ама тогава не трябва да топлят като не се подгрява бойлера :? . Не знам.
radius - майстор
Ама гадинко продължава да подминава половината въпроси към него. Аз се измъчих, честно.
a_stoev - майстор
Предполагам, че не може да им отговори.
Пак да питам, имаш ли схема на водната чест? Там е заровено кучето, а може и по схема да е наред, но в реалност да е друго.
andy_forresite - майстор
Пише че втората машина работи за бойлер и наред с това помага на първата в отоплението. Значи към конвекторите се изпраща повече топлинна енергия и затова може би излъчват повече.
По-напред препоръчаха вентилаторите на конвекторите да не са на ниска скорост, а на максималната комфортна (шум). Първа скорост не е добре.
gadinko - специалист
вт фев 19, 2019 7:31 pma_stoev написа:
Предполагам, че не може да им отговори.
Пак да питам, имаш ли схема на водната чест? Там е заровено кучето, а може и по схема да е наред, но в реалност да е друго.
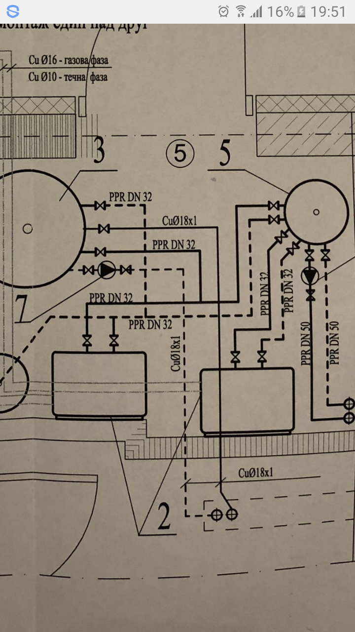
Прав си, уча се в движение. Нищо не разбирам от помпи, жици, електромери и прочее. Идеален съм за измама ... Никва схема няма тия дето ми правиха парното Термо Корект се наричат (препоръчани от строителя ми) си взеха за подизпълнители някви момчета от Ерато, които виждаха Висман за пръв път, но тъй като къщата беше на довършителни работи нямаше как да им вися на главите. Първо нямаше комуникационен модул за каскадата та поръчваха допълнително, после даваха само грешки помпите. Сто пъти идваха и от Висман и от къде ли не докато тръгнат нещата. Също нямам представа колко хидромодула имат щот незнам кво е хидромодул и къде да гледам. Имам схемата от ТОВК-то но то е правено за двете Естии и незнам дали е същото. Проектът ми почти не е спазван - всеки разбирач и бях спокоен.
:sad:

Прикачен файл

C42F04B6-C2BA-424C-8415-4C13B5725603.jpeg
radius - майстор
Лично мога да препоръчам колегата Стоев. Гадинко е дал 20+ бона и ако даде още някой лев може да има резултат, но с човек на място са огледа. При успех си запазвам трътката на прасето.
gadinko - специалист
вт фев 19, 2019 8:00 pmandy_forresite написа:
Пише че втората машина работи за бойлер и наред с това помага на първата в отоплението. Значи към конвекторите се изпраща повече топлинна енергия и затова може би излъчват повече.
По-напред препоръчаха вентилаторите на конвекторите да не са на ниска скорост, а на максималната комфортна (шум). Първа скорост не е добре.
Конвектора има първа, втора и ауто. Втората бучи яко, първата е ок, а автоматика изключва като реши че си е достигнал температурата. Май идеята беше вентилацията да не изключва изобщо :?
LazarGanev - "Велик майстор"
Добре де, чувствам че има неясноти, затова още веднъж да разясня как работи една купешка ТП, с риск да доскучая на някой. На този принцип работят и едноконтурните газови котли, както и някои по-скъпи пелетни камини. От върешното тяло тръгват 2 кръга - един за отопление и втори - за подгряване на бойлера (т.е. към серпентината). ТП работи или за единия, или за другия кръг. В случая както има 2 ТП, едната работи само за отопление (вързана е само към отоплителния кръг), а втората би трябвало да е подвързана и към отоплителния кръг, а чрез превключване на трипътния вентил, потокът да се насочва от отоплителния кръг към серпентината, като едновременно с хидравличното превключване се сменя и сета/заданието (т.е. темпвературата на подаващата вода). Водата, която циркулира през серпентината не би трябвало да минава през конвекторите. Явно нещо е променено в схемата - волно или неволно. Когато работи за бойлер, ТП работи на максимална температура за кратко време, но ако към ози кръг се вържат и конвекторите, явно времето за подгряване на бойлера се удължава и това влияе на разхода. :?
Ahmakov - специалист
Съвсем нормално е да го има този ефект.

Прикачен файл

Screenshot_20190219-195128.png
LazarGanev - "Велик майстор"
Бинго! Май проектантът е за еб@не, а не монтажниците! Схемата е грешна! На мястото на единия тройник трябва да има трипътен вентил! Без него ТП работи много дълго време на 55*С за подгряване на бойлера, през това време подава излишно висока температура и към буфера и оттам идва преразхода! Липсата на трипътен вентил пък охлажда бойлера в следващия период от време, когато пък ТП работи за отопление. И пак следва дълго време работа за бойлер и така 24/7. :cool:
  • 1
  • 24
  • 25
  • 26
  • 27
  • 28
  • 32

Тема "високи сметки за ток с термопомпи Viessmann" | Включи се в дискусията:


Сподели форума:

Бъди информиран. Следвай "Направи сам" във Facebook:

Намери изпълнител и вдъхновения за дома. Следвай MaistorPlus във Facebook: