От мобилни телефони до цифрови камери
П. Петков - специалист
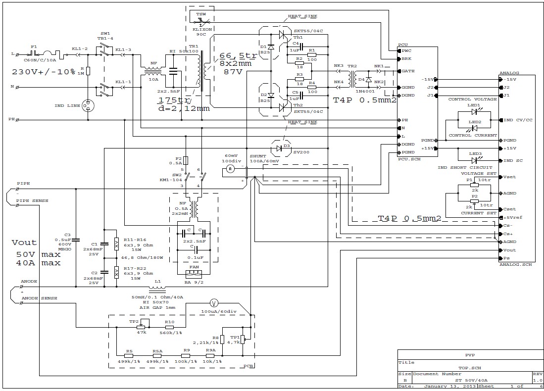
Даване на простичка схема от каменния век:
Прикачен файл:
TOP..jpg
Прикачен файл:
analog..jpg
Прикачен файл:
pcu..jpg
Прикачен файл:
vref..jpg
vref..jpg (50.78 KиБ) Видяна 1384 пъти
Прикачен файл:
cri..jpg
cri..jpg (73.73 KиБ) Видяна 1384 пъти
Защо заключихте предишната тема?
П. Петков - специалист
Последно:
Прикачен файл:
vri..jpg
vri..jpg (75.92 KиБ) Видяна 1383 пъти
miliad - майстор
"Защо заключихте предишната тема?"

Защото при едни нормални човешки взаимоотношения заглавието щеше да бъде:
"Ако някой, има схема на регулеруем токоизправител от 0 до 30В с тиристор, би ли ми я предоставил. Моля. "
Ма, не е.
И стана к'вото стана.
Вие също не коригирахте поне оня елементарен пропуск с ИМА.
Да живее посредственото.

Тема "АКО НЯКОЙ ДА МИ ДАДЕ СХЕМА НА РЕГУЛИРУЕМ ТОКОИЗПРАВИТЕЛ ОТ 0 ДО 30В С ТИРИСТОР" | Включи се в дискусията:


Сподели форума:

Бъди информиран. Следвай "Направи сам" във Facebook:

Намери изпълнител и вдъхновения за дома. Следвай MaistorPlus във Facebook: