Имах абсолютно същия проблем, но пералнята е Gorenje. Смяна на кондензатор за 8лв и всичко се оправи.
- 1
- 2
Ако искате да поправите или сте поправили нещо тука е мястото.
kiroslavov
- специалист
20 мнения в "Пералня Beko wb6006rs проблем"
- Мнения: 6
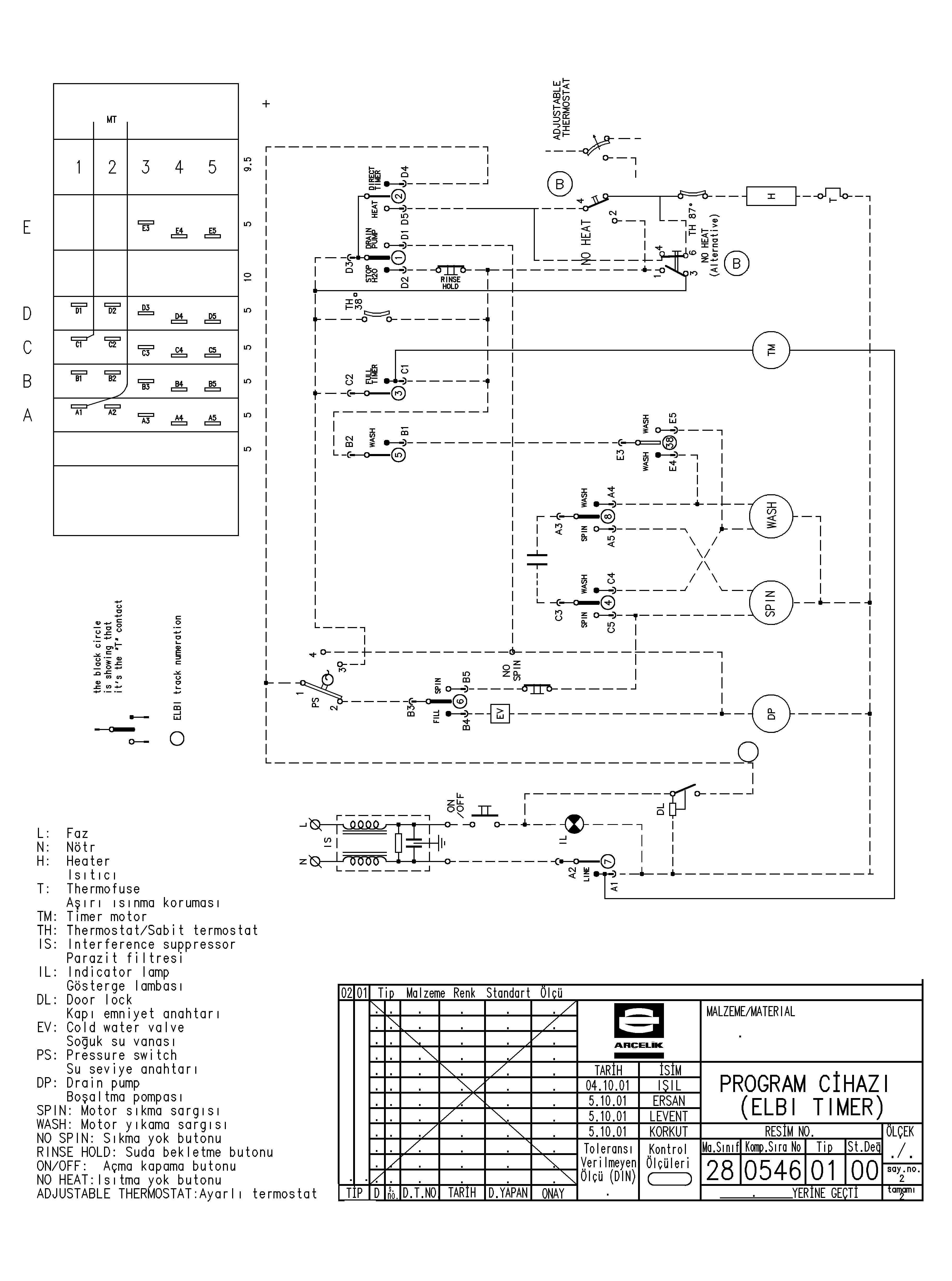
Пералната е с механичен програматор. Кондензатора е за променлив ток 16 µF/ 450 V, който е свързан в пусковата намотка на електродвигателя. При намален капацитет няма мощност да завърти мотора, който се люлее докато преодолее товара и прави по някой оборот.
- Мнения: 6
lyubohar написа:Абе то мина половин година.Смяташ ли, че не съм видял датата!!!!!!!!!!!!
Човека да не е луд да пере на ръка.![]()
Но няма информация за резултата,което не е коректно.
Темата е стара но сега вече е пълна!
Да си видял някъде какъв е кондензатора!
Ако смяташ, че е излишно това, което съм написал и качил го махай!
Срещал съм много непълни и неясни теми, които са безполезни, това е причината да пиша сега!
Passa
- специалист
- Мнения: 264
Колеги, след 12 години безотказна работа на Горение смених четките на мотора.
Въпроса ми е какъв тип е този мотор ? Тоест как точно се управлява скоростта и посоката му ? Прилича ми на Синхронен двигател с управление по честота.
Кой изработва управлението на мотора ?
Този тип мотор има ли кондензатор ?
Горе до хибридният програматор видях едно кондензаторче мисля. Или е RC елемент. Намерих схеми за подобни перални, но за моят модел не успях точно.
Също ми направи впечатление че на клемореда на мотора влизат 6 кабела-2 за четките, 2 за тахометъра на мотора и останаха 2 които не разбрах къде отиват. Не ги проследих. А по схемата не ми става много ясно за къде са.
Въпроса ми е какъв тип е този мотор ? Тоест как точно се управлява скоростта и посоката му ? Прилича ми на Синхронен двигател с управление по честота.
Кой изработва управлението на мотора ?
Този тип мотор има ли кондензатор ?
Горе до хибридният програматор видях едно кондензаторче мисля. Или е RC елемент. Намерих схеми за подобни перални, но за моят модел не успях точно.
Също ми направи впечатление че на клемореда на мотора влизат 6 кабела-2 за четките, 2 за тахометъра на мотора и останаха 2 които не разбрах къде отиват. Не ги проследих. А по схемата не ми става много ясно за къде са.
- Мнения: 1
Ние също взехме пералня втора ръка, Beko, и установихме същия проблем. Свалихме кондензатора, само че на него има следните параметри: 16 mf + - 5 %, и две стойности 420 и 470 V. Модела е EN60252-1. В интернет намирам 450V. Това ще бъде ли добра замяна или трябва да намеря същия кондензатор? Ще се радвам да ми отговорите, защото не разбирам особено. Благодаря ви предварително.
preslav
- майстор
- Мнения: 5370
kateto5555 написа:Ние също взехме пералня втора ръка, Beko, и установихме същия проблем. Свалихме кондензатора, само че на него има следните параметри: 16 mf + - 5 %, и две стойности 420 и 470 V. Модела е EN60252-1. В интернет намирам 450V. Това ще бъде ли добра замяна или трябва да намеря същия кондензатор? Ще се радвам да ми отговорите, защото не разбирам особено. Благодаря ви предварително.Ще ти върши работа.
- 1
- 2
Тема "Пералня Beko wb6006rs проблем" | Включи се в дискусията:
Сподели форума:
Бъди информиран. Следвай "Направи сам" във Facebook:
Намери изпълнител и вдъхновения за дома. Следвай MaistorPlus във Facebook:
Имаш нужда от подходящ професионалист за дома?
- Преустройство, ремонт и реновиране
- ↳ Вашите ремонти
- ↳ Кухня
- ↳ Баня
- ↳ Дневна
- ↳ Спалня
- ↳ Детска
- ↳ Градина
- ↳ Коридор
- ↳ Тераса и балкон
- Направи сам
- ↳ Направи сам
- ↳ Ремонтирай сам
- ↳ Къде е по-евтино?
- ↳ Дърводелство
- ↳ Ел. инструменти
- ↳ Металообработване
- ↳ Конкурс "Направи сам 2012"
- Строителство
- ↳ Всичко за вилата
- ↳ Къщи
- ↳ Саниране
- ↳ Хидроизолация
- ↳ Пасивни и нискоенергийни сгради
- Сухо строителство
- ↳ Окачени тавани
- ↳ Преградни стени и предстенни обшивки
- ↳ Сухи и повдигнати подове
- ↳ Декоративни елементи - колони, трегери, сводове и др.
- ↳ Всичко за гипскартона и гипсфазера
- Въпроси и Отговори
- ↳ Полезни съвети
- ↳ Автомобили
- ↳ Партньори
- ↳ Боядисване и Декориране
- ↳ Вентилация, климатици и термопомпи
- ↳ Водоснабдяване и канализация.
- ↳ Всичко за ремонта
- ↳ Електротехника
- ↳ Отопление
- ↳ Газификация
- ↳ Електроника и Схеми
- ↳ Газобетон
- ↳ От всичко по малко
- ↳ Компютри и периферия
- ↳ Уеб дизайн, PHP, MySQL, JavaScript, HTML..
- ↳ Мобилни устройства, GSM-и
- ↳ Нека се запознаем
- ↳ Recycle Bin
- Статии
- ↳ Практични решения
- ↳ Качване на снимки
- ↳ Какви статии искате?
- ↳ Готварство, туршии и зимнина
- ↳ Отмора и шеги
- ↳ От нищо нещо
- ↳ Не е за вярване
- ↳ Литература
- ↳ Връзки към Интересни сайтове
- Магазин
- ↳ Препоръки и Мнения за он-лайн магазина
- ↳ Крадeни инструменти !!!