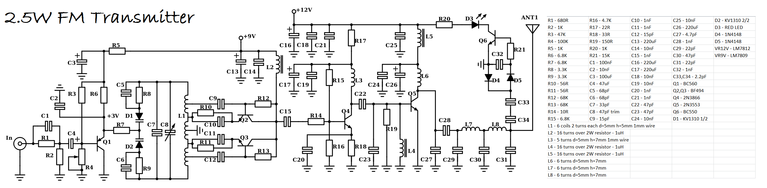
Здравейте, от известно време се опитвам да проектирам УКВ предавател, като използвам за шаблон схемата ,,Veronica FM Transmitter'', която се води като доста добра. Направих няколко модификации по оригинала (ще постна и оригинала и модифицираната схема), като най главните промени които направих е да отделя изцяло НЧ част от ВЧ част с едно буферно стъпало, няколко промени в трептящия кръг и най съществената промяна е че разделих крайното стъпало от генератора/модулатора с по едно драйверно стъпало. Направих и още една промяна точно за която ми трябва помощ. На изхода сложих двоен П - филтър, като е съгласуван с импеданса на антената която ще ползвам, но не знам дали, как и важно ли съгласуването с изходният импеданс на крайното стъпало. За първи път в Интернет не намерих абсолютно нищо и много ще се радвам ако няхвърляте няколко идеи. Как да съгласувам фидера и антената с изходният импеданс на крайното стъпало, по възможно най математичен начин, защото нямам почти никакви инструменти с които да измервам практически нещата.
От мобилни телефони до цифрови камери
thebugger
- специалист
4 мнения в "Изчисляване изходния импеданс на усилвател на мощност в клас С"
thebugger
- специалист
- Мнения: 455
Не аз антената ще я съгласувам няй вече теоритично, смис ще я наглася предварително и ще я пусна. На схемата има светодиоден индикатор, който показва грубо изходната мощност. Идеята е друга, да речеме че антената и чебишевския филтър са съгласувани, друго съгласуване трябва ли да се прави? Нещо към самият усилвател а/у?
AAsat
- специалист
Тема "Изчисляване изходния импеданс на усилвател на мощност в клас С" | Включи се в дискусията:
Сподели форума:
Бъди информиран. Следвай "Направи сам" във Facebook:
Намери изпълнител и вдъхновения за дома. Следвай MaistorPlus във Facebook:
Имаш нужда от подходящ професионалист за дома?
- Преустройство, ремонт и реновиране
- ↳ Вашите ремонти
- ↳ Кухня
- ↳ Баня
- ↳ Дневна
- ↳ Спалня
- ↳ Детска
- ↳ Градина
- ↳ Коридор
- ↳ Тераса и балкон
- Направи сам
- ↳ Направи сам
- ↳ Ремонтирай сам
- ↳ Къде е по-евтино?
- ↳ Дърводелство
- ↳ Ел. инструменти
- ↳ Металообработване
- ↳ Конкурс "Направи сам 2012"
- Строителство
- ↳ Всичко за вилата
- ↳ Къщи
- ↳ Саниране
- ↳ Хидроизолация
- ↳ Пасивни и нискоенергийни сгради
- Сухо строителство
- ↳ Окачени тавани
- ↳ Преградни стени и предстенни обшивки
- ↳ Сухи и повдигнати подове
- ↳ Декоративни елементи - колони, трегери, сводове и др.
- ↳ Всичко за гипскартона и гипсфазера
- Въпроси и Отговори
- ↳ Полезни съвети
- ↳ Автомобили
- ↳ Партньори
- ↳ Боядисване и Декориране
- ↳ Вентилация, климатици и термопомпи
- ↳ Водоснабдяване и канализация.
- ↳ Всичко за ремонта
- ↳ Електротехника
- ↳ Отопление
- ↳ Газификация
- ↳ Електроника и Схеми
- ↳ Газобетон
- ↳ От всичко по малко
- ↳ Компютри и периферия
- ↳ Уеб дизайн, PHP, MySQL, JavaScript, HTML..
- ↳ Мобилни устройства, GSM-и
- ↳ Нека се запознаем
- ↳ Recycle Bin
- Статии
- ↳ Практични решения
- ↳ Качване на снимки
- ↳ Какви статии искате?
- ↳ Готварство, туршии и зимнина
- ↳ Отмора и шеги
- ↳ От нищо нещо
- ↳ Не е за вярване
- ↳ Литература
- ↳ Връзки към Интересни сайтове
- Магазин
- ↳ Препоръки и Мнения за он-лайн магазина
- ↳ Крадeни инструменти !!!