Здравейте
някой да е срещал по магазините ексцентрик 1/2М - 1/2Ж, излизат ми само руски сайтове.
другия вариант е да преправя стандартен екцентрик (по думите на магазинерите) но пък той трябва да е къс и да е с малко отместване 5 мм, +/-1.
пак намирам такъв само в руски сайтове, слагам снимка

vidove-ekscentrici-za-miksera_8.jpg (17.16 KиБ) Видяна 1358 пъти
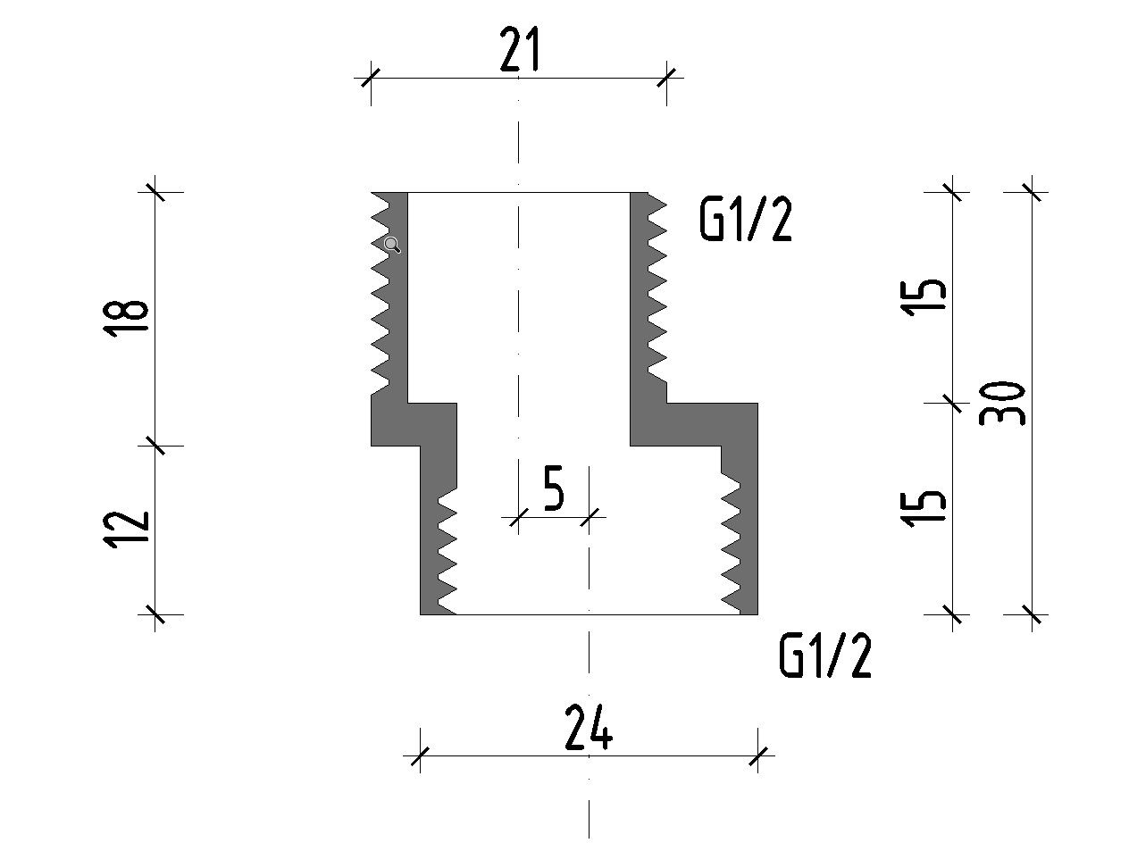
трети вариант стругар да ми го направи - моля препоръчайте ми, слагам чертеж

Screenshot 2022-07-05 192004.jpg (62.98 KиБ) Видяна 1353 пъти
четвърти вариант: ...?
п.п. няма да минава вода под налягане на водопровода, това е след смесителя, вече към питата на душа.
някой да е срещал по магазините ексцентрик 1/2М - 1/2Ж, излизат ми само руски сайтове.
другия вариант е да преправя стандартен екцентрик (по думите на магазинерите) но пък той трябва да е къс и да е с малко отместване 5 мм, +/-1.
пак намирам такъв само в руски сайтове, слагам снимка
Прикачен файл:
vidove-ekscentrici-za-miksera_8.jpg (17.16 KиБ) Видяна 1358 пъти
трети вариант стругар да ми го направи - моля препоръчайте ми, слагам чертеж
Прикачен файл:
Screenshot 2022-07-05 192004.jpg (62.98 KиБ) Видяна 1353 пъти
четвърти вариант: ...?
п.п. няма да минава вода под налягане на водопровода, това е след смесителя, вече към питата на душа.
Последна промяна от swenstyle на ср юли 06, 2022 1:27 am, променено общо 1 път.

