Светодиоди на алуминиева подложка свалям с малка газова горелка(бренер), нагряваш отдолу, за две-три секунди се е разпоил и с отвертка го плъзгаш извън лентата.
Съвети от майстори за майстори. Полезни проспособления и инструменти.
ESPACE
- майстор
133 мнения в "LED крушки V-TAC"
grizan1980
- специалист
- На линия
- Мнения: 182
Опредлено всички производители гледат продажбите и я изкара повече от гаранцията , я не..... Имам едни лунички на 220 В по 5 W вече 3та година са добре , а тези на Е27 си горят .... От тези които са 3 на промоция ми казаха да не купувам ..... А Осрамките не ги хвалете .... и те вече са доста покитайчени .... В завода в една лаборатория ги тестват с едни стендове .... за да изкарат гаранцията .....
kozl
- майстор
- Мнения: 11690
нед мар 03, 2019 8:54 amESPACE написа: Светодиоди на алуминиева подложка свалям с малка газова горелка(бренер), нагряваш отдолу, за две-три секунди се е разпоил и с отвертка го плъзгаш извън лентата.Става супер бързо на изрязаните ал.плочки с по 1 диод. А "горелката" некаква Лидълска, дето и се огъва предната удължена част. Имам и по-сериозна, ама и нея требе да я търся.
kozl
- майстор
- Мнения: 11690
Вчера посетих Практикер на Цариградско, вече след ремонта.
Изкуших се и купих LED крушки 9W по 1,19 лв/бр с 2 г. гаранция.
Обаче гледам LED прожектори 10W, IP65 за 2,50 лв/бр., а 20W за 7,50 лв/бр.
Ползвам 20W, ремонтирани поне по 2 пъти заради повреда в светодиодната матрица.
Та с тия цени прожекторите вече стаат без ремонт оти са капсуловани. Стъклото е залепено за корпусната вана и немам идея как може да се отлепи здраво.
Изкуших се и купих LED крушки 9W по 1,19 лв/бр с 2 г. гаранция.
Обаче гледам LED прожектори 10W, IP65 за 2,50 лв/бр., а 20W за 7,50 лв/бр.
Ползвам 20W, ремонтирани поне по 2 пъти заради повреда в светодиодната матрица.
Та с тия цени прожекторите вече стаат без ремонт оти са капсуловани. Стъклото е залепено за корпусната вана и немам идея как може да се отлепи здраво.
kozl
- майстор
- Мнения: 11690
Оказва се, че съм събрал няколко разновидности на V-TAC 9W.
Тази:

V-TAC-9W_3.jpg (87.34 KиБ) Видяна 1933 пъти
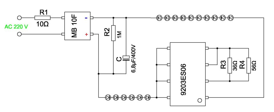
има такава схема:

Схема V-TAC-9W_3.jpg (27.93 KиБ) Видяна 1910 пъти
Точно тази свети слабо някъде с 3mA ток.
16 броя светодиода, които ми показват по 16V напрежение. С ампермер измервам 3mA, като шунтирам диод и той загасва. Така шунтирах един по един всичките 16 диода на платката да разсея съмнение, че някой от диодите лимитира тока. Освен да са два или повече
С проверка с външен източник и ток под 5 mA просветнах всички диоди и не виждам разлика в светенето им. при тест с външно захранване под 5mA. Всичйи светят еднакво забележимо.
Съпротивлението на двата резистора показа 21,7 ома.
За сега нямам идея къде е повредата
Тази:
Прикачен файл:
V-TAC-9W_3.jpg (87.34 KиБ) Видяна 1933 пъти
има такава схема:
Прикачен файл:
Схема V-TAC-9W_3.jpg (27.93 KиБ) Видяна 1910 пъти
Точно тази свети слабо някъде с 3mA ток.
16 броя светодиода, които ми показват по 16V напрежение. С ампермер измервам 3mA, като шунтирам диод и той загасва. Така шунтирах един по един всичките 16 диода на платката да разсея съмнение, че някой от диодите лимитира тока. Освен да са два или повече
Съпротивлението на двата резистора показа 21,7 ома.
За сега нямам идея къде е повредата
Последна промяна от kozl на чет фев 06, 2025 1:35 pm, променено общо 1 път.
Тема "LED крушки V-TAC" | Включи се в дискусията:
Сподели форума:
Бъди информиран. Следвай "Направи сам" във Facebook:
Намери изпълнител и вдъхновения за дома. Следвай MaistorPlus във Facebook:
Имаш нужда от подходящ професионалист за дома?
- Преустройство, ремонт и реновиране
- ↳ Вашите ремонти
- ↳ Кухня
- ↳ Баня
- ↳ Дневна
- ↳ Спалня
- ↳ Детска
- ↳ Градина
- ↳ Коридор
- ↳ Тераса и балкон
- Направи сам
- ↳ Направи сам
- ↳ Ремонтирай сам
- ↳ Къде е по-евтино?
- ↳ Дърводелство
- ↳ Ел. инструменти
- ↳ Металообработване
- ↳ Конкурс "Направи сам 2012"
- Строителство
- ↳ Всичко за вилата
- ↳ Къщи
- ↳ Саниране
- ↳ Хидроизолация
- ↳ Пасивни и нискоенергийни сгради
- Сухо строителство
- ↳ Окачени тавани
- ↳ Преградни стени и предстенни обшивки
- ↳ Сухи и повдигнати подове
- ↳ Декоративни елементи - колони, трегери, сводове и др.
- ↳ Всичко за гипскартона и гипсфазера
- Въпроси и Отговори
- ↳ Полезни съвети
- ↳ Автомобили
- ↳ Партньори
- ↳ Боядисване и Декориране
- ↳ Вентилация, климатици и термопомпи
- ↳ Водоснабдяване и канализация.
- ↳ Всичко за ремонта
- ↳ Електротехника
- ↳ Отопление
- ↳ Газификация
- ↳ Електроника и Схеми
- ↳ Газобетон
- ↳ От всичко по малко
- ↳ Компютри и периферия
- ↳ Уеб дизайн, PHP, MySQL, JavaScript, HTML..
- ↳ Мобилни устройства, GSM-и
- ↳ Нека се запознаем
- ↳ Recycle Bin
- Статии
- ↳ Практични решения
- ↳ Качване на снимки
- ↳ Какви статии искате?
- ↳ Готварство, туршии и зимнина
- ↳ Отмора и шеги
- ↳ От нищо нещо
- ↳ Не е за вярване
- ↳ Литература
- ↳ Връзки към Интересни сайтове
- Магазин
- ↳ Препоръки и Мнения за он-лайн магазина
- ↳ Крадeни инструменти !!!