Преди топологиите:
Диодът D22 от старата схема е излишен, тъй като обратното напрежение на прехода "е-в" на Т15 е под максимално допустимото - 5V (в случая - 4.97V), при което епитаксиалната база не може да пробие ценерово. Това напрежение се определя от делителя R38; R39, плюс пада върху светодиода LED6, като максималната му стойност е само в нулите на напрежението, а през останалото време на полупериода е по-ниско, което се вижда от осцилограмата:
Най-долната пунктирана линия е референтна "нула", а горната съвпада с напрежението на базата на Т15.
На втория лъч на осцилоскопа е синхронизиращата, изправена синусоида, която е натоварена със зарядния ток на акумулатора.
Диференциалното напрежение, отчетено от пунктираните линии, не e 49.7V ( в горната част на дисплея), а 4.97V, което се дължи на сондовия делител Р10х.
На следващата осцилограма се виждат синхронизиращите полусинусоиди, плюс гейтовите импулси към тиристора, измерени в емитера на Т16:
От мобилни телефони до цифрови камери
П. Петков
- специалист
294 мнения в "Схема на зарядно"
П. Петков
- специалист
- Мнения: 678
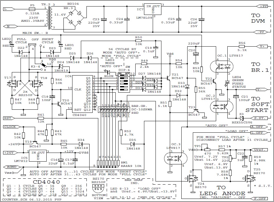
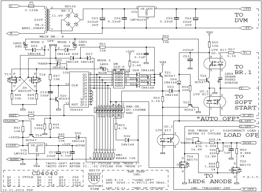
Кое не ясно?
Схемата не е сложна (много).
Бих могъл да направя детайлно описание, ако някому е интересно, но за мнозинството ще е досадно. А иначе забавлението да я направя не ми струва нищо, освен време! А както е казал Остап Бендер: "Время, которое у нас есть - это денги, которые у нас нет!"
Ремарка: "казал", а не казвал, защото е жив и безсмъртен, както Кузьма Прутков и поручик Ржевский (http://www.tveedo.ru/humor/21/41.html).
Схемата не е сложна (много).
Бих могъл да направя детайлно описание, ако някому е интересно, но за мнозинството ще е досадно. А иначе забавлението да я направя не ми струва нищо, освен време! А както е казал Остап Бендер: "Время, которое у нас есть - это денги, которые у нас нет!"
Ремарка: "казал", а не казвал, защото е жив и безсмъртен, както Кузьма Прутков и поручик Ржевский (http://www.tveedo.ru/humor/21/41.html).
Последна промяна от П. Петков на пон дек 07, 2015 7:17 am, променено общо 1 път.
jordanvass
- майстор
- Мнения: 1026
П. Петков написа:Кое не ясно?Петков, адмирации за ентусиазма и положения труд да направиш идеалното зарядно!
Схемата не е сложна (много).
hidrazin
- майстор
- На линия
- Мнения: 26355
П. Петков написа:Кое не ясно?Споко. На Хараламби нищо не му е ясно.
Вероятно пак са го бамнали в поредния форум и сега наминава тук за да си изкъка товара от фек...ии.
Обикновено постовете му започват с многоточие, следва нещо нечленоразделно, пак многоточие следвано от няколко безсмислени думи и завършва с ... многоточие.
kozl
- майстор
- Мнения: 11539
За мен е сложна. Включва доста елементи и определено надхвърля възможностите ми за направи сам. Особено ако трябва да мисля и за платка.
И все пак хвала г-н Петков, за вашите възможности и за гова, че ги споделихте.
Вече разполагам с три умни (автоматични) зарядни и един советски ветеран с ръчен превключвател към вторичната намоткаэна трафа.
Но колкото и логика да има в зарядното, то не може да получи обратна връзка за гъстотата на електролита.
От трите умни зарядни едното не може да презареди акумулатора, за разлика от другите две.
Та от подобни терзания и неволи достигнах до заключение, че е по-удачно да разполагам с обслужваем акумулатор, аерометър за киселина, ръчно зарядно и таймер.
И все пак хвала г-н Петков, за вашите възможности и за гова, че ги споделихте.
Вече разполагам с три умни (автоматични) зарядни и един советски ветеран с ръчен превключвател към вторичната намоткаэна трафа.
Но колкото и логика да има в зарядното, то не може да получи обратна връзка за гъстотата на електролита.
От трите умни зарядни едното не може да презареди акумулатора, за разлика от другите две.
Та от подобни терзания и неволи достигнах до заключение, че е по-удачно да разполагам с обслужваем акумулатор, аерометър за киселина, ръчно зарядно и таймер.
pansim
- майстор
- Мнения: 1291
kozl написа: Та от подобни терзания и неволи достигнах до заключение, че е по-удачно да разполагам с обслужваем акумулатор, аерометър за киселина, ръчно зарядно и таймер.Най-после някой да стигне до истината.
Ако му се занимава на човек - това е правилния и ЕДИНСТВЕН начин да се постигне пълен заряд на акумулатора, без презареждане и евентуална вреда.
Но, имам познат който точно така си зарежда акумулаторите на двете коли, а пък аз обикновено въобще не ги зареждам освен ако нещо се наложи
И колкото и странно да звучи - и двамата си караме горе-долу еднакво време с акумулаторите. Най-често 4-5 години.
Та какъв е смисъла нещо ми се губи, да не говорим че акумулатори с капачки отдавна не използувам.
И затова си имам простичко зарядно с един TOP 256 с ограничение на тока и стабилно крайно напрежение. Повече не ми трябва и както се оказва на 90% от хората им трябва точно това. За другите 10% - схемата на г-н Петков
П. Петков
- специалист
- Мнения: 678
Предлагам единственото комунално-битово приложение на формулата на Айнщайн Е=mC**2 в нов, съвършено точен метод за измерване зареденото състояние на 12 Волтов акумулатор с капацитет 65 Аh:
14.4 V*65(Ah) = енергията в Джаули, запасена в заредения акумулатор.
Делим енергията на C**2 и получаваме масата на енергията. След това зареждаме акумулатора дотогава, докато получим тегло, което е равно на теглото на енергията плюс теглото на железарията.
Не трябва да се забравя, че теглото е сила, а не маса и ще трябва да го делим на земното ускорение, за да получим масата: 9.80665 (m/s**2)
"Я гений, прочь сомненья, даеш восторги лавры и цветы!"
За справка: теглото на енергията на упоменатия по-горе акумулатор е:
(3 369 000*9.80665)/9*10**16
Такива подходящи кантари има на "Женския пазар" в София (на "Колхозния" във Варна също). Там "мерят" с такава точност, като обикновено в голямата паланца има винаги постоянно сложен голям картоф, (който купувачът не вижда), но той е за компенсация на триенето в призмите и на Кориолисовото ускорение, и хич не трябва да ни (Ви) смущава. Може да се ползва и кантар "паланца": https://www.google.bg/search?q=%D0%BA%D ... Cd4QsAQIIA
14.4 V*65(Ah) = енергията в Джаули, запасена в заредения акумулатор.
Делим енергията на C**2 и получаваме масата на енергията. След това зареждаме акумулатора дотогава, докато получим тегло, което е равно на теглото на енергията плюс теглото на железарията.
Не трябва да се забравя, че теглото е сила, а не маса и ще трябва да го делим на земното ускорение, за да получим масата: 9.80665 (m/s**2)
"Я гений, прочь сомненья, даеш восторги лавры и цветы!"
За справка: теглото на енергията на упоменатия по-горе акумулатор е:
(3 369 000*9.80665)/9*10**16
Такива подходящи кантари има на "Женския пазар" в София (на "Колхозния" във Варна също). Там "мерят" с такава точност, като обикновено в голямата паланца има винаги постоянно сложен голям картоф, (който купувачът не вижда), но той е за компенсация на триенето в призмите и на Кориолисовото ускорение, и хич не трябва да ни (Ви) смущава. Може да се ползва и кантар "паланца": https://www.google.bg/search?q=%D0%BA%D ... Cd4QsAQIIA
Последна промяна от П. Петков на чет дек 10, 2015 5:36 am, променено общо 1 път.
Тема "Схема на зарядно" | Включи се в дискусията:
Сподели форума:
Бъди информиран. Следвай "Направи сам" във Facebook:
Намери изпълнител и вдъхновения за дома. Следвай MaistorPlus във Facebook:
Имаш нужда от подходящ професионалист за дома?
- Преустройство, ремонт и реновиране
- ↳ Вашите ремонти
- ↳ Кухня
- ↳ Баня
- ↳ Дневна
- ↳ Спалня
- ↳ Детска
- ↳ Градина
- ↳ Коридор
- ↳ Тераса и балкон
- Направи сам
- ↳ Направи сам
- ↳ Ремонтирай сам
- ↳ Къде е по-евтино?
- ↳ Дърводелство
- ↳ Ел. инструменти
- ↳ Металообработване
- ↳ Конкурс "Направи сам 2012"
- Строителство
- ↳ Всичко за вилата
- ↳ Къщи
- ↳ Саниране
- ↳ Хидроизолация
- ↳ Пасивни и нискоенергийни сгради
- Сухо строителство
- ↳ Окачени тавани
- ↳ Преградни стени и предстенни обшивки
- ↳ Сухи и повдигнати подове
- ↳ Декоративни елементи - колони, трегери, сводове и др.
- ↳ Всичко за гипскартона и гипсфазера
- Въпроси и Отговори
- ↳ Полезни съвети
- ↳ Автомобили
- ↳ Партньори
- ↳ Боядисване и Декориране
- ↳ Вентилация, климатици и термопомпи
- ↳ Водоснабдяване и канализация.
- ↳ Всичко за ремонта
- ↳ Електротехника
- ↳ Отопление
- ↳ Газификация
- ↳ Електроника и Схеми
- ↳ Газобетон
- ↳ От всичко по малко
- ↳ Компютри и периферия
- ↳ Уеб дизайн, PHP, MySQL, JavaScript, HTML..
- ↳ Мобилни устройства, GSM-и
- ↳ Нека се запознаем
- ↳ Recycle Bin
- Статии
- ↳ Практични решения
- ↳ Качване на снимки
- ↳ Какви статии искате?
- ↳ Готварство, туршии и зимнина
- ↳ Отмора и шеги
- ↳ От нищо нещо
- ↳ Не е за вярване
- ↳ Литература
- ↳ Връзки към Интересни сайтове
- Магазин
- ↳ Препоръки и Мнения за он-лайн магазина
- ↳ Крадeни инструменти !!!