Преди топологиите:
Диодът D22 от старата схема е излишен, тъй като обратното напрежение на прехода "е-в" на Т15 е под максимално допустимото - 5V (в случая - 4.97V), при което епитаксиалната база не може да пробие ценерово. Това напрежение се определя от делителя R38; R39, плюс пада върху светодиода LED6, като максималната му стойност е само в нулите на напрежението, а през останалото време на полупериода е по-ниско, което се вижда от осцилограмата:
Най-долната пунктирана линия е референтна "нула", а горната съвпада с напрежението на базата на Т15.
На втория лъч на осцилоскопа е синхронизиращата, изправена синусоида, която е натоварена със зарядния ток на акумулатора.
Диференциалното напрежение, отчетено от пунктираните линии, не e  49.7V ( в горната част на дисплея), а 4.97V, което се дължи на сондовия делител Р10х.
На следващата осцилограма се виждат синхронизиращите полусинусоиди, плюс гейтовите импулси към тиристора, измерени в емитера на Т16:
								
															
																															
																								
															От мобилни телефони до цифрови камери
		
		
		
		
		
	
		
		
			 
		
	
		П. Петков 
	
				- специалист			
				
				294 мнения в "Схема на зарядно"
		
		
			 
		
	
		П. Петков 
	
				- специалист			
				
				
- Мнения: 675
Кое не ясно?
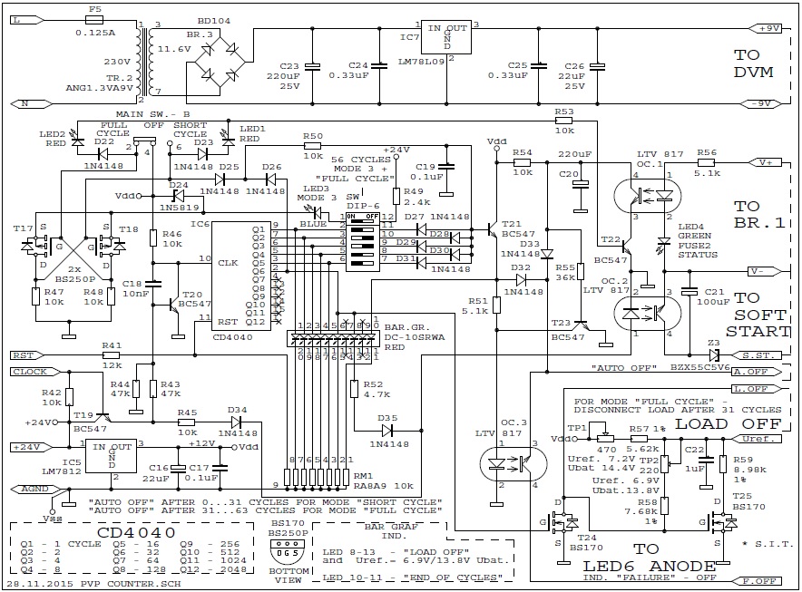
Схемата не е сложна (много).
Бих могъл да направя детайлно описание, ако някому е интересно, но за мнозинството ще е досадно. А иначе забавлението да я направя не ми струва нищо, освен време! А както е казал Остап Бендер: "Время, которое у нас есть - это денги, которые у нас нет!"
Ремарка: "казал", а не казвал, защото е жив и безсмъртен, както Кузьма Прутков и поручик Ржевский (http://www.tveedo.ru/humor/21/41.html). 
								
															
																																	Схемата не е сложна (много).
Бих могъл да направя детайлно описание, ако някому е интересно, но за мнозинството ще е досадно. А иначе забавлението да я направя не ми струва нищо, освен време! А както е казал Остап Бендер: "Время, которое у нас есть - это денги, которые у нас нет!"
Ремарка: "казал", а не казвал, защото е жив и безсмъртен, както Кузьма Прутков и поручик Ржевский (http://www.tveedo.ru/humor/21/41.html).
 
										Последна промяна от П. Петков на пон дек 07, 2015 7:17 am, променено общо 1 път.
																			
															
																								
															
		
		
			 
		
	
		jordanvass 
	
				- майстор			
				
				
- Мнения: 1026
П. Петков написа:Кое не ясно?Петков, адмирации за ентусиазма и положения труд да направиш идеалното зарядно!
Схемата не е сложна (много).
 
   Не се наемам да дам оценка, но съм убеден, че наистина си успял. Обаче твоето творение отдавна излезе от рамките на този форум и едва ли някой ще тръгне да си го направи сам. Виж - почти няма и коментари дори. Хората тук предпочитат да е нещо с максимум 5 елемента на кръст и да върши работа. А ти толкова усложни нещата, че вече е трудно човек дори само идея да вземе за някой модул от твоя шедьовър. А пък за промишлено производство смятам, че себестойността на продукта ще излезне от всякакви конкурентни граници. Накрая ще се окаже, че целият ти труд е отишъл за едното мозъчно удоволствие. Но те разбирам напълно.
 Не се наемам да дам оценка, но съм убеден, че наистина си успял. Обаче твоето творение отдавна излезе от рамките на този форум и едва ли някой ще тръгне да си го направи сам. Виж - почти няма и коментари дори. Хората тук предпочитат да е нещо с максимум 5 елемента на кръст и да върши работа. А ти толкова усложни нещата, че вече е трудно човек дори само идея да вземе за някой модул от твоя шедьовър. А пък за промишлено производство смятам, че себестойността на продукта ще излезне от всякакви конкурентни граници. Накрая ще се окаже, че целият ти труд е отишъл за едното мозъчно удоволствие. Но те разбирам напълно.  Още веднъж - браво!
 Още веднъж - браво!
		
		
			 
		
	
		hidrazin 
	
				- майстор			
				
				
- Мнения: 25847
П. Петков написа:Кое не ясно?Споко. На Хараламби нищо не му е ясно.
Вероятно пак са го бамнали в поредния форум и сега наминава тук за да си изкъка товара от фек...ии.
Обикновено постовете му започват с многоточие, следва нещо нечленоразделно, пак многоточие следвано от няколко безсмислени думи и завършва с ... многоточие.
 
 
		
		
			 
		
	
		kozl 
	
				- майстор			
				
				
- Мнения: 11256
За мен е сложна. Включва доста елементи и определено надхвърля възможностите ми за направи сам. Особено ако трябва да мисля и за платка.
И все пак хвала г-н Петков, за вашите възможности и за гова, че ги споделихте.
Вече разполагам с три умни (автоматични) зарядни и един советски ветеран с ръчен превключвател към вторичната намоткаэна трафа.
Но колкото и логика да има в зарядното, то не може да получи обратна връзка за гъстотата на електролита.
От трите умни зарядни едното не може да презареди акумулатора, за разлика от другите две.
Та от подобни терзания и неволи достигнах до заключение, че е по-удачно да разполагам с обслужваем акумулатор, аерометър за киселина, ръчно зарядно и таймер.
								
															
																															
																								
															И все пак хвала г-н Петков, за вашите възможности и за гова, че ги споделихте.
Вече разполагам с три умни (автоматични) зарядни и един советски ветеран с ръчен превключвател към вторичната намоткаэна трафа.
Но колкото и логика да има в зарядното, то не може да получи обратна връзка за гъстотата на електролита.
От трите умни зарядни едното не може да презареди акумулатора, за разлика от другите две.
Та от подобни терзания и неволи достигнах до заключение, че е по-удачно да разполагам с обслужваем акумулатор, аерометър за киселина, ръчно зарядно и таймер.
		
		
			 
		
	
		pansim 
	
				- майстор			
				
				
- Мнения: 1291
kozl написа: Та от подобни терзания и неволи достигнах до заключение, че е по-удачно да разполагам с обслужваем акумулатор, аерометър за киселина, ръчно зарядно и таймер.Най-после някой да стигне до истината.
Ако му се занимава на човек - това е правилния и ЕДИНСТВЕН начин да се постигне пълен заряд на акумулатора, без презареждане и евентуална вреда.
Но, имам познат който точно така си зарежда акумулаторите на двете коли, а пък аз обикновено въобще не ги зареждам освен ако нещо се наложи
 
 И колкото и странно да звучи - и двамата си караме горе-долу еднакво време с акумулаторите. Най-често 4-5 години.
Та какъв е смисъла нещо ми се губи, да не говорим че акумулатори с капачки отдавна не използувам.
И затова си имам простичко зарядно с един TOP 256 с ограничение на тока и стабилно крайно напрежение. Повече не ми трябва и както се оказва на 90% от хората им трябва точно това. За другите 10% - схемата на г-н Петков
		
		
			 
		
	
		П. Петков 
	
				- специалист			
				
				
- Мнения: 675
Предлагам единственото комунално-битово приложение на формулата на Айнщайн Е=mC**2 в нов, съвършено точен метод за измерване зареденото състояние на 12 Волтов акумулатор с капацитет 65 Аh:
14.4 V*65(Ah) = енергията в Джаули, запасена в заредения акумулатор.
Делим енергията на C**2 и получаваме масата на енергията. След това зареждаме акумулатора дотогава, докато получим тегло, което е равно на теглото на енергията плюс теглото на железарията.
Не трябва да се забравя, че теглото е сила, а не маса и ще трябва да го делим на земното ускорение, за да получим масата: 9.80665 (m/s**2)
"Я гений, прочь сомненья, даеш восторги лавры и цветы!" 
   
   
 
За справка: теглото на енергията на упоменатия по-горе акумулатор е:
(3 369 000*9.80665)/9*10**16
Такива подходящи кантари има на "Женския пазар" в София (на "Колхозния" във Варна също). Там "мерят" с такава точност, като обикновено в голямата паланца има винаги постоянно сложен голям картоф, (който купувачът не вижда), но той е за компенсация на триенето в призмите и на Кориолисовото ускорение, и хич не трябва да ни (Ви) смущава. Може да се ползва и кантар "паланца": https://www.google.bg/search?q=%D0%BA%D ... Cd4QsAQIIA
								
															
																																	14.4 V*65(Ah) = енергията в Джаули, запасена в заредения акумулатор.
Делим енергията на C**2 и получаваме масата на енергията. След това зареждаме акумулатора дотогава, докато получим тегло, което е равно на теглото на енергията плюс теглото на железарията.
Не трябва да се забравя, че теглото е сила, а не маса и ще трябва да го делим на земното ускорение, за да получим масата: 9.80665 (m/s**2)
"Я гений, прочь сомненья, даеш восторги лавры и цветы!"
 
   
   
 За справка: теглото на енергията на упоменатия по-горе акумулатор е:
(3 369 000*9.80665)/9*10**16
Такива подходящи кантари има на "Женския пазар" в София (на "Колхозния" във Варна също). Там "мерят" с такава точност, като обикновено в голямата паланца има винаги постоянно сложен голям картоф, (който купувачът не вижда), но той е за компенсация на триенето в призмите и на Кориолисовото ускорение, и хич не трябва да ни (Ви) смущава. Може да се ползва и кантар "паланца": https://www.google.bg/search?q=%D0%BA%D ... Cd4QsAQIIA
										Последна промяна от П. Петков на чет дек 10, 2015 5:36 am, променено общо 1 път.
																			
															
																								
															Тема "Схема на зарядно" | Включи се в дискусията:
Сподели форума:
Бъди информиран. Следвай "Направи сам" във Facebook:
Намери изпълнител и вдъхновения за дома. Следвай MaistorPlus във Facebook:
Имаш нужда от подходящ професионалист за дома?
- Преустройство, ремонт и реновиране
- ↳ Вашите ремонти
- ↳ Кухня
- ↳ Баня
- ↳ Дневна
- ↳ Спалня
- ↳ Детска
- ↳ Градина
- ↳ Коридор
- ↳ Тераса и балкон
- Направи сам
- ↳ Направи сам
- ↳ Ремонтирай сам
- ↳ Къде е по-евтино?
- ↳ Дърводелство
- ↳ Ел. инструменти
- ↳ Металообработване
- ↳ Конкурс "Направи сам 2012"
- Строителство
- ↳ Всичко за вилата
- ↳ Къщи
- ↳ Саниране
- ↳ Хидроизолация
- ↳ Пасивни и нискоенергийни сгради
- Сухо строителство
- ↳ Окачени тавани
- ↳ Преградни стени и предстенни обшивки
- ↳ Сухи и повдигнати подове
- ↳ Декоративни елементи - колони, трегери, сводове и др.
- ↳ Всичко за гипскартона и гипсфазера
- Въпроси и Отговори
- ↳ Полезни съвети
- ↳ Автомобили
- ↳ Партньори
- ↳ Боядисване и Декориране
- ↳ Вентилация, климатици и термопомпи
- ↳ Водоснабдяване и канализация.
- ↳ Всичко за ремонта
- ↳ Електротехника
- ↳ Отопление
- ↳ Газификация
- ↳ Електроника и Схеми
- ↳ Газобетон
- ↳ От всичко по малко
- ↳ Компютри и периферия
- ↳ Уеб дизайн, PHP, MySQL, JavaScript, HTML..
- ↳ Мобилни устройства, GSM-и
- ↳ Нека се запознаем
- ↳ Recycle Bin
- Статии
- ↳ Практични решения
- ↳ Качване на снимки
- ↳ Какви статии искате?
- ↳ Готварство, туршии и зимнина
- ↳ Отмора и шеги
- ↳ От нищо нещо
- ↳ Не е за вярване
- ↳ Литература
- ↳ Връзки към Интересни сайтове
- Магазин
- ↳ Препоръки и Мнения за он-лайн магазина
- ↳ Крадeни инструменти !!!