Място за идеи и желания за проектиране и изработка на готови проекти.
raim433
- напреднал
1980 мнения в "Изработка на инверторен електрожен"
АБВ потребител
- специалист
- Мнения: 719
Колега Raim33,ще кажеш ли по каква схема е това чудо?? Полумост, но какъв??? 
emsy
- специалист
- Мнения: 95
пет фев 28, 2020 12:43 pmraim433 написа: 20200228_123433.jpegНе вярвай на показанията на уреда, при това мерене
Това е вече при 320в честотата не е същаща. По принцип би трябвало да е пак на 50кHz.
Тук имаш доста хармоници и уреда не отчита само основната честота.
Най сигурно е със скоп-а. Но си намери високоволтова сонда и изолирай скопа от мрежата.
Може и друго: два трафа последователно 230/...15 ---> 15/230 и от тях захранваш силовата част на е-жена. Така хем ще се ограничи тока ако стане фал и даде на късо някъде .
raim433
- напреднал
- Мнения: 41
пет фев 28, 2020 9:47 pmemsy написа:Колега извинявай но какво имаш предвид за изолиране на скопа от мрежата.пет фев 28, 2020 12:43 pmraim433 написа: 20200228_123433.jpegНе вярвай на показанията на уреда, при това мерене
Това е вече при 320в честотата не е същаща. По принцип би трябвало да е пак на 50кHz.
Тук имаш доста хармоници и уреда не отчита само основната честота.
Най сигурно е със скоп-а. Но си намери високоволтова сонда и изолирай скопа от мрежата.
Може и друго: два трафа последователно 230/...15 ---> 15/230 и от тях захранваш силовата част на е-жена. Така хем ще се ограничи тока ако стане фал и даде на късо някъде .
АБВ потребител
- специалист
- Мнения: 719
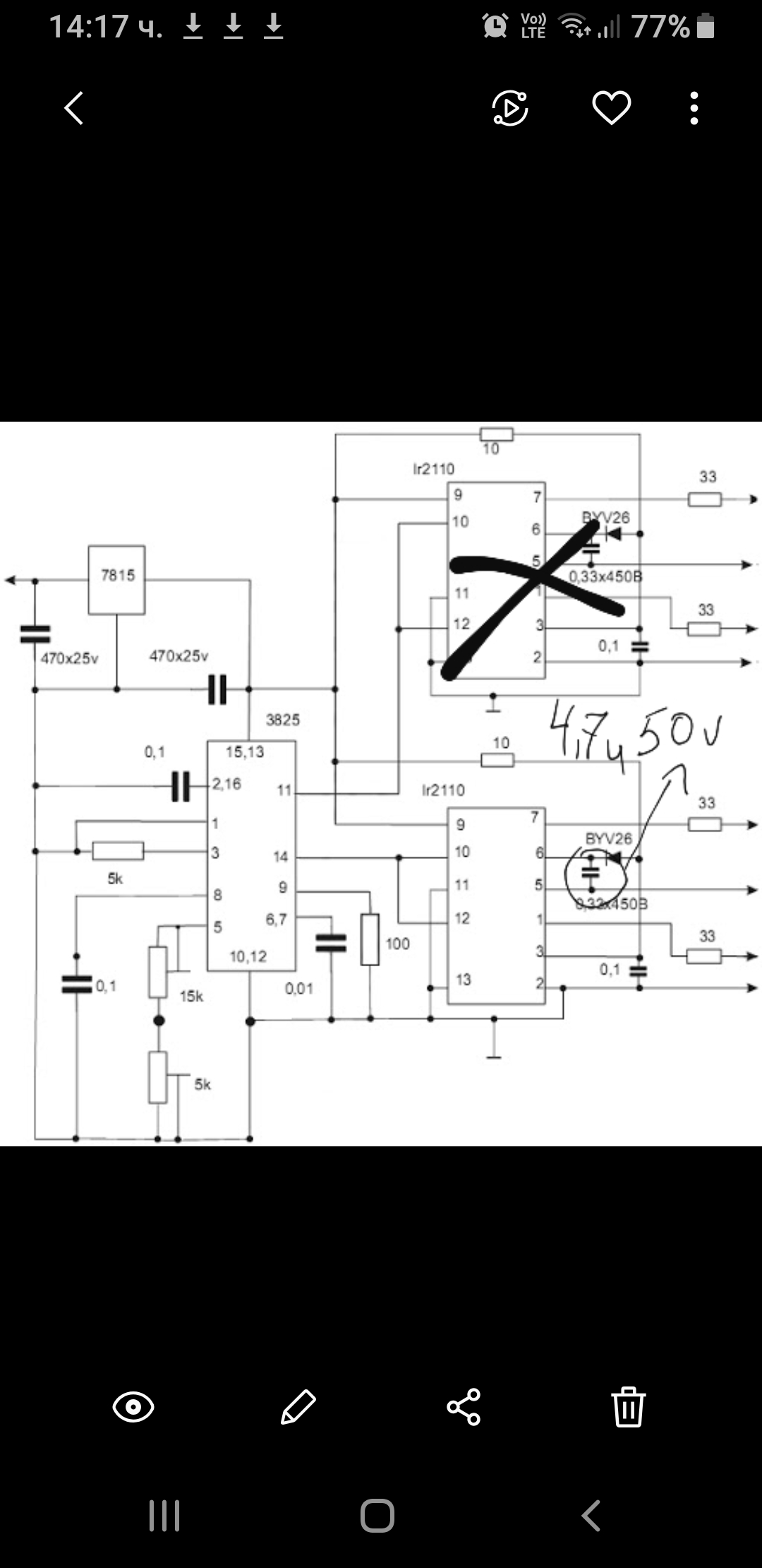
Така няма да станат нещата.Щом греят транзисторите, значи драйвера не ти е направен както трябва. А трансформатора грее ли на празен ход, и какъв му е тока, това е ВАЖНО? А как ще ограничиш тока на късо във веригата. На вторичната намотка имаш предвид 2х4,5 навивки, защото това е двутактна схема, и ти трябва двупътен изправител. И тези капацитети са малки за тази схема според мен, слагат се електролити 470мф на 200в.Ето така трябва да ти изглежда силовата част.

полумост11111.jpg (100.21 KиБ) Видяна 2025 пъти

полумост 22222.jpg (33.41 KиБ) Видяна 2025 пъти
Прикачен файл:
полумост11111.jpg (100.21 KиБ) Видяна 2025 пъти
Прикачен файл:
полумост 22222.jpg (33.41 KиБ) Видяна 2025 пъти
АБВ потребител
- специалист
- Мнения: 719
пет фев 28, 2020 9:47 pmemsy написа:За уреда с който мери честотата си прав,но за разделителния траф не. Не се прави така. При късо винаги протича много голям ток и в двете намотки ,и ако няма някакъв товар да го ограничи ще има бум. Трябва му траф с коефицент на тр. 1/1 на 230в , и товар от първичната страна на определена мощност,за да ограничи тока при евентуално късо на вторичната.пет фев 28, 2020 12:43 pmraim433 написа: 20200228_123433.jpegНе вярвай на показанията на уреда, при това мерене
Това е вече при 320в честотата не е същаща. По принцип би трябвало да е пак на 50кHz.
Тук имаш доста хармоници и уреда не отчита само основната честота.
Най сигурно е със скоп-а. Но си намери високоволтова сонда и изолирай скопа от мрежата.
Може и друго: два трафа последователно 230/...15 ---> 15/230 и от тях захранваш силовата част на е-жена. Така хем ще се ограничи тока ако стане фал и даде на късо някъде .
АБВ потребител
- специалист
- Мнения: 719
Чети внимателно!!!
Товара в първичната е за друго
Драйвера го направи както е на схемата. Ако чипа ти е 494 ,двата изхода ги свързваш на двата входа на 2110. Трябва да сложиш дросел и кондензатори в първичната намотка на електрожена , както е дадено на схемата по горе.
Тема "Изработка на инверторен електрожен" | Включи се в дискусията:
Сподели форума:
Бъди информиран. Следвай "Направи сам" във Facebook:
Намери изпълнител и вдъхновения за дома. Следвай MaistorPlus във Facebook:
Имаш нужда от подходящ професионалист за дома?
- Преустройство, ремонт и реновиране
- ↳ Вашите ремонти
- ↳ Кухня
- ↳ Баня
- ↳ Дневна
- ↳ Спалня
- ↳ Детска
- ↳ Градина
- ↳ Коридор
- ↳ Тераса и балкон
- Направи сам
- ↳ Направи сам
- ↳ Ремонтирай сам
- ↳ Къде е по-евтино?
- ↳ Дърводелство
- ↳ Ел. инструменти
- ↳ Металообработване
- ↳ Конкурс "Направи сам 2012"
- Строителство
- ↳ Всичко за вилата
- ↳ Къщи
- ↳ Саниране
- ↳ Хидроизолация
- ↳ Пасивни и нискоенергийни сгради
- Сухо строителство
- ↳ Окачени тавани
- ↳ Преградни стени и предстенни обшивки
- ↳ Сухи и повдигнати подове
- ↳ Декоративни елементи - колони, трегери, сводове и др.
- ↳ Всичко за гипскартона и гипсфазера
- Въпроси и Отговори
- ↳ Полезни съвети
- ↳ Автомобили
- ↳ Партньори
- ↳ Боядисване и Декориране
- ↳ Вентилация, климатици и термопомпи
- ↳ Водоснабдяване и канализация.
- ↳ Всичко за ремонта
- ↳ Електротехника
- ↳ Отопление
- ↳ Газификация
- ↳ Електроника и Схеми
- ↳ Газобетон
- ↳ От всичко по малко
- ↳ Компютри и периферия
- ↳ Уеб дизайн, PHP, MySQL, JavaScript, HTML..
- ↳ Мобилни устройства, GSM-и
- ↳ Нека се запознаем
- ↳ Recycle Bin
- Статии
- ↳ Практични решения
- ↳ Качване на снимки
- ↳ Какви статии искате?
- ↳ Готварство, туршии и зимнина
- ↳ Отмора и шеги
- ↳ От нищо нещо
- ↳ Не е за вярване
- ↳ Литература
- ↳ Връзки към Интересни сайтове
- Магазин
- ↳ Препоръки и Мнения за он-лайн магазина
- ↳ Крадeни инструменти !!!
. Колега АБВ ако ми помогнеш ще се радвам.