• 1
  • 18
  • 19
  • 20
  • 21
  • 22
  • 36
Най - вълнуващия въпрос зимно време.
Jacomo - специалист
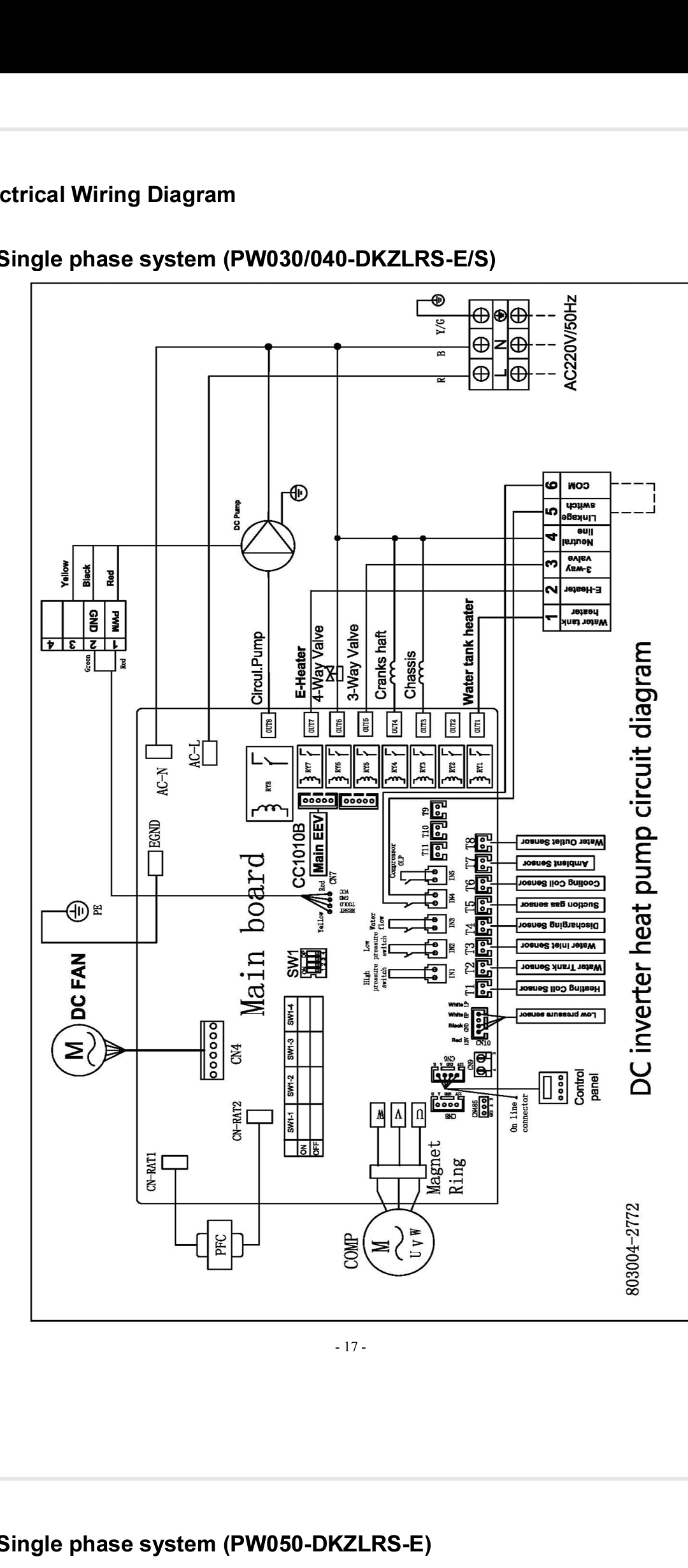
Аз имам досег с една ТП и там модулацията на компресора е изцяло базирана на темп. на връщащата вода. На всяка десета от градуса в рамките на дефинирания хистерезис отговаря някаква честота на компресора. Управлението е Dixell и подава към честотия инвертор сигнал за тази промяна, но не знам по какъв начин (цифров протокол/аналогов метод...), но си има кабелчета между двете. Цирк. помпа работи постоянно на макс. Т.е. има и някаква вероятност при теб да има проблем във връзката между управлението и честотния инвертор на компресора.

P.S. Зачетох се в упътването, сигналът е аналогов - напрежение между 0 и 10V. Т.е. може да се провери с волтметър на входа на инвертора и на изхода на управлението, ако имаш достъп.
Последна промяна от Jacomo на пон яну 20, 2025 9:39 am, променено общо 3 пъти.
jamezon - специалист
пон яну 20, 2025 8:45 ambrum написа:



По книжката пише друго за P01/P02. P01 първо пише cooling и второ никъде не пише хистерезис. Или книжката ти е много сбъркана, или разбирането ти за параметрите.
Виж на машината какво пише за P01 и Р02... Пробвано е,това,което ти казвам е. Пише cooling защото и за отопление и за охлаждане е един и същ параметъра. Хистерезиса се получава от двата параметъра Р01 и Р05.

Р05 е зададената целева темп. P01 е колко под нея да включи отново.Р08 е колко над нея да изключи.



пон яну 20, 2025 8:45 ambrum написа:

И за да избегнеш on/off цикли в тая ситуация - хистерезиса на приемлив максимум. Щом имаш смесители на подовото - на максималният.
Това не го схванах.
пон яну 20, 2025 8:45 ambrum написа:

P08 - това е корекция на зададената температура според външната според мен. Един вид да качва зададената температура автоматично като външната почне да пада. И не - не го търся този параметър.
Не Р22,23 и 24 за корекцията.
пон яну 20, 2025 8:45 ambrum написа:

1) Входяща и изходяща температура към ТП
2) Дебита на вода през TP
3) Електрическа консумирана мощност от ТП
4) Проценти на циркулационната помпа (ако има)

Нещо от сорта на: 32C/37C, 7.2l, 1.8kW, 40%.
Не знам само 2) как ще го измеря....
3) моментна ли?
4) го имам само на машината,но мога вечер да го проследя и едва ли ще стане скоро,понеже имам едно включване откакто се прибера,докато легна..

пон яну 20, 2025 8:45 ambrum написа:

Идеална работа биха свършили 2-3 примера докато топли къщата (не бойлера) и е прехвърлила зададената температура. Гледаш да хванеш моменти точно преди да изключи заради достигнати температури. По графиките дето ги качваш нищо не става ясно, защото са с много ниска резолюция по Y оста.
Ще гледам и ще записвам.
jamezon - специалист
Сега ги настроих така:
Целева темп отопление (Р05) 34° ;
Включване (р01) 4° под зададената (Р05) за да не пада под 30°;
Изключване(р08) 6° над зададената(Р05),за да изключи на 40° ;

ЦП на 100% ;

Вход-изход на ТП се запазва на 5°(макар,че не го спазва много много)
jamezon - специалист
пон яну 20, 2025 9:11 amJacomo написа:
Прикачен файл:
Screenshot_20250120-095556.png
brum - майстор
ЦП на фиксирани 100% е предпоставка за достигане на точката на изключване. Даже е гарантирано. Само в много студено време с тия проценти на ЦП няма да стигнеш до изключване.

dT на вход-изход не ги спазва постоянно. На ТП си задал 2 цели - подавана на Х градуса и dT на Y градуса. Подаваната е с приоритет. Т.е. при зададена 35 и dT имаш следните две ситуации:
1) 20/35 от ТП с dT от 15, но с подавана на 35. Контрола е по подавана.
2) 30/35 от ТП с dT от 5. Контрола е по dT.

И важен детайл е връщаната. Примерно задал си целево dT от 5 градуса и изключване на 40 (след хистерезиса). Като почне да връща 35 градуса към термопомпата ще докара 40 на изхода и ще изключи.

И сега помисли как можеш да смъкнеш връщаната към термопомпата за да не достигне тия 35. Или вдигаш консумацията от буфера и поддържа ниската в него под 35, или смъкваш дебита от ТП към буфера, за да може долу да седи по-студена вода.
jamezon - специалист
пон яну 20, 2025 10:00 ambrum написа:

И важен детайл е връщаната. Примерно задал си целево dT от 5 градуса и изключване на 40 (след хистерезиса). Като почне да връща 35 градуса към термопомпата ще докара 40 на изхода и ще изключи.
Нееее! Следи подаваната към ТП,когато тя стане 40° изключва,тогава изходящата ще е 45....
jamezon - специалист
пон яну 20, 2025 10:00 ambrum написа:
ЦП на фиксирани 100% е предпоставка за достигане на точката на изключване. Даже е гарантирано. Само в много студено време с тия проценти на ЦП няма да стигнеш до изключване.
ЦП на 30% dT от 5° стана 9,но компресора си е на макс.
Прикачен файл:
Screenshot_20250120-101724~2.png
Когато включва ТП,компресора почва на 18Hzминават няколко секунди отива на 50 Hz,там стои около 2 Мин, качва се на 60 Hz,след около още 10 сек на 70Hz и малко след това на 75 Hz(лимита)

Докато е на 50Hz, dT е 4°,не достига зададените 5°,ок ще вдигна още 10Hz си казва сиг,вдига и dT става 5° защо не спре да вдига мощността,а продължава?

И защо когато dT стане над 5° не започне да я намаля?
Това са нещата които трябва да се оправят. С цирк.помпа мога да си играя постоянно. Нея ще я народа,като оправим логиката....
Jacomo - специалист
Един глупав въпрос - какви са тия 75Hz на тоя компресор? Аз на дисплейчето на инвертора на "моята" съм виждал макс 50Hz и модулира между 30-35 и 50Hz, което е логично, защото мрежовата честота е 50Hz.
jamezon - специалист
пон яну 20, 2025 10:29 amJacomo написа:
Един глупав въпрос - какви са тия 75Hz на тоя компресор? Аз на дисплейчето на инвертора на "моята" съм виждал макс 50Hz и модулира между 30-35 и 50Hz, което е логично, защото мрежовата честота е 50Hz.
Моя е до 120Hz,но е ограничен на 75Hz...
brum - майстор
Обороти на компресора. Управлява ги инвертора.
  • 1
  • 18
  • 19
  • 20
  • 21
  • 22
  • 36

Тема "Термопомпа и подово отопление" | Включи се в дискусията:


Сподели форума:

Бъди информиран. Следвай "Направи сам" във Facebook:

Намери изпълнител и вдъхновения за дома. Следвай MaistorPlus във Facebook: