Колега, иди в първия сервиз за компютри и ги помоли за ЮПС. Едва ли ще ти откажат.
А пък ако се реши проблема?????
А пък ако се реши проблема?????
nike_3d написа:Плазмата е китайска. Само е зглобявана в България.Щом е китайска много се съмнявам,че ще направите нещо.Високочестотния им блок създава много силни смущения.Виж все пак тук http://www.machsupport.com/forum/index. ... ic=20076.0.Вариант е също да ти преправят паленето.Но такива смущения не е нормално да имаш.
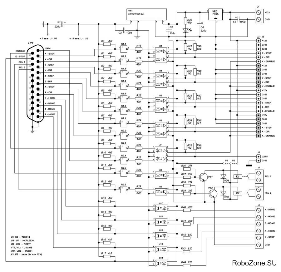
edesign написа:Трябва схема на тая платка иначе няма как да ти се помогне.Това е схемата на контролера.
Относно екранирането едва ли ще имаш траен и 100% добър краен резултат.
edesign написа: 3. много е вероятно и импулсното за галваничното разделяне да се бъгва от полето на дъгатаДругото добре, ама с това не съм съгласен. Едва ли захранването е непосредствено до дъгата
edesign написа:за да получи EN стандарт изделие то преминава през лаборатория за тест. Там един от тестовете е импулси с високо напрежение започва се от 1kV до 8кV. Импулсите се прилагат върху кутията на изделието по метални части - винтове, орнаменти и т.н. - т.е никаква връзка с електрониката в кутията.Съгласен съм с теб. Но в конкретния случай, захранването се предполага, че е много далече от дъгата, и ако е на примерно 2 метра
Прикачен файл
Сподели форума:
Бъди информиран. Следвай "Направи сам" във Facebook:
Намери изпълнител и вдъхновения за дома. Следвай MaistorPlus във Facebook: