Здравейте колеги!
Накратко,ситуацията е следната:
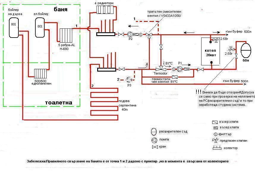
Преди 15 и повече години ,когато не знаех за този форум,а може и да не е съществувал, си направих парно с камина с в.риза в приземна стая на малка стара селска къща.Изпълних я с колектори като с един от кръговете захраних баня и тоалетна които са отделени от къщата -3м.Тръбите са закопани в земята с не особена добра изолация.Водата, която се връща от банята минава през подово в същата тази стая и се подава на студения колектор.Отделно захранвам още 4 радиатора по3квт.
Изкарах няколко години така,но разхода беше доста голям,а и камината често прегряваше,имах проблем с комина и т.н.Махнах я и си купих сръбско котле Централ23 .Сложих го на мястото на камината.С помощта на Антон,Филматипло и др.,на които сърдечно благодаря,преправих инсталацията до този вид по долу.
През изминалата зима ,която беше мека,едва стигна мощността да ме топли.Лятото направих изолация и нещата си дойдоха на мястото.Мисля ,че ще може да топли и буфер.Подготвил съм му място до котела,но още имам някакви съмнения.
Сега искам да подобря този кръг на банята с подовото.Циркулация в момента почти няма докато не включи Р2. Заради това не мога да топля бойлера.Включен е на ток ,защото котела го загрявам до около 60-65гр. и е топло в къщи . Р2 не включва-термостата е нагласен на 65-70гр.Да не говоря за подовото…
Л.Ганев в един от постовете си казва ,че някъде свързва бойлера паралелно на котела ,но не разбрах къде точно се свързва връщащата. А дали ще може да мине без трета помпа,не знам. Там където е крана/на снимката се вижда добре,след холендъра/ мисля да сложа помпата на връщащата вода,ноне знам дали има по-добър вариант.
.Ей такива въпроси ме тормозят и моля за коментари и съвети
п.п.Сега ще помоля да не коментирате крана при РС.Направил съм пломба
shema -парнонова.JPG (75.66 KиБ) Видяна 1766 пъти
Накратко,ситуацията е следната:
Преди 15 и повече години ,когато не знаех за този форум,а може и да не е съществувал, си направих парно с камина с в.риза в приземна стая на малка стара селска къща.Изпълних я с колектори като с един от кръговете захраних баня и тоалетна които са отделени от къщата -3м.Тръбите са закопани в земята с не особена добра изолация.Водата, която се връща от банята минава през подово в същата тази стая и се подава на студения колектор.Отделно захранвам още 4 радиатора по3квт.
Изкарах няколко години така,но разхода беше доста голям,а и камината често прегряваше,имах проблем с комина и т.н.Махнах я и си купих сръбско котле Централ23 .Сложих го на мястото на камината.С помощта на Антон,Филматипло и др.,на които сърдечно благодаря,преправих инсталацията до този вид по долу.
През изминалата зима ,която беше мека,едва стигна мощността да ме топли.Лятото направих изолация и нещата си дойдоха на мястото.Мисля ,че ще може да топли и буфер.Подготвил съм му място до котела,но още имам някакви съмнения.
Сега искам да подобря този кръг на банята с подовото.Циркулация в момента почти няма докато не включи Р2. Заради това не мога да топля бойлера.Включен е на ток ,защото котела го загрявам до около 60-65гр. и е топло в къщи . Р2 не включва-термостата е нагласен на 65-70гр.Да не говоря за подовото…
Л.Ганев в един от постовете си казва ,че някъде свързва бойлера паралелно на котела ,но не разбрах къде точно се свързва връщащата. А дали ще може да мине без трета помпа,не знам. Там където е крана/на снимката се вижда добре,след холендъра/ мисля да сложа помпата на връщащата вода,ноне знам дали има по-добър вариант.
.Ей такива въпроси ме тормозят и моля за коментари и съвети
п.п.Сега ще помоля да не коментирате крана при РС.Направил съм пломба
Прикачен файл:
shema -парнонова.JPG (75.66 KиБ) Видяна 1766 пъти