Място за идеи и желания за проектиране и изработка на готови проекти.
yangi
- специалист
1980 мнения в "Изработка на инверторен електрожен"
АБВ потребител
- специалист
- Мнения: 719
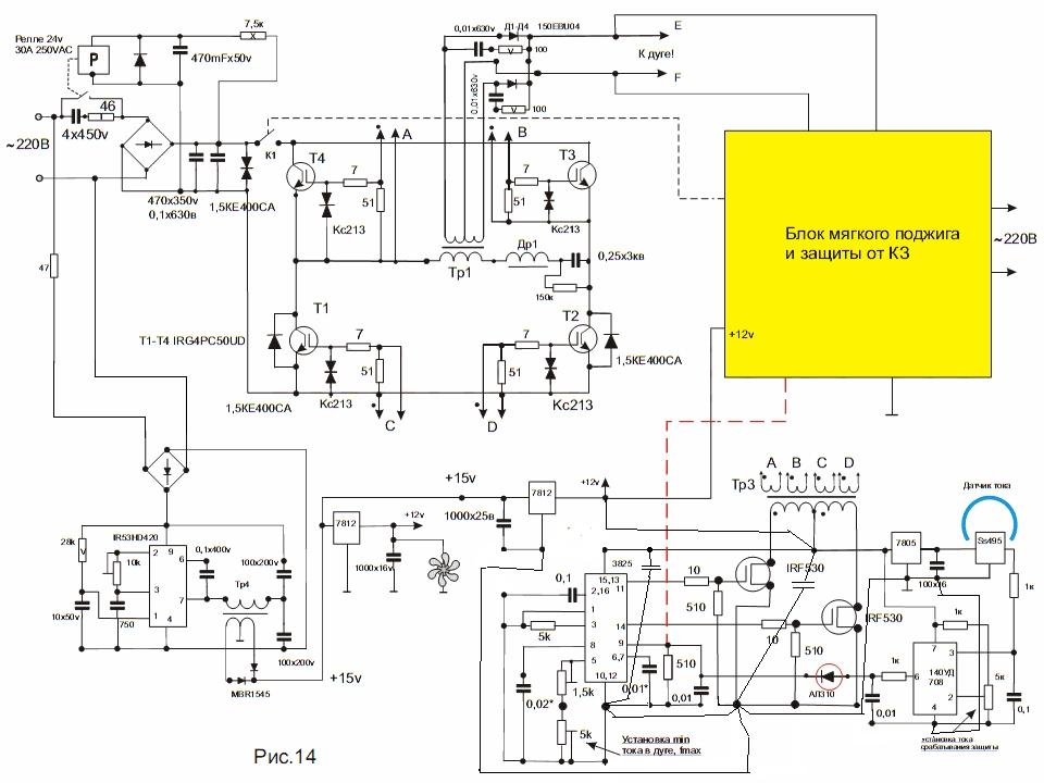
Ето тази 
yangi
- специалист
- Мнения: 166
Ето какво бих направил:
100nF директно между 13то и 10то краче, по възможност и 10-22uF. Плюса на захранването първо на Драйверния траф след което към UC3825. Масата от захранването първо на IRF530, след което на 10то краче на UC3825, после обикаля по останалите крачета. От IRF530 масата към 140УД. Електролит и 100nF между драйверния траф и сорсовете на транзисторите. Между 1во и 2ро на UC възможно най-къса маса. Между 5то и 6то на UC възможно най-къса маса.

negulqev.jpg (92.77 KиБ) Видяна 1492 пъти
100nF директно между 13то и 10то краче, по възможност и 10-22uF. Плюса на захранването първо на Драйверния траф след което към UC3825. Масата от захранването първо на IRF530, след което на 10то краче на UC3825, после обикаля по останалите крачета. От IRF530 масата към 140УД. Електролит и 100nF между драйверния траф и сорсовете на транзисторите. Между 1во и 2ро на UC възможно най-къса маса. Между 5то и 6то на UC възможно най-къса маса.
Прикачен файл:
negulqev.jpg (92.77 KиБ) Видяна 1492 пъти
АБВ потребител
- специалист
- Мнения: 719
Има го Колега с14 и е записан горе в ляво на схемата 0,1х630в. То хубаво тези кондензатори но да не забравяме че освен да филтрират и изглаждат ,по големите капацитети променят напрежението.Ще го оправя да се стопли времето.Може би съм пропуснал нещо дребно.Датчика и чипа под него не съм ги сложил.Трябва да ги потърся,ако не по друг начин ще се защитава.

Последна промяна от АБВ потребител на вт фев 27, 2018 9:31 pm, променено общо 1 път.
АБВ потребител
- специалист
- Мнения: 719
Докато ние се занимаваме с глупости
вижте какво правят професионалистите https://youtu.be/lPtNTGW4Xmw
АБВ потребител
- специалист
- Мнения: 719
Мисля че беше 25мм външен диаметър,сив цвят 3с90. Един приятел ми го даде.
АБВ потребител
- специалист
- Мнения: 719
Вижте хората с какво заваряват,а ние тук се шлевим с някакви инверторчета 
Прикачен файл
елжен.jpg (36.5 KиБ) Видяна 1424 пъти
Тема "Изработка на инверторен електрожен" | Включи се в дискусията:
Сподели форума:
Бъди информиран. Следвай "Направи сам" във Facebook:
Намери изпълнител и вдъхновения за дома. Следвай MaistorPlus във Facebook:
Имаш нужда от подходящ професионалист за дома?
- Преустройство, ремонт и реновиране
- ↳ Вашите ремонти
- ↳ Кухня
- ↳ Баня
- ↳ Дневна
- ↳ Спалня
- ↳ Детска
- ↳ Градина
- ↳ Коридор
- ↳ Тераса и балкон
- Направи сам
- ↳ Направи сам
- ↳ Ремонтирай сам
- ↳ Къде е по-евтино?
- ↳ Дърводелство
- ↳ Ел. инструменти
- ↳ Металообработване
- ↳ Конкурс "Направи сам 2012"
- Строителство
- ↳ Всичко за вилата
- ↳ Къщи
- ↳ Саниране
- ↳ Хидроизолация
- ↳ Пасивни и нискоенергийни сгради
- Сухо строителство
- ↳ Окачени тавани
- ↳ Преградни стени и предстенни обшивки
- ↳ Сухи и повдигнати подове
- ↳ Декоративни елементи - колони, трегери, сводове и др.
- ↳ Всичко за гипскартона и гипсфазера
- Въпроси и Отговори
- ↳ Полезни съвети
- ↳ Автомобили
- ↳ Партньори
- ↳ Боядисване и Декориране
- ↳ Вентилация, климатици и термопомпи
- ↳ Водоснабдяване и канализация.
- ↳ Всичко за ремонта
- ↳ Електротехника
- ↳ Отопление
- ↳ Газификация
- ↳ Електроника и Схеми
- ↳ Газобетон
- ↳ От всичко по малко
- ↳ Компютри и периферия
- ↳ Уеб дизайн, PHP, MySQL, JavaScript, HTML..
- ↳ Мобилни устройства, GSM-и
- ↳ Нека се запознаем
- ↳ Recycle Bin
- Статии
- ↳ Практични решения
- ↳ Качване на снимки
- ↳ Какви статии искате?
- ↳ Готварство, туршии и зимнина
- ↳ Отмора и шеги
- ↳ От нищо нещо
- ↳ Не е за вярване
- ↳ Литература
- ↳ Връзки към Интересни сайтове
- Магазин
- ↳ Препоръки и Мнения за он-лайн магазина
- ↳ Крадeни инструменти !!!