Вероятно волтмера е на зарядното и акумулатора свързан последователно с крушката 
От мобилни телефони до цифрови камери
kozl
- майстор
294 мнения в "Схема на зарядно"
- Мнения: 5
Благодаря на колегата KOZI ,посочи ми грешката.Аз се заблудих и не вземах под внимание,че волт мера е на зарядното и доста се за чудих.Още веднъж благодаря.
П. Петков
- специалист
- Мнения: 678
Работещ вариант на популярната схема:
Схемата притежава защити от:
Обратна полярност при свързване на акумулатора;
Прекъсване на мрежовото захранване;
Откачване на акумулатора по време на заряд;
Прекъсване на предпазител;
Късо съединение в "Греца";
Свързване на 24V акумулатор;
Окъсяване на изводите преди включване на акумулатора.
Схемата има два режима на работа, индикирани със светодиодите LED2 и LED3.
Режимите са:
Зареждане с номинален регулируем ток, съобразно капацитета на акумулатора и последващо автоматично изключване при достигане напрежение 14,4V.
Дозареждане с ток около 1/100 от капацитета и автоматично изключване при достигане напрежение 13,4V.
Режимите се определят от положението на потенциометъра, който е с ключ.
Схемата има особености, свързани с изискванията към нея и правилното и функциониране.
Особеностите са:
Мястото на предпазителя F3, наличието на диода D7, начинът за индикация на обратна полярност при свързване на акумулатора, осигуряване базисния ток на Т2, синхронизацията на схемата за фазово управление, времеконстантата R6;C4, филтровият кондензатор C1, схемата за индикациите на режимите, наличието на контакта K1-6 и стойността на резистора R11, както и връзката му с вторичното напрежение на трансформатора.
Индикацията за сфазиране на щепсела е стандартна, което сфазиране е свързано с наличността само на един мрежов предпазител. Тази индикация е мигаща след автоматичното изключване при всеки от двата режима.
Индикацията за обратна полярност не може да се свърже към анодите на D3 и D4, поради отпушване на тиристора и късо съединение в силовия контур!!!
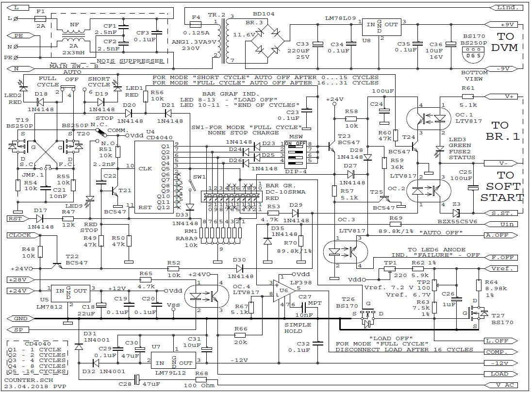
А това е малко по-сложен вариант с всички екстри, режими на десулфатизация, елиминиране на паразитни падове, глезотии, включително и SIMPLE HOLD под товар: Обясненията за тази схема са прекалено обемисти.
Както е известно, десулфатизираният акумулатор държи заряд толкова, "колкото...умрЕл китка"!
Обратна полярност при свързване на акумулатора;
Прекъсване на мрежовото захранване;
Откачване на акумулатора по време на заряд;
Прекъсване на предпазител;
Късо съединение в "Греца";
Свързване на 24V акумулатор;
Окъсяване на изводите преди включване на акумулатора.
Схемата има два режима на работа, индикирани със светодиодите LED2 и LED3.
Режимите са:
Зареждане с номинален регулируем ток, съобразно капацитета на акумулатора и последващо автоматично изключване при достигане напрежение 14,4V.
Дозареждане с ток около 1/100 от капацитета и автоматично изключване при достигане напрежение 13,4V.
Режимите се определят от положението на потенциометъра, който е с ключ.
Схемата има особености, свързани с изискванията към нея и правилното и функциониране.
Особеностите са:
Мястото на предпазителя F3, наличието на диода D7, начинът за индикация на обратна полярност при свързване на акумулатора, осигуряване базисния ток на Т2, синхронизацията на схемата за фазово управление, времеконстантата R6;C4, филтровият кондензатор C1, схемата за индикациите на режимите, наличието на контакта K1-6 и стойността на резистора R11, както и връзката му с вторичното напрежение на трансформатора.
Индикацията за сфазиране на щепсела е стандартна, което сфазиране е свързано с наличността само на един мрежов предпазител. Тази индикация е мигаща след автоматичното изключване при всеки от двата режима.
Индикацията за обратна полярност не може да се свърже към анодите на D3 и D4, поради отпушване на тиристора и късо съединение в силовия контур!!!
А това е малко по-сложен вариант с всички екстри, режими на десулфатизация, елиминиране на паразитни падове, глезотии, включително и SIMPLE HOLD под товар: Обясненията за тази схема са прекалено обемисти.
Както е известно, десулфатизираният акумулатор държи заряд толкова, "колкото...умрЕл китка"!
nikolov333
- майстор
- Мнения: 5423
vlax
- майстор
- Мнения: 2476
hidrazin написа:За мен е удоволствие да го чета колегатаП. Петков написа:Работещ вариант на популярната схема...Радвам се че отново си сред нас.
Благодаря за схемите и усилието - няма да е напразно.
Весели празници и на теб!
Наминавай по-често - поне на мен ще ми е приятно и интересно.
Лека и пак - весело изкарване!
Честит празник
П. Петков
- специалист
- Мнения: 678
Малки допълнения:
Звуковите сигнали повишават потребителското качество на схемата.
Проста и напълно автоматична схема с дозареждане е по-трудно да се направи, тъй като след основното зареждане е необходимо време, за да спадне напрежението на акумулатора под 13,4 V.
https://docviewer.yandex.ua/view/0/?*=q ... MTgxMH0%3D
Стойностите на R11 и C5 са съобразени със стойността на потенциометъра, като се има предвид, че в "Комет" не се предлагат потенциометри с ключ, по-високоомни от 10 kOhm.
Проста и напълно автоматична схема с дозареждане е по-трудно да се направи, тъй като след основното зареждане е необходимо време, за да спадне напрежението на акумулатора под 13,4 V.
https://docviewer.yandex.ua/view/0/?*=q ... MTgxMH0%3D
Стойностите на R11 и C5 са съобразени със стойността на потенциометъра, като се има предвид, че в "Комет" не се предлагат потенциометри с ключ, по-високоомни от 10 kOhm.
П. Петков
- специалист
- Мнения: 678
Пояснения:
Резисторите R16 и R17 изпълняват три функции.
Първо, те определят големината на допълнителния зареждащ ток.
Второ, през тях се затваря веригата на базисния ток на Т2, който базисен ток се определя от напрежението върху C7 и стойността на резистора R9.
Третата функция е, че от тях се определя големината на напрежението върху кондензатора C3, след принудителното изключване на акумулатора по време на зарядния процес и съответно при зададени големи ъгли на фазовото управление, тоест при малки стойности на зарядния ток, или отсъствие на такъв. Това напрежение трябва да нарастне над 14,4 Волта, за да може схемата да се изключи автоматично. При принудително изключен акумулатор идикаторната схема, компараторната част, както и и релето, могат да се представят чрез еквивалентно съпротивление, което е свързано последователно с R16 и R17 към изправителя „BR“. Кондензаторът C3 филтрира напрежението върху това съпротивление и го прави постоянно за сравняващата схема. При напрежение над 14,4 Волта релето ще се изключи.
Контактът K1-6 предотвратява протичане на ток през „Греца“, R16 и R17, когато акумулаторът се включи с обратна полярност.
Кондензаторът C3 филтрира напрежението от изправителя при изключен акумулатор, която функция нормално се поема от акумулатора.
Кондензаторът C7 филтрира напрежението от изправителя D3 и D4, като това е необходимо по две причини, а именно че напрежението трябва да е постоянно, за да не се „провлачва“ от пулсациите колекторното напрежение на Т2 при неговото запушване. Освен това този кондензатор, заедно с резистора R9, определят времето за автоматично изключване след отпадане на захранващото напрежение по време на зарядния процес.
Времеконстантата C7, R9 определя устойчивостта на схемата от краткотрайни „пропадания“ на мрежовото напрежение.
Диодът D12 от предходната схема става излишен, поради промененото място на D6. Предназначението на този диод (D12) е след натискане на бутона „Старт“, да не се позволи подаването на постоянно напрежение от акумулатора към веригата за фазово управление през резисторите R16 и R17, което би довело да нарушаване на синхронизацията и скок на зарядния ток.
Нормалнозатвореният контакт на бутона „Старт“ прекъсва управлението на тиристора при натискане на стартовия бутон. Тоест, заряден ток ще протече едва след отпускане на бутона, както при стартиране, така и по време на вече започнал заряд. Това е необходимо, за да се предотврати влизането на схемата в режим на „звънец“, при напрежения на акумулатора над и около границата от 14,4 Волта. Режимът „звънец“ представлява непрекъснато включване и изключване на релето K1 вследствие на натиснат стартов бутон и достигнат вече напрежителен праг за изключване. Нормалнозатвореният контакт на бутона „Старт“ е свързан последователно само на потенциометъра и не може да изключва цялата схема за фазово управление от D3 и D4, тъй като включването му е несинхронизирано с мрежата и предизвиква подскок на тока.
Диодът D8 и резисторът R8 осигуряват положителна обратна връзка при запушване на T2, с което се постига висока скорост на запушването на транзистора и съответно изключване на K1. Положителната обратна връзка създава и напрежителен хистерезис на прага за изключване. Последното е необходимо, поради спадане напрежението върху акумулатора след преустановяване на зарядния ток и при натиснат бутон „Старт“.
Резисторът R10 намалява напрежението върху K1 с около един Волт, като го прави по-близо по стойност до номиналното за релето.
От този резистор се определя и границата за включване на схемата при свързване на 6 Волтов акумулатор.
Защитата срещу включване на 24 Волтов акумулатор се състои в принудителното изключване на К1 от компараторната час, поради надвишаване напрежението от 14,4 Волта. За тази цел кондензаторът C3 се избира с работно напрежение 35 Волта.
ThSW са диафрагмени термоконтакти, защитаващи тиристора и изправителя от топлинно претоварване. Действието им е подобно на това при отпадането на мрежовото напрежение, а именно прекъсване на базисния ток на Т2. Монтират се върху радиаторите.
Предпазителят F2 защитава трансформатора от късо съединение в „Греца“, а F3 осигурява същата защита и на акумулатора, който е втори енергиен източник в схемата.
Прекъсването на един от двата предпазителя преустановява протичането на базисния ток на T2 и води до автоматично изключване на схемата. Тази е причината F3 да се постави в „минусовата“ верига на моста, а не в „плюсовата“ на акумулатора. Ако F3 е свързан след амперметъра, неговото прекъсване няма да доведе до спиране на тока през R9, като съответно схемата няма да се изключи. Това би предизвикало постепенно разреждане на акумулатора при отсъствие на перманентен надзор.
При отворен контакт SW-POT, транзисторът Т7, който e N-канален MOSFET, се отпушва от напрежението върху катода на Z1, което напрежение е в границите на допустимото гейтово напрежение за неговото отпушване. Същевременно високото входно съпротивление на гейта не влияе върху делителя R3, R4, R5 и TP1.
Това е единствената схемна реализация за двойната функция на потенциометричния ключ, а именно промяна на прага за изключване на компараторната схема и едновременна индикация на двата режима. Алтернативната индикация LED2 и LED3 зависи от състоянието на ключа SW-POT.
При отворен SW-POT, праговото напрежение на сравняващата схема е 13,4 Волта, а Т7 е отпушен. Транзисторите Т5 и Т6 са запушени, а ток протича само през R19 и LED3. Индикира се режимът „Допълнително зареждане“.
Когато SW-POT е затворен, праговото напрежение на схемата е 14,4 Волта, Т7е запушен, (гейтът и сорсът са окъсени от SW-POT), Т6 е отпушен и LED2 свети. Индикира се режим „Зареждане“. Същевременно Т5 е отпушен и окъсява LED3 , с което той не може да свети.
Настройката на праговите напрежения за двата режима на работа се прави последователно, като първо се настройва напрежението от 13,4 Волта (при отворен ключ SW-POT - чрез TP1), а впоследствие и напрежението 14,4 Волта (при затворен SW-POT – чрез TP2).
При наличие на мрежово напрежение, включен прекъсвач „MAIN SW“ и автоматично или принудително изключване на схемата, освен мигащата светлинна индикация има и синхронизиран с индикацията звуков сигнал. Поради наличие само на един мрежов предпазител, свързването на схемата към мрежата е предопределено и при обратно включен щепсел светлинна и звукова индикация ще липсва, което налага превключване на щепсела.
Резисторите R16 и R17 изпълняват три функции.
Първо, те определят големината на допълнителния зареждащ ток.
Второ, през тях се затваря веригата на базисния ток на Т2, който базисен ток се определя от напрежението върху C7 и стойността на резистора R9.
Третата функция е, че от тях се определя големината на напрежението върху кондензатора C3, след принудителното изключване на акумулатора по време на зарядния процес и съответно при зададени големи ъгли на фазовото управление, тоест при малки стойности на зарядния ток, или отсъствие на такъв. Това напрежение трябва да нарастне над 14,4 Волта, за да може схемата да се изключи автоматично. При принудително изключен акумулатор идикаторната схема, компараторната част, както и и релето, могат да се представят чрез еквивалентно съпротивление, което е свързано последователно с R16 и R17 към изправителя „BR“. Кондензаторът C3 филтрира напрежението върху това съпротивление и го прави постоянно за сравняващата схема. При напрежение над 14,4 Волта релето ще се изключи.
Контактът K1-6 предотвратява протичане на ток през „Греца“, R16 и R17, когато акумулаторът се включи с обратна полярност.
Кондензаторът C3 филтрира напрежението от изправителя при изключен акумулатор, която функция нормално се поема от акумулатора.
Кондензаторът C7 филтрира напрежението от изправителя D3 и D4, като това е необходимо по две причини, а именно че напрежението трябва да е постоянно, за да не се „провлачва“ от пулсациите колекторното напрежение на Т2 при неговото запушване. Освен това този кондензатор, заедно с резистора R9, определят времето за автоматично изключване след отпадане на захранващото напрежение по време на зарядния процес.
Времеконстантата C7, R9 определя устойчивостта на схемата от краткотрайни „пропадания“ на мрежовото напрежение.
Диодът D12 от предходната схема става излишен, поради промененото място на D6. Предназначението на този диод (D12) е след натискане на бутона „Старт“, да не се позволи подаването на постоянно напрежение от акумулатора към веригата за фазово управление през резисторите R16 и R17, което би довело да нарушаване на синхронизацията и скок на зарядния ток.
Нормалнозатвореният контакт на бутона „Старт“ прекъсва управлението на тиристора при натискане на стартовия бутон. Тоест, заряден ток ще протече едва след отпускане на бутона, както при стартиране, така и по време на вече започнал заряд. Това е необходимо, за да се предотврати влизането на схемата в режим на „звънец“, при напрежения на акумулатора над и около границата от 14,4 Волта. Режимът „звънец“ представлява непрекъснато включване и изключване на релето K1 вследствие на натиснат стартов бутон и достигнат вече напрежителен праг за изключване. Нормалнозатвореният контакт на бутона „Старт“ е свързан последователно само на потенциометъра и не може да изключва цялата схема за фазово управление от D3 и D4, тъй като включването му е несинхронизирано с мрежата и предизвиква подскок на тока.
Диодът D8 и резисторът R8 осигуряват положителна обратна връзка при запушване на T2, с което се постига висока скорост на запушването на транзистора и съответно изключване на K1. Положителната обратна връзка създава и напрежителен хистерезис на прага за изключване. Последното е необходимо, поради спадане напрежението върху акумулатора след преустановяване на зарядния ток и при натиснат бутон „Старт“.
Резисторът R10 намалява напрежението върху K1 с около един Волт, като го прави по-близо по стойност до номиналното за релето.
От този резистор се определя и границата за включване на схемата при свързване на 6 Волтов акумулатор.
Защитата срещу включване на 24 Волтов акумулатор се състои в принудителното изключване на К1 от компараторната час, поради надвишаване напрежението от 14,4 Волта. За тази цел кондензаторът C3 се избира с работно напрежение 35 Волта.
ThSW са диафрагмени термоконтакти, защитаващи тиристора и изправителя от топлинно претоварване. Действието им е подобно на това при отпадането на мрежовото напрежение, а именно прекъсване на базисния ток на Т2. Монтират се върху радиаторите.
Предпазителят F2 защитава трансформатора от късо съединение в „Греца“, а F3 осигурява същата защита и на акумулатора, който е втори енергиен източник в схемата.
Прекъсването на един от двата предпазителя преустановява протичането на базисния ток на T2 и води до автоматично изключване на схемата. Тази е причината F3 да се постави в „минусовата“ верига на моста, а не в „плюсовата“ на акумулатора. Ако F3 е свързан след амперметъра, неговото прекъсване няма да доведе до спиране на тока през R9, като съответно схемата няма да се изключи. Това би предизвикало постепенно разреждане на акумулатора при отсъствие на перманентен надзор.
При отворен контакт SW-POT, транзисторът Т7, който e N-канален MOSFET, се отпушва от напрежението върху катода на Z1, което напрежение е в границите на допустимото гейтово напрежение за неговото отпушване. Същевременно високото входно съпротивление на гейта не влияе върху делителя R3, R4, R5 и TP1.
Това е единствената схемна реализация за двойната функция на потенциометричния ключ, а именно промяна на прага за изключване на компараторната схема и едновременна индикация на двата режима. Алтернативната индикация LED2 и LED3 зависи от състоянието на ключа SW-POT.
При отворен SW-POT, праговото напрежение на сравняващата схема е 13,4 Волта, а Т7 е отпушен. Транзисторите Т5 и Т6 са запушени, а ток протича само през R19 и LED3. Индикира се режимът „Допълнително зареждане“.
Когато SW-POT е затворен, праговото напрежение на схемата е 14,4 Волта, Т7е запушен, (гейтът и сорсът са окъсени от SW-POT), Т6 е отпушен и LED2 свети. Индикира се режим „Зареждане“. Същевременно Т5 е отпушен и окъсява LED3 , с което той не може да свети.
Настройката на праговите напрежения за двата режима на работа се прави последователно, като първо се настройва напрежението от 13,4 Волта (при отворен ключ SW-POT - чрез TP1), а впоследствие и напрежението 14,4 Волта (при затворен SW-POT – чрез TP2).
При наличие на мрежово напрежение, включен прекъсвач „MAIN SW“ и автоматично или принудително изключване на схемата, освен мигащата светлинна индикация има и синхронизиран с индикацията звуков сигнал. Поради наличие само на един мрежов предпазител, свързването на схемата към мрежата е предопределено и при обратно включен щепсел светлинна и звукова индикация ще липсва, което налага превключване на щепсела.
П. Петков
- специалист
- Мнения: 678
Претоплена чорба за почитателите на средновековната електроника:
Зарядно устройство за 12 Волтов, оловен акумулатор.
Схемата на зарядното устройство представлява фазово управляем, нефилтриран изправител на вторичното напрежение на понижаващ трансформатор, който захранва зареждания акумулатор. Изправителят е изпълнен с диодния мост Br.
Положителната клема на акумулатора се свързва през амперметър А към положителния изход на изправителя, а отрицателната – през предпазителя F3 към минуса на „Грец“-а, но през фазово управляем тиристор Th. Чрез тиристора се регулира подаваното от изправителя към акумулатора напрежение.
В схемата има и втори, допълнителен мостов изправител съставен от диодите D3, D4 и лявата половина от моста Br. Допълнителният изправител се използва за захранване и синхронизация на схемата за фазово управление, както и за специфични функции на схемата.
Зарядното устройство стартира с енергия от зареждания акумулатор. Стартиране е невъзможно при дадени накъсо изводи на устройството, включване на акумулатор с обратна полярност, отсъствие на такъв или свързване на акумулатор с напрежение 6V или 24V. Схемата притежава защита срещу отпадане на мрежовото захранване,протичане на свръхток през акумулатора, както и защити при късо съединение в „Греца“, прегряване на изправителя или на регулиращия тиристор. Устройството изключва автоматично в следните случаи:
1. След завършване на зарядния цикъл.
2. След продължително отпадане на мрежовото захранване.
3. При изключване на акумулатора по време на заряд.
4. При прекъсване на предпазител.
5. При протичане на свръхток през акумулатора.
6. При прегряване на изправителя или регулиращия тиристор.
Режимите на работа са два - „CHARGE“ – „Основен заряд“ и „AUXILIRY CHARGE“ – „Допълнителен заряд“.Те се определят от състоянието на потенциометричния ключ – SW-POT.
Когато ключът е затворен схемата е в режим „Основен заряд“ и зареждането се извършва с големина на тока, регулирана чрез потенциометъра POT, който е част от фазорегулираща схема. Големината на зарядния ток се определя от разликата между моментното напрежение на изправителя и това на акумулатора, която разлика е разделена на сумата от вътрешното съпротивление на акумулатора при зарeждане и еквивалентното изходно съпротивление на трансформатора. Вътрешните съпротивления на акумулатора при зареждане и разреждане, (като източник), са различни. Зарядният ток е импулсен и формата му следва тази на изправеното, нефилтрирано и фазово управляемо напрежение. Заряден ток протича само при напрежение на изправителя по-високо от това на акумулатора. Средната стойност на тока се измерва от амперметър A. Препоръчва се зарядният ток в началото на процеса да е със стойност една десета от капацитета на акумулатора - 0,1C.
При отворен ключ SW-POT токът не се регулира, а големината му зависи от разликата между изправеното напрежение на трансформатора и напрежението на акумулатора, която разлика е разделена на съпротивлението на R17. Резисторът R17 се избира така, че токът през него да бъде от една до пет хилядни от капацитета на акумулатора – 0,001C ÷ 0,005C. Този режим е определен като „Допълнителен заряд“ и се прилага след основното зареждане,
Преминаването към един от двата режима е ръчно. При въртене на потенциометъра обратно на часовата стрелка до крайно положение - (C.C.W.), ключът е отворен и схемата е в режим „Допълнителен заряд“. При завъртване на потенциометъра в крайна позиция обратно на часовата стрелка без ключът да е отворен схемата е в режим „Основен заряд“, а зарядният ток е минимален и също се определя от R17, тъй като фазовият ъгъл при управлението на тиристора съответства на напрежение от полусинусоидата, което е по-малко от това на акумулатора. Свързването на потенциометъра е реостатно, като при завъртване в крайна позиция по часовата стрелка - (C.W.) съпротивлението му е нула, а токът е максимален. Максималният ток зависи от степента на разреждане на акумулатора и максималното напрежение на регулируемия изправител, задавано от R16 и C9, които са част от фазорегулиращата схема.
Схемата изключва автоматично след достигане на напрежителни прагове, които са различни за двата режима. Напрежението 14,4V е праг за режим „Основен заряд“, а 13V за „Допълнителен заряд“. Напрежителните прагове могат да се регулират чрез тримерпотенциометрите ТР1 и ТР2. Напрежението 14,4V е заимствано от каталог на VARTA. Стойността 13V е получена експериментално при продължително зареждане с минимален ток в режим „Основен заряд“ на нов, стартерен акумулатор с температура на корпуса 23oC. Достигнатото и установено във времето напрежение е 13,15V. Настройка на праговете се прави последователно, като чрез TP1 и отворен ключ първо се настройва напрежението 13V, а впоследствие и прагът от 14,4V - посредством TP2 и затворен SW-POT.
При стартиране на режим „Допълнителен заряд“ е необходимо време за изчакване след основното зареждане до спадане напрежението на акумулатора под 13V.
Устройството притежава четири светлинни и две звукови сигнализации:
1. „LAMP“ – „Глим“ лампа, свързана в схема на автогенератор, която при подадено мрежово напрежение и изключено реле К1 „мига“ с честота, определена от R2 и C2.
2. „LED1“ – „CHARGE“ – Индикация на режим „Основен заряд“.
3. „LED2“ – „AUXILIARY CHARGE“ – Индикация на режим „Допълнителен заряд“. Светодиодите LED1 и LED2 светят алтернативно.
4. „LED3“ – „REVERS POLARITY“ – „Обратна полярност“. Червена светлинна индикация при свързване на акумулатор с неправилна полярност.
5. „BUZZER1“ - зумер, свързан в схемата на автогенератора на индикацията LAMP. При наличие на мрежово напрежение, включен главен прекъсвач MAIN SW и изключено реле К1, освен мигащата светлинна индикация има и синхронизиран с нея звук от зумера. Тези сигнали са налични до изключване на мрежовия ключ. Двете индикации са информация за завършен заряден цикъл или готовност за предстоящ процес. Схема на автогенератора е с минимална мрежова консумация, която е съобразена с възможността устройството да остава в това състояние неограничено дълго време. След стартиране контактът К1-4 се затваря, а К1-3 е отворен и лампата свети постоянно. Звук от зумера липсва.
Поради наличие само на един главен предпазител F1 свързването на устройството към мрежата е предопределено, като при размяна на „фазата“ и „нулата“ индикациите липсват, което е показател за необходимост от „обръщане“ на щепсела „Шуко“. При „правилно“ включен щепсел и затворен мрежов ключ отсъствието на сигналите е информация за липса на мрежово захранване, прекъснат предпазител F1 или неизправна връзка със защитната нула - „PE“.
6. „BUZZER2“ – звукова аларма работеща при обратна полярност на акумулатора, а също и при състояния на схемата, които са описани по-долу.
Схемата има защита срещу протичане на свръхток през акумулатора, която е реализирана с транзистора T2. Токът се измерва чрез шунтовете R12 и R12F. Резисторът R12F е донастройващ прага на токовата защита. Резисторът R10 и кондензаторът С6 осредняват напрежителния пад от шунта. Времеконстантата R10, C6 има допълнително предназначение, а именно:
При включване в момент на върхово напрежение от изправителя, както и при ниска устойчивост на тиристора към dU/dt - (KУ202A), последният може да се отпуши в рамките на полупериода и върху шунта да се появи кратък напрежителен импулс. Този импулс би отпушил транзистора T2, с което ще се блокира включването на релето. Кондензаторът C6 забавя отпушването на T2 и предотвратява блокиране на устройството при старт.
Схемата за фазово управление е класическа, като двата транзистора T4 и T5 могат да се заменят с еднопреходен транзистор (двубазов диод).
Резисторът R17 изпълнява четири функции:
1. Той определя големината на зарядния ток в режим „Допълнителен заряд“.
2. През него се затваря веригата на базисния ток за Т3. Този ток се изчислява като отношение между напрежението върху C7 и съпротивлението на R8, като при отпушен тиристор от напрежението на C7 се изваждат напрежителните падове върху D7, прехода „емитер-база“ на T3, R12 и тиристора. При запушен тиристор от напрежението на C7 се изваждат падовете върху D7, прехода „емитер-база“ на T3, R12, D13 и R17 - (K1-6 e затворен).
3. След натискане на стартовия бутон има закъснение от 15 ms при включване на K1, дължащо се на механична инертност на котвата и контактната система на релето. При стартиране, когато релето все още не е включeно, акумулаторът зарежда през R17 кондензаторите C7 и C8. За C7 веригата се затваря през бутон START, D10, C7, R17, D14 и R12. Същевременно през R8 тече и базисен ток за транзистора Т3. Базисният ток протича по веригата - бутон START, D10, D7, R8 и преход „емитер-база“ на Т3. Кондензаторът С8 се зарежда по веригата - бутон START, D10, D6, C8, R17, D14 и R12. Резисторът R17 ограничава пиковите зарядни токове на двата кондензатора. След включване на релето и отпускане на стартовия бутон, двата кондензатора се поддържат в заредено състояние от диодите D3, D4 и лявата половина от изправителя Br, като зарядните им токове протичат през предпазителя F3.
4. От R17 зависи големината на напрежението върху кондензатора C3 след принудителното изключване на акумулатора по време на заряд, когато при голям фазов ъгъл зарядният ток има минимална стойност. След принудително изключване на акумулатора това напрежение трябва да надвиши 14,4V, за да може схемата да изключи автоматично.
Идикаторната схема, компараторната част и съпротивлението на релейната намотка могат да се представят чрез еквивалентно съпротивление, което заедно с последователно свързаните R12, D13 и R17, (K1-6 е затворен), са захранени от изправителя Br през амперметъра и F3. Кондензаторът C3 е свързан паралелно на това еквивалентно съпротивление. Той филтрира напрежението и го прави постоянно за сравняващата схема. При наличие на акумулатор постоянното напрежение върху еквивалентното съпротивление се осигурява от самия акумулатор. Напрежение над 14,4V върху C3 води до ценеров пробив на диода Z1, като токът през него отпушва T1, който от своя страна запушва T3 и релето изключва.
Стойността на R17 зависи от вторичното напрежение на трансформатора. Подбира се така, че в режим „Основен заряд“, при зададен минимален ток и откачване на акумулатора, напрежението върху C3 да е над 14,4V. При провеждане на тест за измерване на това напрежение джъмперът „JMP“ трябва да е отворен.
Ако в режим „Допълнителен заряд“ токът е голям, трябва да се намали вторичното напрежение на трансформатора. Намаляване на напрежението трябва да се съобрази с условието за големината на напрежението върху C3 при откачен акумулатор. При малък дозареждащ ток увеличаване на тока се прави чрез намаляване стойността на R17. Така се подобрява съотношението между еквивалентното съпротивление и R17 в полза на еквивалентното съпротивление, което води до по-високо напрежение върху С3 при изключен акумулатор.
Влиянието на напрежителните падове по проводниците при различни големини на зарядния ток е намалено посредством използване на силови и сензори изводи към акумулатора - (Force +/-; Sense +/-). Изпълнено е чрез отделни връзки към всяка ръкохватка на клемните щипки, като силовите кабели имат сечения, съответстващи на максималния заряден ток. Всяка двойка изводи има присвоени означения - „F+“, „S+“ и „F-“ и „S-“. Клемните щипки на всяка ръкохватка са изолирани една от друга с помощта на диелектрични втулки и шайби, монтирани на осите на въртене. Това гарантира свалянето на сензорните сигнали непосредствено от оловните клеми на акумулатора, като контактните им точки са различни от силовите. Избягване пада на напрежение между положителния сензорен извод и C3, предизвикан от протичане на захранващия ток на релето, не може да се направи поради липса на свободен нормално отворен контакт, който да бъде свързан между R11 и „F+“. За намаляване на този пад връзката на „S+“ с K1-1/3 трябва да е максимално къса и изпълнена с по-дебел проводник. Поради същата причина резисторът R11 трябва да се свърже непосредствено към контакта K1-1/1. Избягване на напрежителен пад в отрицателния сензорен извод от същия ток е направено чрез свързване на емитера на T3 към „F-“.
При включване на акумулатор с обратна полярност и особено на такъв с напрежение 24V, отвореният контакт K1-6 предотвратява протичане на голям ток през D13, R17, F3, Br и амперметъра. В този случай зумерът BUZZER2, който е включен паралелно на K1-6, се захранва от акумулатора през упоменатата верига. Звуковата аларма е налична до откачване на неправилно свързания акумулатор. Диодът D7 предотвратява зареждането на C7 и C8 от обратно включения акумулатор през R10, прехода „база-колектор“ на T2 и резистора R8. При обратна полярност, освен звуков сигнал от BUZZER2, свети и LED2 – REVERS POLARITY. Диодът D8 възпрепятства зареждането на C8 от включения с обратна полярност акумулатор. Ефектът от наличието на този диод е, че след откачване на погрешно свързания акумулатор алармата спира веднага. При липса на D8 кондензаторът C8 ще се зареди от акумулатора през D13 и затворения K1-5, а алармата ще продължи да звучи и след отстраняване на акумулатора до пълното разреждане на C8.
По време на зарядния процес K1-6 е затворен и BUZZER2 е даден накъсо. Когато процесът завърши, или при принудително изключване на релето, K1-5 се затваря, а диодът D13 предпазва разреждането на С8 от тиристора, тъй като изключването на K1 може да стане в момент, когато тиристорът е отпушен. Без този диод постоянното напрежение върху C8 ще се разреди през тиристора, което би преустановило преждевременно сигнала от зумера за края на зареждането.
В процеса на работа контактът K1-5 е отворен, а диодите D5, D6 и лявата половина от моста Br зареждат кондензатора C8. Когато отпадне мрежовото захранване диодът D6 предотвратява разреждането на C8 през D7, R8, „емитер-база“ на T3, R12, D13 и R17 – (K1-6 е затворен). Зарядът на C8 се запазва до момента на изключване на K1. Също така, поради наличието на D6, кондензаторът C8 е отделен от C7 и не участва в определяне времето за изчакване на изключването при аварийно отпадане на захранването. След изключване на релето кондензаторът C8 се разрежда през BUZZER2 и R17 посредством D8 и затворения K1-5. Звуковият сигнал от зумера е наличен до изчерпване на заряда в кондензатора.
Кондензаторът C7 филтрира напрежението от D3, D4 и Br. Той е отделен от схемата за фазово управление чрез диода D5, тъй като подаването на постоянно напрежение към схемата за фазово управление би нарушило нейната синхронизация с мрежовото захранване. Филтриране на напрежението от C7 е необходимо по две причини:
1. Напрежението трябва да е постоянно, за да се намалят пулсациите на базисния ток на T3. Неизбежни пулсации на тока има и в двата режима.Те се дължат на общите клонове, през които протича базисният ток и зарядният ток на акумулатора. В режим „Основен заряд“ има алтернативното протичане на базисния ток през D13, K1-6 и R17, или през циклично отпушващия се тиристор. В режим „Допълнителен заряд“ пулсациите се дължат на променливия пад върху R17 при протичането на дозареждащия ток през него.
2. Кондензаторът C7 заедно с резистора R8 определят времето за изчакване на автоматичното изключване след аварийно отпадане на мрежовото напрежение. Времеконстантата C7, R8 определя устойчивостта на схемата срещу самоизключване при краткотрайни „пропадания“ на мрежовото захранване.
Зумерът BUZZER2 алармира в следните случаи:
1. При свързване на акумулатор с обратна полярност.
2. След завършване на зарядния цикъл.
3. След принудително изключване на акумулатора по време на зареждане.
4. При сработване на термозащитите ThSw-Br и ThSw-Th.
5. След продължително отпадане на мрежовото напрежение.
6. При прекъсване на един от предпазителите F1, F2 или F3.
7. След сработване на защитата от свръхток.
С изключение на случая описан в точка 1 аларменият сигнал е продължителен и наличен до пълното разреждане на C8. При включен акумулатор с обратна полярност сигналът звучи непрекъснато до откачване на акумулатора.
По време на зареждане, ако се отвори някой от термоконтактите, релето K1 изключва. Зарядният процес спира, а групата K1-5; K1-6 превключва и BUZZER2 алармира.
След аварийно отпадане на мрежовото напрежение C7 се разрежда през D7, R8, „емитер-база“ на T3, R12, D13, K1-6 (затворен) и R17. Докато трае това разреждане T3 е отпушен и релето е включено. След разреждането на C7 и запушване на T3 K1 изключва, а напрежението от C8 се подава през D7, K1-5 и R17 към BUZZER2. Времето за разреждане на C7 е и времето за изчакване на изключването при трайно отпадане на мрежовото захранване.
След сработване на компаратора той запушва T3, което води до отпушване на T2, независимо от липсата на свръхток през R12. Това се дължи на появата на напрежение върху колектора на T3, осигурено от C3 през намотката на релето. Напрежението създава базисен ток за T2, който се ограничава от резистора R9. Големината на този ток е по-малка от необходимия за поддържане на релето във включено състояние, така че то остава изключено. Тази положителна обратна прави изключеното състояние на релето необратимо и независимо от работата на компараторната ѝ част, дори и при едновременно натиснат стартов бутон в момента на изключване. Действието на обратната връзка е аналогично и при свръхток през R12.
Повторно стартиране на изключено устройството непосредствено след сработване на защитата от свръхток, а също след края на зарядния цикъл или откачване на акумулатора, става възможно след разреждане на кондензатора C3 и запушване на транзистора T2. Времето за изчакване е секунди.
При отпушен транзистор T3 и включено реле, резисторът R11 намалява напрежението върху бобината и го прави по-близко по стойност до номиналното за нея – 12V DC. Същевременно R11 ограничава зарядния ток на C3 и предпазва контактите на бутона „Старт“ от голям импулсен ток при включване, тъй като вътрешното съпротивление на акумулатора като източник е малко.
Защитата срещу свързване на 6 Волтов акумулатор се определя от минималното напрежение за включване на релето. За конкретния вид реле тази граница е 8,3 V.
Защитата срещу включване на 24 Волтов акумулатор се състои в това, че след натискане на бутона Старт транзисторът T3 е отпушен за кратко време, но поради надвишаване на прага от 14,4V T1 се отпушва, след което T3 се запушва и релето изключва. Във връзка с възможността за включване на 24V акумулатор кондензаторът C3 се избира с работно напрежение до 35 Волта.
Заради унификация на компонентна база кондензаторите C3, C4 и C8 са еднакви по спецификация. Същото се отнася и до C5, C6 и C7.
Кондензаторът C5 прави сравняващата схема нечувствителна към мрежови смущения при напрежение на акумулатора близко до прага на сработване.
Нормално затворените контакти ThSw-Br и ThSw-Th са биметални, диафрагмени термоконтакти със самовъзврат - („Кликсони“). Те защитават тиристора и изправителя от топлинно претоварване. Действието им е свързано с обезточване на релето. Монтират се върху радиаторите в непосредствена близост до приборите. Размерът на радиаторите се определя според максималната отделена мощност от полупроводниковите прибори и възможността за охлаждането им при нормална околна температура -Tamb. = 25oC.
Максималната допустима температура на полупроводниковия кристал за силициевите прибори е:
Tj = 150oC.
Падът на напрежение върху тиристора при протичане на максимален ток IT = 6A е:
VT = 1,6V.
Топлинното съпротивление на изолаторната подложка на тиристора, (ако се ползва такава), и силиконовата паста e:
Rth.c-r = 0,5oC/W.
Топлинното съпротивление на прехода „Кристал – Корпус“ е:
Rth.j-c = 1,2oC/W (корпус B1).
Топлинното съпротивление „Повърхност-околна среда“ на вертикално разположен плосък радиатор без принудителна вентилация, който има размери 100х100х3 мм е приблизително
Rth.r-a = 5oC/W.
При тези условия температурата на кристала на тиристора е:
Tj.th = Tamb. + VT.IT.(Rth.j-c + Rth.c-r + Rth.r-a)
От тук:
Tj.th = 25oC + 1,6V.6A.(1,2oC/W + 0,5oC/W + 5oC/W)
Или:
Tj.th = 89,3oC
Температура на корпуса на тиристора е:
Tc.th = Tamb. + VT.IT.( Rth.c-r + Rth.r-a)
От тук:
Tc.th = 25oC + 1,6V.6A.(0,5oC/W + 5oC/W)
Или:
Tc.th = 77,8oC
Температура на радиатора в точката на монтаж на тиристора е:
Tr = Tamb. + VT.IT.Rth.r-a
От тук:
Tr = 25oC + 1,6V.6A.5oC/W
Или:
Tr = 73oC.
От изчисленията следва избор на температурата за изключване на термоконтакта:
ThSw-Th“ - Toff = 90oC.
При температура на околната среда 25 oC и приетата температурна граница на изключване, температурата на кристала на тиристора не превишава максимално допустимата.
Подобни изчисления могат да се направят и за мостовия изправител.
След сработване на някой от термоконтактите изключването на схемата е незабавно за разлика от прекъсването на предпазителите F1, F2 и F3. Прекъсване на някой от тези предпазители предизвиква изключване на устройството след определено време, зависещо от времеконстантата C7, R8. Предпазителят F2 защитава трансформатора от късо съединение в „Грец“-а, а F3 осигурява защита на акумулатора, който е втори енергиен източник в схемата. Прекъсване на един от трите бушона преустановява захранването на C7, като след неговото разреждане схемата изключва автоматично. Причината F3 да се постави в „минусовата“ верига на моста е, че ако F3 е свързан между „плюса“ на изправителя и амперметъра, неговото прекъсване няма да доведе до спиране на базисния ток за Т3, който се осигурява от Br, D3, D4, D5, D7 и R8, а релето няма да изключи. При липса на постоянен надзор това би предизвикало постепенно разреждане на акумулатора през еквивалентното съпротивление на схемата. Разреждането ще продължи до спадане напрежението на акумулатора и намаляване на тока през бобината на релето под стойността на удържането му във включено състояние. Спадането на тока довежда до намаляване на магнитодвижещата сила за магнитния поток в магнитопровода на релето – F = I.W, където I е токът през намотката, а W е броят на навивките на бобината. За конкретния вид реле измерените стойности на напреженията за включване и изключване са 7,5V и 2V, а съответните минимални токовете за включване и удържане са 63mA и 17mA.
При отворен ключ SW-POT, MOS транзисторът Т6 (N-канален MOSFET) се отпушва от напрежението върху катода на Z1, което напрежение се подава на гейта му през TP2 и R6. Транзисторите T7 и T8 са запушени, като ток протича само през LED2, R19 и отпушения канал „дрейн-сорс“ на T6. Индикира се режимът „Допълнителен заряд“. Напрежението върху гейта наT6 е в границите на допустимото. Високото входно съпротивление на транзистора не влияе върху делителя R3, R4, R5 и TP1. При включване на 24 Волтов акумулатор ценерът пробива и напрежението на гейта също не превишава 6,3V.
Схемата е реализация на двойна функция на потенциометричния ключ, а именно промяна на прага за изключване на сравняващата схема и едновременна смяна на индикациите за двата режима. Алтернативните индикации LED1 и LED2 зависят от състоянието на SW-POT. Когато SW-POT е затворен, транзисторът T6 е запушен, T7 е отпушен и LED1 свети. Индикира се режим „Основен заряд“. Същевременно T8 също е отпушен и шунтира LED2, който не свети. П. Петков
https://dox.abv.bg/download?id=53c8f4ae0c
Зарядно устройство за 12 Волтов, оловен акумулатор.
Схемата на зарядното устройство представлява фазово управляем, нефилтриран изправител на вторичното напрежение на понижаващ трансформатор, който захранва зареждания акумулатор. Изправителят е изпълнен с диодния мост Br.
Положителната клема на акумулатора се свързва през амперметър А към положителния изход на изправителя, а отрицателната – през предпазителя F3 към минуса на „Грец“-а, но през фазово управляем тиристор Th. Чрез тиристора се регулира подаваното от изправителя към акумулатора напрежение.
В схемата има и втори, допълнителен мостов изправител съставен от диодите D3, D4 и лявата половина от моста Br. Допълнителният изправител се използва за захранване и синхронизация на схемата за фазово управление, както и за специфични функции на схемата.
Зарядното устройство стартира с енергия от зареждания акумулатор. Стартиране е невъзможно при дадени накъсо изводи на устройството, включване на акумулатор с обратна полярност, отсъствие на такъв или свързване на акумулатор с напрежение 6V или 24V. Схемата притежава защита срещу отпадане на мрежовото захранване,протичане на свръхток през акумулатора, както и защити при късо съединение в „Греца“, прегряване на изправителя или на регулиращия тиристор. Устройството изключва автоматично в следните случаи:
1. След завършване на зарядния цикъл.
2. След продължително отпадане на мрежовото захранване.
3. При изключване на акумулатора по време на заряд.
4. При прекъсване на предпазител.
5. При протичане на свръхток през акумулатора.
6. При прегряване на изправителя или регулиращия тиристор.
Режимите на работа са два - „CHARGE“ – „Основен заряд“ и „AUXILIRY CHARGE“ – „Допълнителен заряд“.Те се определят от състоянието на потенциометричния ключ – SW-POT.
Когато ключът е затворен схемата е в режим „Основен заряд“ и зареждането се извършва с големина на тока, регулирана чрез потенциометъра POT, който е част от фазорегулираща схема. Големината на зарядния ток се определя от разликата между моментното напрежение на изправителя и това на акумулатора, която разлика е разделена на сумата от вътрешното съпротивление на акумулатора при зарeждане и еквивалентното изходно съпротивление на трансформатора. Вътрешните съпротивления на акумулатора при зареждане и разреждане, (като източник), са различни. Зарядният ток е импулсен и формата му следва тази на изправеното, нефилтрирано и фазово управляемо напрежение. Заряден ток протича само при напрежение на изправителя по-високо от това на акумулатора. Средната стойност на тока се измерва от амперметър A. Препоръчва се зарядният ток в началото на процеса да е със стойност една десета от капацитета на акумулатора - 0,1C.
При отворен ключ SW-POT токът не се регулира, а големината му зависи от разликата между изправеното напрежение на трансформатора и напрежението на акумулатора, която разлика е разделена на съпротивлението на R17. Резисторът R17 се избира така, че токът през него да бъде от една до пет хилядни от капацитета на акумулатора – 0,001C ÷ 0,005C. Този режим е определен като „Допълнителен заряд“ и се прилага след основното зареждане,
Преминаването към един от двата режима е ръчно. При въртене на потенциометъра обратно на часовата стрелка до крайно положение - (C.C.W.), ключът е отворен и схемата е в режим „Допълнителен заряд“. При завъртване на потенциометъра в крайна позиция обратно на часовата стрелка без ключът да е отворен схемата е в режим „Основен заряд“, а зарядният ток е минимален и също се определя от R17, тъй като фазовият ъгъл при управлението на тиристора съответства на напрежение от полусинусоидата, което е по-малко от това на акумулатора. Свързването на потенциометъра е реостатно, като при завъртване в крайна позиция по часовата стрелка - (C.W.) съпротивлението му е нула, а токът е максимален. Максималният ток зависи от степента на разреждане на акумулатора и максималното напрежение на регулируемия изправител, задавано от R16 и C9, които са част от фазорегулиращата схема.
Схемата изключва автоматично след достигане на напрежителни прагове, които са различни за двата режима. Напрежението 14,4V е праг за режим „Основен заряд“, а 13V за „Допълнителен заряд“. Напрежителните прагове могат да се регулират чрез тримерпотенциометрите ТР1 и ТР2. Напрежението 14,4V е заимствано от каталог на VARTA. Стойността 13V е получена експериментално при продължително зареждане с минимален ток в режим „Основен заряд“ на нов, стартерен акумулатор с температура на корпуса 23oC. Достигнатото и установено във времето напрежение е 13,15V. Настройка на праговете се прави последователно, като чрез TP1 и отворен ключ първо се настройва напрежението 13V, а впоследствие и прагът от 14,4V - посредством TP2 и затворен SW-POT.
При стартиране на режим „Допълнителен заряд“ е необходимо време за изчакване след основното зареждане до спадане напрежението на акумулатора под 13V.
Устройството притежава четири светлинни и две звукови сигнализации:
1. „LAMP“ – „Глим“ лампа, свързана в схема на автогенератор, която при подадено мрежово напрежение и изключено реле К1 „мига“ с честота, определена от R2 и C2.
2. „LED1“ – „CHARGE“ – Индикация на режим „Основен заряд“.
3. „LED2“ – „AUXILIARY CHARGE“ – Индикация на режим „Допълнителен заряд“. Светодиодите LED1 и LED2 светят алтернативно.
4. „LED3“ – „REVERS POLARITY“ – „Обратна полярност“. Червена светлинна индикация при свързване на акумулатор с неправилна полярност.
5. „BUZZER1“ - зумер, свързан в схемата на автогенератора на индикацията LAMP. При наличие на мрежово напрежение, включен главен прекъсвач MAIN SW и изключено реле К1, освен мигащата светлинна индикация има и синхронизиран с нея звук от зумера. Тези сигнали са налични до изключване на мрежовия ключ. Двете индикации са информация за завършен заряден цикъл или готовност за предстоящ процес. Схема на автогенератора е с минимална мрежова консумация, която е съобразена с възможността устройството да остава в това състояние неограничено дълго време. След стартиране контактът К1-4 се затваря, а К1-3 е отворен и лампата свети постоянно. Звук от зумера липсва.
Поради наличие само на един главен предпазител F1 свързването на устройството към мрежата е предопределено, като при размяна на „фазата“ и „нулата“ индикациите липсват, което е показател за необходимост от „обръщане“ на щепсела „Шуко“. При „правилно“ включен щепсел и затворен мрежов ключ отсъствието на сигналите е информация за липса на мрежово захранване, прекъснат предпазител F1 или неизправна връзка със защитната нула - „PE“.
6. „BUZZER2“ – звукова аларма работеща при обратна полярност на акумулатора, а също и при състояния на схемата, които са описани по-долу.
Схемата има защита срещу протичане на свръхток през акумулатора, която е реализирана с транзистора T2. Токът се измерва чрез шунтовете R12 и R12F. Резисторът R12F е донастройващ прага на токовата защита. Резисторът R10 и кондензаторът С6 осредняват напрежителния пад от шунта. Времеконстантата R10, C6 има допълнително предназначение, а именно:
При включване в момент на върхово напрежение от изправителя, както и при ниска устойчивост на тиристора към dU/dt - (KУ202A), последният може да се отпуши в рамките на полупериода и върху шунта да се появи кратък напрежителен импулс. Този импулс би отпушил транзистора T2, с което ще се блокира включването на релето. Кондензаторът C6 забавя отпушването на T2 и предотвратява блокиране на устройството при старт.
Схемата за фазово управление е класическа, като двата транзистора T4 и T5 могат да се заменят с еднопреходен транзистор (двубазов диод).
Резисторът R17 изпълнява четири функции:
1. Той определя големината на зарядния ток в режим „Допълнителен заряд“.
2. През него се затваря веригата на базисния ток за Т3. Този ток се изчислява като отношение между напрежението върху C7 и съпротивлението на R8, като при отпушен тиристор от напрежението на C7 се изваждат напрежителните падове върху D7, прехода „емитер-база“ на T3, R12 и тиристора. При запушен тиристор от напрежението на C7 се изваждат падовете върху D7, прехода „емитер-база“ на T3, R12, D13 и R17 - (K1-6 e затворен).
3. След натискане на стартовия бутон има закъснение от 15 ms при включване на K1, дължащо се на механична инертност на котвата и контактната система на релето. При стартиране, когато релето все още не е включeно, акумулаторът зарежда през R17 кондензаторите C7 и C8. За C7 веригата се затваря през бутон START, D10, C7, R17, D14 и R12. Същевременно през R8 тече и базисен ток за транзистора Т3. Базисният ток протича по веригата - бутон START, D10, D7, R8 и преход „емитер-база“ на Т3. Кондензаторът С8 се зарежда по веригата - бутон START, D10, D6, C8, R17, D14 и R12. Резисторът R17 ограничава пиковите зарядни токове на двата кондензатора. След включване на релето и отпускане на стартовия бутон, двата кондензатора се поддържат в заредено състояние от диодите D3, D4 и лявата половина от изправителя Br, като зарядните им токове протичат през предпазителя F3.
4. От R17 зависи големината на напрежението върху кондензатора C3 след принудителното изключване на акумулатора по време на заряд, когато при голям фазов ъгъл зарядният ток има минимална стойност. След принудително изключване на акумулатора това напрежение трябва да надвиши 14,4V, за да може схемата да изключи автоматично.
Идикаторната схема, компараторната част и съпротивлението на релейната намотка могат да се представят чрез еквивалентно съпротивление, което заедно с последователно свързаните R12, D13 и R17, (K1-6 е затворен), са захранени от изправителя Br през амперметъра и F3. Кондензаторът C3 е свързан паралелно на това еквивалентно съпротивление. Той филтрира напрежението и го прави постоянно за сравняващата схема. При наличие на акумулатор постоянното напрежение върху еквивалентното съпротивление се осигурява от самия акумулатор. Напрежение над 14,4V върху C3 води до ценеров пробив на диода Z1, като токът през него отпушва T1, който от своя страна запушва T3 и релето изключва.
Стойността на R17 зависи от вторичното напрежение на трансформатора. Подбира се така, че в режим „Основен заряд“, при зададен минимален ток и откачване на акумулатора, напрежението върху C3 да е над 14,4V. При провеждане на тест за измерване на това напрежение джъмперът „JMP“ трябва да е отворен.
Ако в режим „Допълнителен заряд“ токът е голям, трябва да се намали вторичното напрежение на трансформатора. Намаляване на напрежението трябва да се съобрази с условието за големината на напрежението върху C3 при откачен акумулатор. При малък дозареждащ ток увеличаване на тока се прави чрез намаляване стойността на R17. Така се подобрява съотношението между еквивалентното съпротивление и R17 в полза на еквивалентното съпротивление, което води до по-високо напрежение върху С3 при изключен акумулатор.
Влиянието на напрежителните падове по проводниците при различни големини на зарядния ток е намалено посредством използване на силови и сензори изводи към акумулатора - (Force +/-; Sense +/-). Изпълнено е чрез отделни връзки към всяка ръкохватка на клемните щипки, като силовите кабели имат сечения, съответстващи на максималния заряден ток. Всяка двойка изводи има присвоени означения - „F+“, „S+“ и „F-“ и „S-“. Клемните щипки на всяка ръкохватка са изолирани една от друга с помощта на диелектрични втулки и шайби, монтирани на осите на въртене. Това гарантира свалянето на сензорните сигнали непосредствено от оловните клеми на акумулатора, като контактните им точки са различни от силовите. Избягване пада на напрежение между положителния сензорен извод и C3, предизвикан от протичане на захранващия ток на релето, не може да се направи поради липса на свободен нормално отворен контакт, който да бъде свързан между R11 и „F+“. За намаляване на този пад връзката на „S+“ с K1-1/3 трябва да е максимално къса и изпълнена с по-дебел проводник. Поради същата причина резисторът R11 трябва да се свърже непосредствено към контакта K1-1/1. Избягване на напрежителен пад в отрицателния сензорен извод от същия ток е направено чрез свързване на емитера на T3 към „F-“.
При включване на акумулатор с обратна полярност и особено на такъв с напрежение 24V, отвореният контакт K1-6 предотвратява протичане на голям ток през D13, R17, F3, Br и амперметъра. В този случай зумерът BUZZER2, който е включен паралелно на K1-6, се захранва от акумулатора през упоменатата верига. Звуковата аларма е налична до откачване на неправилно свързания акумулатор. Диодът D7 предотвратява зареждането на C7 и C8 от обратно включения акумулатор през R10, прехода „база-колектор“ на T2 и резистора R8. При обратна полярност, освен звуков сигнал от BUZZER2, свети и LED2 – REVERS POLARITY. Диодът D8 възпрепятства зареждането на C8 от включения с обратна полярност акумулатор. Ефектът от наличието на този диод е, че след откачване на погрешно свързания акумулатор алармата спира веднага. При липса на D8 кондензаторът C8 ще се зареди от акумулатора през D13 и затворения K1-5, а алармата ще продължи да звучи и след отстраняване на акумулатора до пълното разреждане на C8.
По време на зарядния процес K1-6 е затворен и BUZZER2 е даден накъсо. Когато процесът завърши, или при принудително изключване на релето, K1-5 се затваря, а диодът D13 предпазва разреждането на С8 от тиристора, тъй като изключването на K1 може да стане в момент, когато тиристорът е отпушен. Без този диод постоянното напрежение върху C8 ще се разреди през тиристора, което би преустановило преждевременно сигнала от зумера за края на зареждането.
В процеса на работа контактът K1-5 е отворен, а диодите D5, D6 и лявата половина от моста Br зареждат кондензатора C8. Когато отпадне мрежовото захранване диодът D6 предотвратява разреждането на C8 през D7, R8, „емитер-база“ на T3, R12, D13 и R17 – (K1-6 е затворен). Зарядът на C8 се запазва до момента на изключване на K1. Също така, поради наличието на D6, кондензаторът C8 е отделен от C7 и не участва в определяне времето за изчакване на изключването при аварийно отпадане на захранването. След изключване на релето кондензаторът C8 се разрежда през BUZZER2 и R17 посредством D8 и затворения K1-5. Звуковият сигнал от зумера е наличен до изчерпване на заряда в кондензатора.
Кондензаторът C7 филтрира напрежението от D3, D4 и Br. Той е отделен от схемата за фазово управление чрез диода D5, тъй като подаването на постоянно напрежение към схемата за фазово управление би нарушило нейната синхронизация с мрежовото захранване. Филтриране на напрежението от C7 е необходимо по две причини:
1. Напрежението трябва да е постоянно, за да се намалят пулсациите на базисния ток на T3. Неизбежни пулсации на тока има и в двата режима.Те се дължат на общите клонове, през които протича базисният ток и зарядният ток на акумулатора. В режим „Основен заряд“ има алтернативното протичане на базисния ток през D13, K1-6 и R17, или през циклично отпушващия се тиристор. В режим „Допълнителен заряд“ пулсациите се дължат на променливия пад върху R17 при протичането на дозареждащия ток през него.
2. Кондензаторът C7 заедно с резистора R8 определят времето за изчакване на автоматичното изключване след аварийно отпадане на мрежовото напрежение. Времеконстантата C7, R8 определя устойчивостта на схемата срещу самоизключване при краткотрайни „пропадания“ на мрежовото захранване.
Зумерът BUZZER2 алармира в следните случаи:
1. При свързване на акумулатор с обратна полярност.
2. След завършване на зарядния цикъл.
3. След принудително изключване на акумулатора по време на зареждане.
4. При сработване на термозащитите ThSw-Br и ThSw-Th.
5. След продължително отпадане на мрежовото напрежение.
6. При прекъсване на един от предпазителите F1, F2 или F3.
7. След сработване на защитата от свръхток.
С изключение на случая описан в точка 1 аларменият сигнал е продължителен и наличен до пълното разреждане на C8. При включен акумулатор с обратна полярност сигналът звучи непрекъснато до откачване на акумулатора.
По време на зареждане, ако се отвори някой от термоконтактите, релето K1 изключва. Зарядният процес спира, а групата K1-5; K1-6 превключва и BUZZER2 алармира.
След аварийно отпадане на мрежовото напрежение C7 се разрежда през D7, R8, „емитер-база“ на T3, R12, D13, K1-6 (затворен) и R17. Докато трае това разреждане T3 е отпушен и релето е включено. След разреждането на C7 и запушване на T3 K1 изключва, а напрежението от C8 се подава през D7, K1-5 и R17 към BUZZER2. Времето за разреждане на C7 е и времето за изчакване на изключването при трайно отпадане на мрежовото захранване.
След сработване на компаратора той запушва T3, което води до отпушване на T2, независимо от липсата на свръхток през R12. Това се дължи на появата на напрежение върху колектора на T3, осигурено от C3 през намотката на релето. Напрежението създава базисен ток за T2, който се ограничава от резистора R9. Големината на този ток е по-малка от необходимия за поддържане на релето във включено състояние, така че то остава изключено. Тази положителна обратна прави изключеното състояние на релето необратимо и независимо от работата на компараторната ѝ част, дори и при едновременно натиснат стартов бутон в момента на изключване. Действието на обратната връзка е аналогично и при свръхток през R12.
Повторно стартиране на изключено устройството непосредствено след сработване на защитата от свръхток, а също след края на зарядния цикъл или откачване на акумулатора, става възможно след разреждане на кондензатора C3 и запушване на транзистора T2. Времето за изчакване е секунди.
При отпушен транзистор T3 и включено реле, резисторът R11 намалява напрежението върху бобината и го прави по-близко по стойност до номиналното за нея – 12V DC. Същевременно R11 ограничава зарядния ток на C3 и предпазва контактите на бутона „Старт“ от голям импулсен ток при включване, тъй като вътрешното съпротивление на акумулатора като източник е малко.
Защитата срещу свързване на 6 Волтов акумулатор се определя от минималното напрежение за включване на релето. За конкретния вид реле тази граница е 8,3 V.
Защитата срещу включване на 24 Волтов акумулатор се състои в това, че след натискане на бутона Старт транзисторът T3 е отпушен за кратко време, но поради надвишаване на прага от 14,4V T1 се отпушва, след което T3 се запушва и релето изключва. Във връзка с възможността за включване на 24V акумулатор кондензаторът C3 се избира с работно напрежение до 35 Волта.
Заради унификация на компонентна база кондензаторите C3, C4 и C8 са еднакви по спецификация. Същото се отнася и до C5, C6 и C7.
Кондензаторът C5 прави сравняващата схема нечувствителна към мрежови смущения при напрежение на акумулатора близко до прага на сработване.
Нормално затворените контакти ThSw-Br и ThSw-Th са биметални, диафрагмени термоконтакти със самовъзврат - („Кликсони“). Те защитават тиристора и изправителя от топлинно претоварване. Действието им е свързано с обезточване на релето. Монтират се върху радиаторите в непосредствена близост до приборите. Размерът на радиаторите се определя според максималната отделена мощност от полупроводниковите прибори и възможността за охлаждането им при нормална околна температура -Tamb. = 25oC.
Максималната допустима температура на полупроводниковия кристал за силициевите прибори е:
Tj = 150oC.
Падът на напрежение върху тиристора при протичане на максимален ток IT = 6A е:
VT = 1,6V.
Топлинното съпротивление на изолаторната подложка на тиристора, (ако се ползва такава), и силиконовата паста e:
Rth.c-r = 0,5oC/W.
Топлинното съпротивление на прехода „Кристал – Корпус“ е:
Rth.j-c = 1,2oC/W (корпус B1).
Топлинното съпротивление „Повърхност-околна среда“ на вертикално разположен плосък радиатор без принудителна вентилация, който има размери 100х100х3 мм е приблизително
Rth.r-a = 5oC/W.
При тези условия температурата на кристала на тиристора е:
Tj.th = Tamb. + VT.IT.(Rth.j-c + Rth.c-r + Rth.r-a)
От тук:
Tj.th = 25oC + 1,6V.6A.(1,2oC/W + 0,5oC/W + 5oC/W)
Или:
Tj.th = 89,3oC
Температура на корпуса на тиристора е:
Tc.th = Tamb. + VT.IT.( Rth.c-r + Rth.r-a)
От тук:
Tc.th = 25oC + 1,6V.6A.(0,5oC/W + 5oC/W)
Или:
Tc.th = 77,8oC
Температура на радиатора в точката на монтаж на тиристора е:
Tr = Tamb. + VT.IT.Rth.r-a
От тук:
Tr = 25oC + 1,6V.6A.5oC/W
Или:
Tr = 73oC.
От изчисленията следва избор на температурата за изключване на термоконтакта:
ThSw-Th“ - Toff = 90oC.
При температура на околната среда 25 oC и приетата температурна граница на изключване, температурата на кристала на тиристора не превишава максимално допустимата.
Подобни изчисления могат да се направят и за мостовия изправител.
След сработване на някой от термоконтактите изключването на схемата е незабавно за разлика от прекъсването на предпазителите F1, F2 и F3. Прекъсване на някой от тези предпазители предизвиква изключване на устройството след определено време, зависещо от времеконстантата C7, R8. Предпазителят F2 защитава трансформатора от късо съединение в „Грец“-а, а F3 осигурява защита на акумулатора, който е втори енергиен източник в схемата. Прекъсване на един от трите бушона преустановява захранването на C7, като след неговото разреждане схемата изключва автоматично. Причината F3 да се постави в „минусовата“ верига на моста е, че ако F3 е свързан между „плюса“ на изправителя и амперметъра, неговото прекъсване няма да доведе до спиране на базисния ток за Т3, който се осигурява от Br, D3, D4, D5, D7 и R8, а релето няма да изключи. При липса на постоянен надзор това би предизвикало постепенно разреждане на акумулатора през еквивалентното съпротивление на схемата. Разреждането ще продължи до спадане напрежението на акумулатора и намаляване на тока през бобината на релето под стойността на удържането му във включено състояние. Спадането на тока довежда до намаляване на магнитодвижещата сила за магнитния поток в магнитопровода на релето – F = I.W, където I е токът през намотката, а W е броят на навивките на бобината. За конкретния вид реле измерените стойности на напреженията за включване и изключване са 7,5V и 2V, а съответните минимални токовете за включване и удържане са 63mA и 17mA.
При отворен ключ SW-POT, MOS транзисторът Т6 (N-канален MOSFET) се отпушва от напрежението върху катода на Z1, което напрежение се подава на гейта му през TP2 и R6. Транзисторите T7 и T8 са запушени, като ток протича само през LED2, R19 и отпушения канал „дрейн-сорс“ на T6. Индикира се режимът „Допълнителен заряд“. Напрежението върху гейта наT6 е в границите на допустимото. Високото входно съпротивление на транзистора не влияе върху делителя R3, R4, R5 и TP1. При включване на 24 Волтов акумулатор ценерът пробива и напрежението на гейта също не превишава 6,3V.
Схемата е реализация на двойна функция на потенциометричния ключ, а именно промяна на прага за изключване на сравняващата схема и едновременна смяна на индикациите за двата режима. Алтернативните индикации LED1 и LED2 зависят от състоянието на SW-POT. Когато SW-POT е затворен, транзисторът T6 е запушен, T7 е отпушен и LED1 свети. Индикира се режим „Основен заряд“. Същевременно T8 също е отпушен и шунтира LED2, който не свети. П. Петков
https://dox.abv.bg/download?id=53c8f4ae0c
Тема "Схема на зарядно" | Включи се в дискусията:
Сподели форума:
Бъди информиран. Следвай "Направи сам" във Facebook:
Намери изпълнител и вдъхновения за дома. Следвай MaistorPlus във Facebook:
Имаш нужда от подходящ професионалист за дома?
- Преустройство, ремонт и реновиране
- ↳ Вашите ремонти
- ↳ Кухня
- ↳ Баня
- ↳ Дневна
- ↳ Спалня
- ↳ Детска
- ↳ Градина
- ↳ Коридор
- ↳ Тераса и балкон
- Направи сам
- ↳ Направи сам
- ↳ Ремонтирай сам
- ↳ Къде е по-евтино?
- ↳ Дърводелство
- ↳ Ел. инструменти
- ↳ Металообработване
- ↳ Конкурс "Направи сам 2012"
- Строителство
- ↳ Всичко за вилата
- ↳ Къщи
- ↳ Саниране
- ↳ Хидроизолация
- ↳ Пасивни и нискоенергийни сгради
- Сухо строителство
- ↳ Окачени тавани
- ↳ Преградни стени и предстенни обшивки
- ↳ Сухи и повдигнати подове
- ↳ Декоративни елементи - колони, трегери, сводове и др.
- ↳ Всичко за гипскартона и гипсфазера
- Въпроси и Отговори
- ↳ Полезни съвети
- ↳ Автомобили
- ↳ Партньори
- ↳ Боядисване и Декориране
- ↳ Вентилация, климатици и термопомпи
- ↳ Водоснабдяване и канализация.
- ↳ Всичко за ремонта
- ↳ Електротехника
- ↳ Отопление
- ↳ Газификация
- ↳ Електроника и Схеми
- ↳ Газобетон
- ↳ От всичко по малко
- ↳ Компютри и периферия
- ↳ Уеб дизайн, PHP, MySQL, JavaScript, HTML..
- ↳ Мобилни устройства, GSM-и
- ↳ Нека се запознаем
- ↳ Recycle Bin
- Статии
- ↳ Практични решения
- ↳ Качване на снимки
- ↳ Какви статии искате?
- ↳ Готварство, туршии и зимнина
- ↳ Отмора и шеги
- ↳ От нищо нещо
- ↳ Не е за вярване
- ↳ Литература
- ↳ Връзки към Интересни сайтове
- Магазин
- ↳ Препоръки и Мнения за он-лайн магазина
- ↳ Крадeни инструменти !!!