Място за идеи и желания за проектиране и изработка на готови проекти.
yangi
- специалист
1980 мнения в "Изработка на инверторен електрожен"
АБВ потребител
- специалист
- Мнения: 719
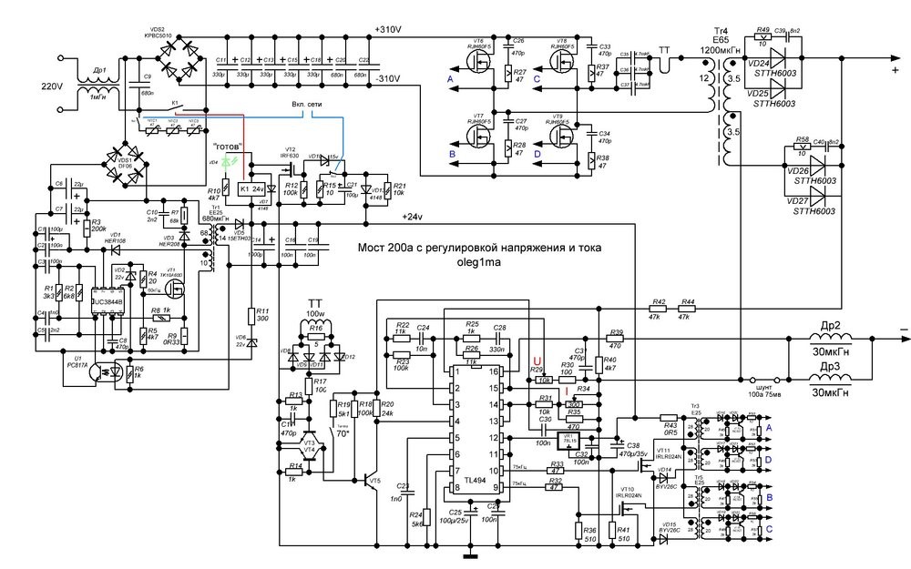
Транзисторите са 75А 600V. Предполагам че 200 ампера могат да се изкарат от нея,зависи какви елементи се сложат.Случайно ми попадна като разглеждах руските форуми.Не пише много от подробностите за нея,какви трафове и други неща но могат да се сметнат. 
АБВ потребител
- специалист
- Мнения: 719
АБВ потребител
- специалист
- Мнения: 719
Един поздрав за Колегите от Руските и Украинските форуми
АБВ потребител
- специалист
- Мнения: 719
И може би това е най-неприятната част от това начинание. Вижте
АБВ потребител
- специалист
- Мнения: 719
Здравей. То снубери се слагат.Аз на моя китаец не съм сложил снубери на транзисторите,но съм ги защитил по друг начин.И нямам никакви проблеми до сега.Напъвал съм го по 30 електрода 3,25 един след друг и не даде фира.Мога да работя и 24 часа без прекъсване с него, с малки паузи разбира се.Получи се доста сполучлива преработка на машината и не съжалявам за похарчините средства.Пълен мост е схемата.Сега ползвам основно него за работа.Имам и един правен ,не от мен,трансформатор 40кг, но така и неуспях да намеря начин за регулирането на тока.Там е доста сложно.Пък сега и не ми се занимава с него,явно не е добре навит и ще го махна.Клиповете се качват като натиснеш десен бутон на мишката върху клипа и копиране, и след това десен бутон и поставяне в полето. 
emsy
- специалист
- Мнения: 95
Като стана дума за снубери, как се изчисляват?
Говорим за подобна схема :
R-C снубер паралелно на първичната страна на силовия траф, по схема пълен мост.
Работна честотата : 30 Кхз
Сега съм сложил 100 Oм ( 5 W) и 2,2 nf,
ама грее та не може да се пипне, дори и на празен ход на трафа.
Как да подбера стойностите ?

ScreenHunter_136.jpg (24.36 KиБ) Видяна 3233 пъти
Говорим за подобна схема :
R-C снубер паралелно на първичната страна на силовия траф, по схема пълен мост.
Работна честотата : 30 Кхз
Сега съм сложил 100 Oм ( 5 W) и 2,2 nf,
ама грее та не може да се пипне, дори и на празен ход на трафа.
Как да подбера стойностите ?
Прикачен файл:
ScreenHunter_136.jpg (24.36 KиБ) Видяна 3233 пъти
АБВ потребител
- специалист
- Мнения: 719
Колега ,откажи се от този снубер там няма да стане ,пробвал съм ,винаги ще грее,защото окъсява първичната намотка. Тока на празен ход ще скочи от този снубер там и няма смисъл от него .
А за изчисляването Yangi е силен там.По думите на мой приятел,електроинженер, най добър вариант за електрожен е резонансника на Негуляев с широчинна модулация не честотна.
Тема "Изработка на инверторен електрожен" | Включи се в дискусията:
Сподели форума:
Бъди информиран. Следвай "Направи сам" във Facebook:
Намери изпълнител и вдъхновения за дома. Следвай MaistorPlus във Facebook:
Имаш нужда от подходящ професионалист за дома?
- Преустройство, ремонт и реновиране
- ↳ Вашите ремонти
- ↳ Кухня
- ↳ Баня
- ↳ Дневна
- ↳ Спалня
- ↳ Детска
- ↳ Градина
- ↳ Коридор
- ↳ Тераса и балкон
- Направи сам
- ↳ Направи сам
- ↳ Ремонтирай сам
- ↳ Къде е по-евтино?
- ↳ Дърводелство
- ↳ Ел. инструменти
- ↳ Металообработване
- ↳ Конкурс "Направи сам 2012"
- Строителство
- ↳ Всичко за вилата
- ↳ Къщи
- ↳ Саниране
- ↳ Хидроизолация
- ↳ Пасивни и нискоенергийни сгради
- Сухо строителство
- ↳ Окачени тавани
- ↳ Преградни стени и предстенни обшивки
- ↳ Сухи и повдигнати подове
- ↳ Декоративни елементи - колони, трегери, сводове и др.
- ↳ Всичко за гипскартона и гипсфазера
- Въпроси и Отговори
- ↳ Полезни съвети
- ↳ Автомобили
- ↳ Партньори
- ↳ Боядисване и Декориране
- ↳ Вентилация, климатици и термопомпи
- ↳ Водоснабдяване и канализация.
- ↳ Всичко за ремонта
- ↳ Електротехника
- ↳ Отопление
- ↳ Газификация
- ↳ Електроника и Схеми
- ↳ Газобетон
- ↳ От всичко по малко
- ↳ Компютри и периферия
- ↳ Уеб дизайн, PHP, MySQL, JavaScript, HTML..
- ↳ Мобилни устройства, GSM-и
- ↳ Нека се запознаем
- ↳ Recycle Bin
- Статии
- ↳ Практични решения
- ↳ Качване на снимки
- ↳ Какви статии искате?
- ↳ Готварство, туршии и зимнина
- ↳ Отмора и шеги
- ↳ От нищо нещо
- ↳ Не е за вярване
- ↳ Литература
- ↳ Връзки към Интересни сайтове
- Магазин
- ↳ Препоръки и Мнения за он-лайн магазина
- ↳ Крадeни инструменти !!!