Здравейте Колеги новобранец съм в тази тема и в инверторната електроника. Скоро и аз реших да си направя инвер.Електроженче и стигнах до драйверите на IGBT тата и до там. Имам проблем с драйверното трансформаторче . При намаляне от потенциометара ми режи импулсите по средата а пък са идеални правоъгълни. Ползвам полу мостова схема ще кача снимки и снимка на драйвера.
Място за идеи и желания за проектиране и изработка на готови проекти.
raim433
- напреднал
1980 мнения в "Изработка на инверторен електрожен"
АБВ потребител
- специалист
- Мнения: 719
Здравей Колега. А схемата която правиш е еднотактен или двутактен вариант на полумост??? По добре покажи цялата схема,за да ти кажа кои е подходящ драйвер за нея
Този вариант с пуш-пул преобразувател който си избрал е най - лошия в случая.
АБВ потребител
- специалист
- Мнения: 719
А какъв е чипа???
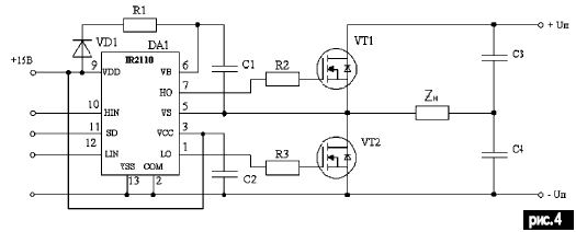
Ето за този . А щом искаш двутактова,сложи едно IR 2110 на изхода на генератора и си готов.

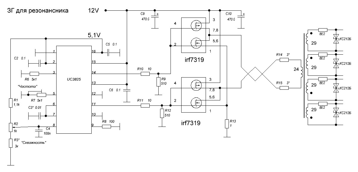
TGR_UC3825.JPG (83.02 KиБ) Видяна 1647 пъти
Прикачен файл:
TGR_UC3825.JPG (83.02 KиБ) Видяна 1647 пъти
АБВ потребител
- специалист
- Мнения: 719
Ако ползваш тл 494, двата и изхода 9 и 10 краче , слагаш на двата входа на драйвера . И красота.

2110 ir.jpg (14.7 KиБ) Видяна 1631 пъти
Прикачен файл:
2110 ir.jpg (14.7 KиБ) Видяна 1631 пъти
АБВ потребител
- специалист
- Мнения: 719
Пробвай с повече навивки . Макар че силно се съмнявам да получиш хубави импулси точно от тази схема.
yangi
- специалист
- Мнения: 166
Здравейте и от мен, отдавна не бях влизал във форума (много ми се е насъбрала работата). Гледам, че темата не е замряла и има все още желаещи да се занимават със силова електроника. Към raim433 - ако искаш точни отговори, трябва да изчертаеш твоята схема (не да копираш готови схеми). Също така, покажи точно къде са замерванията с осцилоскопа (точките ги обозначаваш на схемата). Ако това са импулсите на гейтовете на силовите транзистори ще ги изгориш със сигурност. Надявам се да съм бил полезен.
Тема "Изработка на инверторен електрожен" | Включи се в дискусията:
Сподели форума:
Бъди информиран. Следвай "Направи сам" във Facebook:
Намери изпълнител и вдъхновения за дома. Следвай MaistorPlus във Facebook:
Имаш нужда от подходящ професионалист за дома?
- Преустройство, ремонт и реновиране
- ↳ Вашите ремонти
- ↳ Кухня
- ↳ Баня
- ↳ Дневна
- ↳ Спалня
- ↳ Детска
- ↳ Градина
- ↳ Коридор
- ↳ Тераса и балкон
- Направи сам
- ↳ Направи сам
- ↳ Ремонтирай сам
- ↳ Къде е по-евтино?
- ↳ Дърводелство
- ↳ Ел. инструменти
- ↳ Металообработване
- ↳ Конкурс "Направи сам 2012"
- Строителство
- ↳ Всичко за вилата
- ↳ Къщи
- ↳ Саниране
- ↳ Хидроизолация
- ↳ Пасивни и нискоенергийни сгради
- Сухо строителство
- ↳ Окачени тавани
- ↳ Преградни стени и предстенни обшивки
- ↳ Сухи и повдигнати подове
- ↳ Декоративни елементи - колони, трегери, сводове и др.
- ↳ Всичко за гипскартона и гипсфазера
- Въпроси и Отговори
- ↳ Полезни съвети
- ↳ Автомобили
- ↳ Партньори
- ↳ Боядисване и Декориране
- ↳ Вентилация, климатици и термопомпи
- ↳ Водоснабдяване и канализация.
- ↳ Всичко за ремонта
- ↳ Електротехника
- ↳ Отопление
- ↳ Газификация
- ↳ Електроника и Схеми
- ↳ Газобетон
- ↳ От всичко по малко
- ↳ Компютри и периферия
- ↳ Уеб дизайн, PHP, MySQL, JavaScript, HTML..
- ↳ Мобилни устройства, GSM-и
- ↳ Нека се запознаем
- ↳ Recycle Bin
- Статии
- ↳ Практични решения
- ↳ Качване на снимки
- ↳ Какви статии искате?
- ↳ Готварство, туршии и зимнина
- ↳ Отмора и шеги
- ↳ От нищо нещо
- ↳ Не е за вярване
- ↳ Литература
- ↳ Връзки към Интересни сайтове
- Магазин
- ↳ Препоръки и Мнения за он-лайн магазина
- ↳ Крадeни инструменти !!!