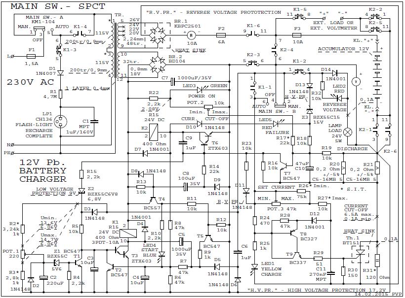
Проблемът и на двете схеми е, че при обратно свързване на акумулатора резисторът 33 Ohm/3W ще се озори. При втората схема това може да се реши чрез поставяне последователно само на него на предпазител 0,25А, доколкото се приема, че токът на дозаряд няма да надвишава 100мА. При първата схема обаче, това няма как да стане и при включване на мрежовия ключ токът ще се ограничи от резистора и от 8 амперовия предпазител. От друга страна, ако приемем че изправеното напрежение е 18V, то при обратно включване на акумулатора максималният ток през резистора би трябвало да бъде около 1А, мощността върху него ще е 33W, а тиристорът няма да се запушва в "нулите" на мрежовото напрежение, тъй като токът му на удържане е доста по-малък от минималния ток, който ще протича през него -12V/33 Ohm=0.36А. (През тиристора ще протича постоянен ток 0,36А плюс със съставната от пулсиращия ток, дължащ се на изправеното и нефилтрирано напрежение от "Греца".)  Всъщност, при нормална полярност на акумулатора, ако дозарядният ток е само 100мА, мощността, разсейвана от резистора, ще е само 0,33W и той няма нужда да е 3 ватов. Не съм пробвал експериментално колко трябва да е стойността на резистора, за да се получи ток от 100мА, но този ток ще зависи най-вече от изправеното напрежение на "Грец"-а. Ама ще го пробвам!  
								
															
																															
																								
															



 
 
 
  
   
